概述
塑殼斷路器塑殼斷路器是將觸頭、滅弧室、脫扣器和操作機構等都裝在一個塑膠外殼內,一般不考慮維修,適用於作支路的保護開關,過電流脫扣器有熱磁式和電子式兩種,一般熱磁式塑殼斷路器為非選擇性斷路器,僅有過載長延時及短路瞬時兩種保護方式,電子式塑殼斷路器有過載長延時、短路短延時、短路瞬時和接地故障四種保護功能。部分電子式塑殼斷路器新推出的產品還帶有區域選擇性連鎖功能。大多數塑殼斷路器為手動操作,也有部分帶電動機操作機構。
標準
塑殼斷路器GB 14048.2-1994|低壓開關設備和控制設備 低壓斷路器
GB 16916.1-1997|家用和類似用途的不帶過電流保護的剩餘電流動作斷路器(RCCB) 第1部分:一般規則
GB 16916.21-1997|家用和類似用途的不帶過電流保護的剩餘電流動作斷路器(RCCB) 第2.1部分:一般規則對動作功能與線路電壓無關的RCCB的適用性
GB 16916.22-1997|家用和類似用途的不帶過電流保護的剩餘電流動作斷路器(RCCB) 第2.2部分:一般規則對動作功能與線路電壓有關的RCCB的適用性
GB 16917.1-1997|家用和類似用途的帶過電流保護的剩餘電流動作斷路器(RCBO) 第1部分:一般規則
GB 16917.21-1997|家用和類似用途的帶過電流保護的剩餘電流動作斷路器(RCBO) 第2.1部分:一般規則對動作功能與線路電壓無關的RCBO的適用性
GB 16917.22-1997|家用和類似用途的帶過電流保護的剩餘電流動作斷路器(RCBO) 第2.2部分:一般規則對動作功能與線路電壓有關的RCBO的適用性
GB 1984-1989|交流高壓斷路器 GB 4876-1985|交流高壓斷路器的線路充電電流開合試驗
GB 7675-1987|交流高壓斷路器的開合電容器組試驗
條件
空氣溫度
周圍空氣溫度上限+40℃;周圍空氣溫度下限-5℃;
周圍空氣溫度24h的平均值不超過+35℃。
海拔:安裝地點的海拔不超過2000m。
大氣條件
大氣相對濕度在周圍空氣溫度為+40℃時不超過50%;在較底溫度下可以有較高的相對濕度;最濕月的月平均最大相對濕度為90%,同時該月的月平均最低溫度+25℃,並考慮到因溫度變化發生在產品表面上的凝露。污染等級:污染等級為3級。
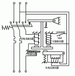
原理
低壓斷路器的主觸點是靠手動操作或電動合閘的。主觸點閉合後,自由脫扣機構將主觸點鎖在合閘位置上。過電流脫扣器的線圈和熱脫扣器的熱元件與主電路串聯,欠電壓脫扣器的線圈和電源並聯。
當電路發生短路或嚴重過載時,過電流脫扣器的銜鐵吸合,使自由脫扣機構動作,主觸點斷開主電路。
當電路過載時,熱脫扣器的熱元件發熱使雙金屬片上彎曲,推動自由脫扣機構動作,主觸點斷開主電路。
當電路欠電壓時,欠電壓脫扣器的銜鐵釋放,也使自由脫扣機構動作,主觸點斷開主電路。
當按下分勵脫扣按鈕時,分勵脫扣器銜鐵吸合,使自由脫扣機構動作,主觸點斷開主電路。
分類
低壓斷路器是按熄滅介質的不同分類的,利用空氣作為滅弧介質的斷路器,稱之為空氣斷路器(空氣開關);利用惰性氣體作為滅弧介質的斷路器,稱之為惰性氣體斷路器(惰性氣體開關);利用油作為滅弧介質的斷路器,稱之為油斷路器(油開關)。
參數
塑殼斷路器斷路器銘牌上的額定電壓是指斷路器主觸頭的額定電壓,是保證接觸器觸頭長期正常工作的電壓值。
(2)額定電流
接觸器銘牌上的額定電流是指路器主觸頭的額定電流,是保證接觸器觸頭長期正常工作的電流值。
⑶脫扣電流
脫扣電流是使過電流脫扣器動作的電流設定值,當電路短路或負載嚴重超載,負載電流大於脫扣電流時,斷路器主觸頭分斷。
⑷過載保護電流、時間曲線
過載保護電流、時間曲線,為反時限特性曲線,過載電流越大,熱脫扣器動作的時間就越短。
⑸欠電壓脫扣器線圈的額定電壓
欠電壓脫扣器線圈的額定電壓一定要等於線路額定電壓。
⑹分勵脫扣器線圈的額定電壓
分勵脫扣器線圈的額定電壓一定要等於控制控制電源電壓。
⑺額定極限短路分斷能力Icu
塑殼斷路器額定極限短路分斷能力Icu,是斷路器分斷能力極限參數,分斷幾次短路故障後,斷路器分斷能力將有所下降。
額定運行短路分斷能力Ics,是是斷路器的一種分斷指標,即分斷幾次短路故障後,還能保證其正常工作。
對塑殼式斷路器而言,Ics只要大於25%Icu就算合格,市場上斷路器的Ics大多數在(50%—75%)Icu之間。
⑻限流分斷能力
限流分斷能力是指電路發生短路時,斷路器跳閘時限制故障電流的能力。電路發生短路時,斷路器觸頭快速打開,產生電弧,相當於線上路中串入1個迅速增加的電弧電阻,從而限制了故障電流的增加,降低了短路電流的電磁效應、電動效應和熱效應對斷路器和用電設備的不良影響,延長斷路器的使用壽命。斷路器斷開時間越短,限流效果就越好,Ics就越接近Icu。
⑼微型斷路器的脫扣特性
斷路器脫扣特性分為A、B、C、D、K等幾種,各自的含義如下:
A型脫扣特性:脫扣電流為(2~3)In,適用於保護半導體電子線路,帶小功率電源變壓器的測量線路,或線路長且短路電流小的系統;
B型脫扣特性:脫扣電流為(3~5)In,適用於住戶配電系統,家用電器的保護和人身安全保護;
C型脫扣特性:脫扣電流為(5~10)In,適用於保護配電線路以及具有較高接通電流的照明線路和電動機迴路;
D型脫扣特性:脫扣電流為(10~20)In,適用於保護具有很高衝擊電流的設備,如變壓器、電磁閥等;
K型脫扣特性:具備1.2倍熱脫扣動作電流和8~14倍磁脫扣動作範圍,適用於保護電動機線路設備,有較高的抗衝擊電流能力。塑殼斷路器和萬能式斷路器的性能對照表
| 指標內容 | 萬能式斷路器 | 塑殼斷路器 |
| 額定電壓 | 較高 可至1140V | 較低 在660V以下 |
| 額定電流 | 一般在200~6300A | 多為600A以下 |
| 選擇性 | 有短延時 能滿足選擇性保護要求 | 大都無短延時 不能滿足選擇性保護要求 |
| 短路分斷能力 | 較高 | 較低 |
| 脫扣器設定 | 可裝設各種脫扣器以適應不同的保護要求 | 多數只有過流 失壓和分勵只能選裝其一 |
| 套用範圍 | 宜做主開關 | 宜做支路開關 |
| 操作方式 | 變化多 有手柄 槓桿電磁鐵和電動機操作 | 變化少 多為手柄 也有帶電機傳動機構 |
| 接觸防護 | 差 | 好 |
| 適修性 | 較方便 | 不便 多數不考慮維修 |
| 安裝方式 | 宜於開關櫃內安裝 有抽屜式結構 | 可單獨安裝 也可裝於開關櫃內 |
| 隔離性能 | 較好 | 較差 |
| 短時耐受電流 | 較大 | 較小 |
| 飛弧距離 | 較大 | 較小 |
| 外形尺寸 | 較大 | 較小 |
| 價格 | 較高 | 較低 |

