常用標準
GB 10963-1989|家用及類似場所用斷路器;
GB 14048.2-1994|低壓開關設備和控制設備 低壓斷路器;
GB 16916.1-1997|家用和類似用途的不帶過電流保護的剩餘電流動作斷路器(RCCB) 第1部分:一般規則;
GB 16916.21-1997|家用和類似用途的不帶過電流保護的剩餘電流動作斷路器(RCCB) 第2.1部分:一般規則對動作功能與線路電壓無關的RCCB的適用性;
GB 16916.22-1997|家用和類似用途的不帶過電流保護的剩餘電流動作斷路器(RCCB) 第2.2部分:一般規則對動作功能與線路電壓有關的RCCB的適用性;
GB 16917.1-1997|家用和類似用途的帶過電流保護的剩餘電流動作斷路器(RCBO) 第1部分:一般規則;
GB 16917.21-1997|家用和類似用途的帶過電流保護的剩餘電流動作斷路器(RCBO) 第2.1部分:一般規則對動作功能與線路電壓無關的RCBO的適用性;
GB 16917.22-1997|家用和類似用途的帶過電流保護的剩餘電流動作斷路器(RCBO) 第2.2部分:一般規則對動作功能與線路電壓有關的RCBO的適用性;
GB 1984-1989|交流高壓斷路器;
GB 4876-1985|交流高壓斷路器的線路充電電流開合試驗;
GB 7675-1987|交流高壓斷路器的開合電容器組試驗。
正常工作條件
1)周圍空氣溫度
周圍空氣溫度24h的平均值不超過+35℃
3)大氣條件:
大氣相對濕度在周圍空氣溫度為+40℃時不超過50%;在較底溫度下可以有較高的相對濕度;最濕月的月平均最大相對濕度為90%,同時該月的月平均最低溫度+25℃,並考慮到因溫度變化發生在產品表面上的凝露。
4)污染等級:污染等級為3極。
產品介紹
1 )ABB塑殼斷路器
ABB塑殼斷路器ABB設計的2種系列的塑殼斷路器:眾所周知的Isomax S系列和新開發的Tmax系列(在2003國際設計中,以其技術含量和環保而聞名)。此外,Tmax 更具有極高的性能水平:外形尺寸小,安裝簡單。再加上雙重絕緣,確保操作者安全。因其Tmax 斷路器的卓越性能以及脫扣器和附屬檔案的完整性,可使用在交流和直流用電工廠的主配電和子配電中。
Tmax 特性:Tmax系列技術高,採用了最先進的設計和模擬工具,保證在最小的外形尺寸上達到最優的性能。由於滅弧室採用最新科技和能夠加快分閘速度,Tmax系列斷路器可極大地限制允通能量、減少電流峰值,從而避免裝置過熱和降低電動應力。此外,Tmax系列斷路器使用了一套完全通用和標準的附屬檔案,具有很多優點:減少庫存、方便靈活和使用方便。它們皆可選配(使用電流高達500A的)新型剩餘電流脫扣器。(RC221, RC222, RC223)
套用領域:塑殼斷路器套用在工業和城市低壓工廠,工作電流從1 - 1000A。它們安裝在直流和交流配電櫃中,用於電機保護(電機控制中心)、發電機保護、電容器保護和終端用戶。
2 )施耐德塑殼斷路器
施耐德塑殼斷路器常見的有NSX、NSE、EZD、NSC系列產品。
舉例:NSX100N TMD100 3P3D
施耐德塑殼斷路器NSX---------產品系列 100---------額定電流大小,有100、250、250、400、630A
N------------分斷能力,有F為36KA N為50KA H為70KA L為100KA
TMD--------脫扣執行器,有TMD-熱磁脫扣器 MIC2.2 MIC5.2A 5.2E 6.2A 6.2E電子脫扣器
100---------實際電流100A下有16 25 32 40 50 63 80 100A
160A下有80 100 125 160A
250A下有125 160 200 250A
400A下有400A
630A下有630A
3P3D------極數 有3P2D 3P3D 4P3D 4P4D
3)良信塑殼斷路器
①NDM2-63~225系列塑殼式斷路器
良信塑殼斷路器NDM2系列塑膠外殼式斷路器(以下簡稱斷路器),電路中做不頻繁轉換及電動機不頻繁起動之用。斷路器具有過載、短路和欠電壓保護功能,能保護線路和電源設備不受損壞。
斷路器按照其額定極限短路分斷能力,分為C型(基本型)、L型(標準型)、M型(較高分斷型)、H型(高分斷型)四種。該斷路器具有體積小、分斷能力高、飛弧短、抗振動等特點。
斷路器可垂直安裝(即豎裝),亦可水平安裝(即橫裝)。
②NDM2-250~800系列塑殼式斷路器
NDM2系列塑膠外殼式斷路器(以下簡稱斷路器),其額定絕緣電壓為800V(NDM2-63為500V),適用於交流50Hz(或60Hz)電路中做不頻繁轉換及電動機不頻繁起動之用。斷路器具有過載、短路和欠電壓保護功能,能保護線路和電源設備不受損壞。
斷路器按照其額定極限短路分斷能力,分為C型(基本型)、L型(標準型)、M型(較高分斷型)、H型(高分斷型)四種。該斷路器具有體積小、分斷能力高、飛弧短、抗振動等特點。
電流監控儀表與塑殼開關配合實現“三遙”
工廠低壓配電系統中,存在著大量的電氣迴路,其中一些重要迴路需要實時測控以便故障發生後能夠及時查尋處理。目前普遍採用“第四代”低壓斷路器,它具有測量、控制等功能,但成本高,用戶很難接受。PZ96-AI3/KC 監控儀表利用其I/O(開關量輸入和輸出)模組、RS-485通信模組,與配有電動機操作機構的塑殼斷路器配合實現“遙測、遙信、遙控”功能,從而實現電氣迴路的智慧型控制。
技術指標
輸入信號:允許持續電流和電壓1.2倍,瞬時10倍過載電流/s,瞬時2倍過載電壓/s。
頻率:45~65Hz或直流;
測量精度等級:0.5或0.2級;
通信:RS485 Modbus-RT協U議,2400/4800/9600bit/s可設定;
顯示:LED顯示,範圍0~9999;
開關量輸入和輸出:2DI/2DO;
繼電器時間設定:電平方式或脈衝方式(0.001~10s);
繼電器接點:30V/5A、220V/5A;
電源電壓範圍:AC、DC 220 V,允許波動範圍85~290V,功耗:小於1.2VA;
工頻耐壓:電源與輸入和輸出之間2kV/min;
平均無故障工作時間MTBF:≥ 50000h;
工作溫度:-10~+55℃,存貯溫度:-25~70℃;
海拔:≤ 2000 m;
安裝方式:屏裝;
面框尺寸:96mm× 96mm;
開孔尺寸:88 mm× 88mm。
塑殼斷路器適用於做支路保護開關
塑殼斷路器也被成為裝置式斷路器,所有的零件都密封於外殼中,輔助觸點,欠電壓脫扣器以及分勵脫扣器等多採用模組化。由於結構非常緊湊,塑殼斷路器基本無法檢修。其多採用手動操作,大容量可選擇電動分合。由於電子式過電流脫扣器的套用,塑殼斷路器也可分為A類和B類兩種,B類具有良好的三段保護特性,但由於價格因素,採用電磁式脫扣器的A類產品的市場占有率更高。
塑殼斷路器是接地線端子外觸頭、滅弧室、脫扣器和操作機構等都裝在一個塑膠外殼內,一般不考慮維修,適用於作支路的保護開關,過電流脫扣器有電磁式和電子式兩種,一般電磁式塑殼斷路器為非選擇性斷路器,僅有長延時及瞬時兩種保護方式,電子式塑殼斷路器有長延時、短延時、瞬時和接地故障四種保護功能。部分電子式塑殼斷路器新推出的產品還帶有區域選擇性連鎖功能。大多數塑殼斷路器為手動操作,也有部分帶電動機操作。
典型套用
該表一般套用於0.4kV低壓配電的出線迴路中,測量迴路中的Ia、Ib、Ic三相電流及塑殼開關的合閘、分閘、故障狀態。
典型套用圖斷路器控制原理為電動機操作機構配有兩路正轉和反轉控制線圈,機械傳動機構將電動機轉動轉換為升降運動,從而帶動轉動手柄實現斷路器的合閘、分閘控制。當手柄撥為ON狀態,主電路閉合,輔助觸點動作。當手柄撥為OFF狀態,主電路斷開,輔助觸點復位。當脫扣器動作後,主電路斷開,報警觸點動作。
此控制步驟和方法如下:
1)按下SB1按鈕,儀表通電。
2)按下監控儀表面板上合閘按鈕,50、51合閘繼電器閉合,S2電機正轉線圈得電,斷路器閉合,21、24、31、34兩路輔助觸點動作,HG指示燈亮,儀表DI1指示燈亮,指示合閘狀態,50、51合閘繼電器復位。
3)按下監控儀表面板上分閘按鈕,52、53分閘繼電器閉合,S4電機反轉線圈得電,斷路器斷開,兩路輔助觸點復位,HG指示燈滅,儀表DI1指示燈滅,指示分閘狀態,52、53分閘繼電器復位。
控制連線圖4)當工作時,線路故障,斷路器保護脫扣,11、14報警輔助觸點閉合,KM接觸器線圈得電,保護電路工作,同時儀表檢測到接觸器的輔助觸點動作,DI1指示燈滅,DI2指示燈亮,指示故障狀態。
5)計算機控制中心,可以通過RS485匯流排,Modbus-RTU協定,對儀表實時的監測和控制斷路器的合閘和分閘。
除了在硬體上對斷路器的控制之外,監控儀表軟體實現了信號處理、開閘和合閘密碼鎖定、功能互鎖、繼電器動作時間設定等功能。結合上位機軟體,從而實現了遠程信號測量、繼電器控制、觸點狀態反饋的“三遙”功能。
ACM簡介
ACM的套用
《低壓配電設計規範》(GB 50054-95)第4.3.5條:“突然斷電比過負載造成的損失更大的線路,其過負載保護應作用於信號而不應作用於切斷電路。”該條條文說明:“線路的過負載畢竟還未成短路,短時間的過負載並不立即引起災害,在某些情況下可讓導體超過允許溫度運行,也即犧牲一些使用壽命以保證對某些負荷的供電不中斷,如消防水泵之類的負荷,這時保護可作用於信號。”
《民用建築電氣設計規範》JGJ 16-2008第7.6.5條第4款規定,“突然斷電比過負荷造成的損失更大的線路,其過負荷保護應作用於信號而不應切斷電路”,這是一條強制性條文,必須遵守。過負荷保護的對象有兩個:一個是消防設備,即電動機;另一個是給這些消防設備配電的線路。
在配電設計中常用的有微型斷路器和塑殼斷路器。其中微型斷路器主要套用於家用及類似場所的過電流保護,額定電流不超過125A;工業類場合使用的多為塑殼斷路器。根據GB10963.1-2005、GB14048.2-2008以上類型的斷路器都有其動作斷開特性,見表1:
表1 配電用過負荷保護特性
| 試驗電流名稱 | 整定電流倍數 (塑殼斷路器例) | 約定時間 | 起始 狀態 | |
| 約定不動作電流 | 1.05 | ≥1h(In≤63A) | ≥2h(In≥63A) | 從冷態開始 |
| 約定動作電流 | 1.3 | <1h(In≤63A) | <2h(In≥63A) | 從熱態開始 |
由表1可得,一旦配電線路中的電流超過一定的倍數,斷路器會在約定的時間內動作,從而切斷負載電流。但是,正如上述“突然斷電會導致比過負荷而造成的損失更大的”線路或電動機場合,是不允許切斷供電電源的,因此,在這些迴路中,我們需要一種裝置,能夠針對不同類型的斷路器的脫扣特性,例如通過電流互感器檢測線路的過電流,並儘可能模擬斷路器的過載脫扣特性,提供一個過載報警信號,提醒用戶線路出現了過負荷,及時採取措施,一方面防止由於斷路器跳閘而產生更大的損失,以滿足規範的規定,另一方面提醒人們即時排查防止更大的故障。
基本原理
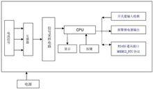
1)監控裝置的原理
ACM硬體原理框圖ACM配電線路過負荷監控裝置,採用最新的32位單片機技術,具有抗干擾能力強,工作穩定可靠、數位化、網路化等特點。通過檢測線路的電流,實現配電迴路的兩段式報警。該監控裝置可具有電流、電壓、有功功率、無功功率、視在功率、功率因數、漏電流測量功能、電流2~15次諧波分析功能、內置蜂鳴器、指示燈報警功能、報警事件記錄、RS485 Modbus-RTU、Profibus-DP協定通訊接口、開關量輸入、可程式繼電器輸出、DC4~20mA模擬量輸出等功能,方便與PLC、工控機等工控設備組成網路,實現線路運行的遠程監控。
2)主要功能
① 負載電流監控
配電迴路中,監控裝置可分別與微型斷路器、塑殼斷路器配合使用(此時的斷路器應為單磁脫扣斷路器),報警段見表2。以塑殼斷路器為例,負載電流超過報警1段過載值1.05In時,報警1瞬動報警;負載電流超過報警2段過載值1.3In時,在(1.3~4)In範圍時,報警延時報警,遵循反時限原則,負載電流越大,報警延時時間越短。時間電流曲線如圖1所示,1.3In動作時間可設定。
表2 配電線路保護電器類型
| 配電線路保護電器類型 | 1段報警 | 2段報警 |
| 微型斷路器 | 1.13In | 1.45In |
| 塑殼斷路器 | 1.05In | 1.3In |
② 漏電流監控
通過測量主迴路中的漏電流,對漏電流進行監控,通過D01(95,96)繼電器或內部蜂鳴器報警。
③ 測量功能
具有測量相電壓、線電壓、相電流、電流與額定電流的過載百分比、有功功率、無功功率、功率因數、頻率、漏電流和諧波的功能。
實際中的套用
ACM配電線路監控裝置的原理圖在圖中,ACM監控裝置和塑殼斷路器配合使用的,塑殼斷路器有單磁和熱磁兩種,單磁斷路器只具有短路保護功能,無熱過載保護,在這種情況下,線路中如有過載現象,斷路器不會動作,ACM監控裝置會根據不同過載程度分別發出報警信號,提醒現場維護人員,也可遠傳至控制中心。熱磁塑殼斷路器既具有短路保護又具有熱過載保護,此時,ACM監控裝置僅可作為報警功能作用,當檢測到電流達到設定閾值後,內部繼電器動作。
監控裝置配套電流互感器使用安科瑞AKH-0.66系列電流互感器 ,若配電線路的額定電流為32A,互感器選用AKH-0.66-60/5,該型號互感器具有2In範圍測量,監控裝置最大可持續測量電流達到10A,因此裝置最大可監測4倍的過載電流。對於需要監測剩餘電流迴路的場合還需加裝AKH-0.66L系列剩餘電流互感器 。當配電線路電流超過1段報警閾值時,繼電器(7、8)閉合,1段報警輸出,KA1線圈得電,PGR燈光報警;當負載程度增大,達到2段報警閾值時,繼電器(9,10)閉合,2段報警輸出,KA2線圈得電,PG聲報警。當按下聲光報警解除按鈕或負載電流降低後,報警狀態解除。開關量輸入可把斷路器的分合閘和脫扣狀態上傳至後台控制中心,另可增加一路可程式繼電器繼電器作為遠程控制或漏電流報警輸出等使用,具體使用可參考ACM過負荷監控裝置說明。

