簡介
特斯拉線圈,是塞爾維亞籍科學家尼古拉·特斯拉於1891年發明,用來演示無線輸電以及高頻高壓交流電特性的裝置。特斯拉生活的年代沒有半導體電晶體,所以他發明的線圈是比較落後的SGTC(火花間隙特斯拉線圈,Spark Gap Tesla Coil),效率較低,且噪音巨大。現代的愛好者們根據特斯拉線圈的本質的原理(LC振盪),發明了固態特斯拉線圈(Solid State Tesla Coil,簡稱sstc)。固態特斯拉線圈有效率高、噪音小、壽命長等優點,而且由於固態特斯拉線圈的結構特點,它可以通過一個電路輸入音頻,使特斯拉線圈的電弧直接推動空氣發聲,這使得特斯拉線圈成為了一件藝術品。而後來的人在SSTC的基礎上,發明了DRSSTC(雙諧振固態特斯拉線圈,Double Resonance Solid State Tesla Coil)。它給初級線圈串聯了MMC(諧振電容),和初級線圈的電流構成了共振,初級線圈內部的電流更大,使電弧效果進大幅提高。
早期的SGTC
SGTC通過一個打火器來控制電路,它的功能相當於一個開關。但是,由於本身結構的原因,打火器在工作時發熱比較嚴重,甚至有時會由於溫度過高融化。
SGTC的工作過程:
SGTC電路特斯拉線圈需要達到“諧振”的狀態,才能達到最大的功率。所謂諧振,就是初級部分LC振盪頻率和次級部分LC振盪頻率一致。由於LC振盪頻率僅僅由電容容量和電感的電感量決定,且在公式里它們是相乘的關係,進行諧振計算的公式可以簡化為L1C1=L2C2。其中,L1為初級線圈電感量,C1為主電容容量,L2為次級線圈電感量,C2為頂端對地等效電容容量。
SGTC本身存在壽命短、效率低、噪音大的問題,已經無法滿足眾多愛好者的需要。於是,固態特斯拉線圈應運而生。
固態特斯拉線圈
概況現代的愛好者們,根據特斯拉線圈由LC振盪接收能量的原理,設計出了極具現代感的SSTC。早期的SSTC玩家大多數都是外國人。
彼得·特倫的SSTC固態特斯拉線圈還可以通過音頻來控制,使電路推動空氣發聲。
固態特斯拉線圈是通過晶片的振盪來產生高頻交流電的。由於固態特斯拉線圈的工作比較好控制,固態特斯拉線圈有兩種:定頻和追頻。定頻,即初級部分只能發射出一個固定的頻率;而追頻,就是初級部分會根據次級部分的LC振盪頻率自動調整發射頻率,從而達到完美的諧振。目前,追頻SSTC已經成為固態特斯拉線圈的主流。定頻
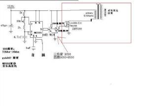
最簡單的SSTC電路其中,ne555是頻率源,即產生高頻信號的晶片。它通過8、7腳上的電阻和6腳上的電容來控制輸出頻率,對於它的原理,在此不作過多解釋。
555定時器由3腳輸出高頻信號。在此電路圖中,輸出的信號經過3個電晶體的放大,輸入到一個MOSFET(金屬氧化物場效應電晶體)的門極,經過放大,在初級線圈輸出強度較高的高頻電磁波,被次級線圈接收,由於LC振盪,在次級線圈中產生電流,從而產生電弧。
製作定頻SSTC,需要使晶片輸出的頻率和次級部分的LC振盪頻率一致,才能諧振。所以,此電路圖中,7腳上的電阻用一個定值電阻和一個電位器代替,可以比較方便地調節輸出頻率,從而諧振。
特別說明,如果按照這張電路圖的參數製作,輸出的頻率對於一般的SSTC來講有點低了,所以儘量不要按照這張圖的數據來製作。追頻
定頻電路有它本身的缺點,於是追頻電路誕生了。
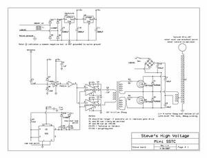
Steve的追頻SSTC首先,對次級線圈發射一些能量,使它內部有高頻交流電(LC振盪),然後會發射出電磁波。電磁波被天線接收(圖中的Antenna),經過兩個邏輯門成為正電壓的信號,然後輸入兩枚功率放大晶片,再通過GDT(Gate Driver Transformer,門驅動變壓器)輸入到一個半橋(功率放大電路,後面會詳細地講)中,產生強度較高的電磁波,被次級線圈接收。此時次級線圈內再次有了能量,會以電磁波的形式發射出來,輸入天線,於是就這樣循環下去了。
追頻電路是由次級LC振盪迴路直接採集頻率信息,從而發射電磁波,於是可以達到完美的諧振。
功率放大電路
單管如同上面第一張SSTC電路圖,它是用單個場效應管來進行功率放大的,功率有限且輸出為脈衝直流電。
半橋半橋是由兩個功率放大管和兩個電容構成的功率放大電路,效果比單管好很多。
“對與大多數玩了SGTC的人來說都想玩更高級的SSTC/DRSSTC,但是許多人在這是就會遇到困難,在這裡我給那些新人們講講功率電路
紅色表示高壓 藍色低壓 黃色為中間壓
半橋1然後當開關管打開時,大量的正電荷流向電容的負極,在電流的流動中經過了初級線圈。
半橋2
半橋3這種有兩個開關管的我們叫它半橋,它的特點是只要兩個開關管省錢,由於在充電時有兩個電容串聯,因此放電的電壓只有輸入電壓的一半。 ”全橋
如果用兩個功率管代替兩個電容,就成了全橋。它的功率又高於半橋。
全橋1
全橋2全橋為4個功率管成對角線打開,電壓為滿電壓,所以效果比半橋好。
雙諧振
在固態特斯拉線圈的基礎上,愛好者們發明了雙諧振固態特斯拉線圈,即DRSSTC,它的初級線圈串聯的電容,而電容和初級線圈構成的LC振盪可以和驅動板輸出的信號構成共振,瞬間的電流很大,這使線圈的電弧更加壯觀。
基本原理假設一個SSTC的頻率源的頻率是500kHz,這時,我們將一個電容串聯到初級線圈上,然後,經過計算,使電容的容量和初級線圈的電感量構成LC振盪,頻率也是500kHz。
我們不妨做一個有趣的實驗。一個體重很大的人坐在鞦韆上,開始時,他相對於地面靜止。我們假設他在擺動時不會受到任何阻力的影響。這時,一個小孩來推他。我們可以知道,這個小孩的力量很小,每次只能給這個人增加10J的動能。假設這個人有了10J的動能後,向前擺了起來。但是,10J的動能真是太小了,他很快就盪了回來。這個小孩看準時機,在他擺回來後,又剛剛開始向前擺動的時候,推了他一下。這個小孩再次對他做了10J的功,然後他在向前擺動時,就有了20J的動能。如此下去,每一次都會增加10J的動能,一次次下去,這個數字將會是很驚人的。
DRSSTC就是這樣。當電流流過初級線圈時,就會給電容充電。這時,電容的兩個極板有了一定的電勢差。然後由於LC振盪,它立即放出了電流,並很快將電流的方向反轉。就在它反轉的一瞬間,初級線圈的電流沿著和反轉後的電流方向一致的方向流了過來。
如同那個鞦韆。那個鞦韆里的人受到一次次恰到好處的力,一次次地擺回來,和小孩推鞦韆的頻率達成了共振。
現在,初級線圈裡的電流和電容的電流也達成了共振(不過在電路里,這個狀態通常稱為諧振),電壓越來越高,電流越來越大。
在鞦韆實驗裡,如果小孩的做功長時間持續下去,總有一天那個人會飛出去。
同樣的,在DRSSTC里,如果共振的時間過長,就會導致電壓過高,擊穿開關管。由於電路的頻率十分高,開關管將會在不到一秒內炸開。該如何解決這個問題呢?
如果小孩在推到一定程度時,都有一個大力士來把那個鞦韆上的人按住,使他停止擺動,恢復靜止。這樣,他就不會飛出去了。靜止後,小孩可以繼續一次次推的動作,而大力士總會在恰當的時間把鞦韆上的人按住。這樣,就安全了。
沒錯,這就是滅弧電路的原理。當共振開始後,電壓逐漸升高,高到一定程度時,滅弧電路開始發揮作用,它發出一個信號使驅動板輸入GDT的信號終止(如果是單管,就終止輸入到功率管基極或門極的信號,不過很少有人用單管做DRSSTC),共振就停止了。電容開始釋放掉它的能量,從頭再來。事實上,一般的滅弧信號都是發出一個正脈衝,使驅動板工作,當脈衝停止時,就終止信號。由於DRSSTC的電容,這個滅弧頻率必須掌握好,否則只有一個後果:開關管爆炸。一般,滅弧器都是由晶片構成的,很少有人用手來做這個動作。
當然,還有一些比較奇特的滅弧方式。比如科創論壇的圈圈,就曾經使用市電整流不加濾波的方式代替滅弧器。效果應該是還可以的。
如果採用定頻的方式,可能不能保證電容和驅動板的信號完美諧振。Steve Ward發明了初級反饋的方式,使得DRSSTC的初級部分可以完美地諧振。具體方式和追頻SSTC的次級反饋類似,不過反饋的來源換成了初級線圈。
它用一個互感器將初級線圈和驅動板相連,直接採集初級線圈和電容的LC振盪頻率作為發出高頻電的信號。這樣,保證了初級電容和驅動板的共振。
但這樣也有缺點,在調整好初級的諧振後,就要調整初級和次級之間的諧振了,這是個麻煩的過程。但是,當你耗費精力做好一個DRSSTC,一切塵埃落定,按下開關,看到沒有SGTC的噪音卻有SGTC的壯觀程度的電弧,你會發現,這一切努力都是值得的。
其它類型的固態特斯拉線圈
事實上,除了SGTC,其它類型的特斯拉線圈都是固態的(截至目前)。
除了SGTC、SSTC、DRSSTC,還有VTTC和OLTC。
真空管特斯拉線圈,Vacuum Tube Tesla Coil,簡稱VTTC。
當電子管逐漸退出我們的視野時,一群電子管發燒友用它們做出了VTTC。電子管本身有高頻性能好等等優點,所以做出的VTTC效果十分獨特。但是,不可否認,電子管本身有造價高、壽命低、效率低、發熱嚴重以及極易損壞等缺點,VTTC未能大範圍流行。
基本原理,類似於電晶體的自激。
VTTC的效果很奇特,電弧很直,像利劍一樣。有時候,電弧四處散開,如同禮花彈一般。
離線式特斯拉線圈,Off Line Tesla Coil,簡稱OLTC。
當我們把SGTC的打火器去掉,換成一個MOSFET或者IGBT來代替,並在用一個二極體反向並聯在D極和S極(如果是IGBT,就是C極和E極)上,並用一個固態的電路來控制這個開關管,再加以低壓驅動,就成了OLTC。
它的本質原理依然是LC振盪,且和SGTC幾乎相同,不同的地方,就是把打火器換成了固態開關,並使用了低壓驅動。其它地方沒有太多區別。
由於是低壓驅動,無法形成太大的電流,所以OLTC的電弧是不如SGTC壯觀的。
總結
固態特斯拉線圈,修正了傳統的SGTC的很多缺點,又增加了很多新功能,比如音樂滅弧等。不過,由於固態特斯拉線圈需要功率管進行放大信號,所以功率管的功率直接影響到線圈的功率,而功率管的功率是和價格成正比的。
SSTC也有缺點,比如,同輸出功率下,SSTC的電弧成簇狀,且明顯不如SGTC壯觀。這時,可以加上一個滅弧器來模仿SGTC的工作,電弧可以長一些。而DRSSTC由於有了諧振電容,兼具了SSTC噪音小、壽命長和SGTC電弧壯觀的優點,受到大量愛好者的推崇。
SSTC容易將人的皮膚燒傷。儘管有高頻電的趨膚效應,但是高壓電擊穿空氣產生的高溫不可忽視。如果功率較小,SGTC的電弧是可以直接用手接觸的(注意!一般不要這樣做),我曾親自試過幾次。而同功率的SSTC卻可以把人的皮膚燒傷,這也是我的親身經歷(燒傷不嚴重,只是手上燒出一個小小的黑點)。而DRSSTC的電弧也是很危險的,據說可以電死老鼠(未經過實驗證明,但這是有可能的)。
無論如何,無論是何種的特斯拉線圈,大家都要特別注意安全。畢竟是高壓電。
