特點功能
特點
555定時器成本低,性能可靠,只需要外接幾個電阻、電容,就可以實現多諧振盪器、單穩態觸發器及施密特觸發器等脈衝產生與變換電路。它也常作為定時器廣泛套用於儀器儀表、家用電器、電子測量及自動控制等方面。555 定時器的內部電路框圖如右圖所示。
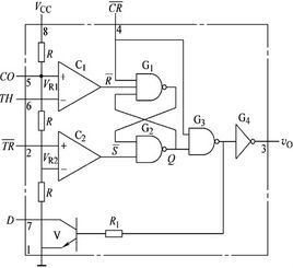
它內部包括兩個電壓比較器,三個等值串聯電阻,一個 RS 觸發器,一個放電管 T 及功率輸出級。它提供兩個基準電壓VCC /3 和 2VCC /3
功能
555 定時器的功能主要由兩個比較器決定。兩個比較器的輸出電壓控制RS 觸發器和放電管的狀態。在電源與地之間加上電壓,當 5 腳懸空時,則電壓比較器 C1 的同相輸入端的電壓為 2VCC /3,C2 的反相輸入端的電壓為VCC /3。若觸發輸入端 TR 的電壓小於VCC /3,則比較器 C2 的輸出為 0,可使 RS 觸發器置 1,使輸出端 OUT=1。如果閾值輸入端 TH 的電壓大於 2VCC/3,同時 TR 端的電壓大於VCC /3,則 C1 的輸出為 0,C2 的輸出為 1,可將 RS 觸發器置 0,使輸出為低電平。
它的各個引腳功能如下:
1腳:外接電源負端VSS或接地,一般情況下接地。
2腳:低觸發端TR。
3腳:輸出端Vo
4腳:是直接清零端。當此端接低電平,則時基電路不工作,此時不論TR、TH處於何電平,時基電路輸出為“0”,該端不用時應接高電平。
5腳:VC為控制電壓端。若此端外接電壓,則可改變內部兩個比較器的基準電壓,當該端不用時,應將該端串入一隻0.01μF電容接地,以防引入干擾。
6腳:高觸發端TH。
7腳:放電端。該端與放電管集電極相連,用做定時器時電容的放電。
8腳:外接電源VCC,雙極型時基電路VCC的範圍是4.5 ~ 16V,CMOS型時基電路VCC的範圍為3 ~ 18V。一般用5V。
在1腳接地,5腳未外接電壓,兩個比較器A1、A2基準電壓分別為的情況下,555時基電路的功能表如表6—1示。
表6—1 555定時器的功能表
| 清零端 | 高觸發端TH | 低觸發端TR | Q | 放電管T | 功能 |
| 0 | × | × | 0 | 導通 | 直接清零 |
| 1 | 0 | 1 | x | 保持上一狀態 | 保持上一狀態 |
| 1 | 1 | 0 | 1 | 截止 | 置1 |
| 1 | 0 | 0 | 1 | 截止 | 置1 |
| 1 | 1 | 1 | 0 | 導通 | 清零 |
發展歷程
555定時器是美國Signetics公司1972年研製的用於取代機械式定時器的中規模積體電路,因輸入端設計有三個5kΩ的電阻而得名。此電路後來竟風靡世界。目前,流行的產品主要有4個:BJT兩個:555,556(含有兩個555);CMOS兩個:7555,7556(含有兩個7555)。
555定時器可以說是模擬電路與數字電路結合的典範。
兩個比較器 C1和 C2各有一個輸入端連線到三個電阻R組成的分壓器上,比較器的輸出接到RS觸發器上。此外還有輸出級和放電管。輸出級的驅動電流可達200mA。
比較器C1和C2的參考電壓分別為UA和UB,根據C1和C2的另一個輸入端——觸發輸入和閾值輸入,可判斷出RS觸發器的輸出狀態。當復位端為低電平時,RS觸發器被強制復位。若無需復位操作,復位端應接高電平。
套用
555的套用:
555定時器(1)構成施密特觸發器,用於TTL系統的接口,整形電路或脈衝鑒幅等;
(2)構成多諧振盪器,組成信號產生電路;
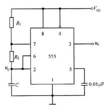
如右圖,
振盪周期: T=0.7(R1+2R2)C
(3)構成單穩態觸發器,用於定時延時整形及一些定時開關中。
555套用電路採用這3種方式中的1種或多種組合起來可以組成各種實用的電子電路,如定時器、分頻器、脈衝信號發生器、元件參數和電路檢測電路、玩具遊戲機電路、音響告警電路、電源交換電路、頻率變換電路、自動控制電路等。
實例
單穩態電路
前面介紹的雙穩態觸發器具有兩個穩態的輸出狀態並且兩個狀態始終相反。而單穩態觸發器只有一個穩態狀態。在未加觸發信號之前,觸發器處於穩定狀態,經觸發後,觸發器由穩定狀態翻轉為暫穩狀態,暫穩狀態保持一段時間後,又會自動翻轉回原來的穩定狀態。單穩態觸發器一般用於延時和脈衝整形電路。
555定時器接通電源後,未加負脈衝 ,而C充電, Vc上升,當Vc=2Vcc/3 時,RS電路輸出為低電平,放電管T導通,Vc快速放電, 使 Vc= 0。這樣,在加負脈衝前, 輸出為低電平,即Vo= 0,這是電路的穩態。在t = t0時刻 Vi負跳變( Vi端電平小於 Vcc/3),而 Vc= 0(TH端電平小於2Vcc/3 ),所以輸出Vo 翻為高電平,T截止,VC充電。 按指數規律上升。t = t1時, 負脈衝消失。t = t2時 Vc上升到2Vcc/3(此時TH端電平大於2Vcc/3 , TR端電平大於Vcc/3 ), Vo又自動翻為低電平。
在tw這段時間電路處於暫穩態。t > t2,T導通,C快速放電,電路又恢復到穩態。由分析可得:
555定時器輸出正脈衝寬度 tW = 1.1RC
注意:圖6—3(a)電路只能用窄負脈衝觸發,即觸發脈衝寬度ti必須小於tW
555定時器用於實際中的實例有:能發出“叮、咚”聲門鈴的電路和鏇光彩燈控制電路
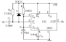
555定時器555定時器單穩態觸發器圖8-2 555構成單穩態觸發器上圖8-2為由555定時器和外接定時元件R、C構成的單穩態觸發器。D為鉗位二極體,穩態時555電路輸入端處於電源電平,內部放電開關管T導通,
輸出端Vo輸出低電平,當有一個外部負脈衝觸發信號加到Vi端。並使2端電位瞬時低於1/3VCC,低電平比較器動作,單穩態電路即開始一個穩態過程,電容C開始充電,Vc按指數規律增長。當Vc充電到2/3VCC時,高電平比較器動作,比較器A1翻轉,輸出Vo從高電平返回低電平,放電開關管T重新導通,電容C上的電荷很快經放電開關管放電,暫態結束,恢復穩定,為下個觸發脈衝的來到作好準備。波形圖見圖8-3。圖8-3 單穩態觸發器波形圖
暫穩態的持續時間Tw(即為延時時間)決定於外接元件R、C的大小。
Tw=1.1RC
通過改變R、C的大小,可使延時時間在幾個微秒和幾十分鐘之間變化。當這種單穩態電路作為計時器時,可直接驅動小型繼電器,並可採用復位端接地的方法來終止暫態,重新計時。此外需用一個續流二極體與繼電器線圈並接,以防繼電器線圈反電勢損壞內部功率管。
多諧振盪器
多諧振盪器又稱為無穩態觸發器,它沒有穩定的輸出狀態,只有兩個暫穩態。在電路處於某一暫穩態後,經過一段時間可以自行觸發翻轉到另一暫穩態。兩個暫穩態自行相互轉換而輸出一系列矩形波。多諧振盪器可用作方波發生器。
555定時器接通電源後,輸出假定是高電平,則T截止,電容C充電。充電迴路是VCC—R1—R2—C—地,按指數規律上升,當上升到2Vcc/3時(TH、端電平大於Vc),輸出翻轉為低電平。Vo是低電平,T導通,C放電,放電迴路為C—R2—T—地,按指數規律下降,當下降到Vcc/3時(TH、端電平小於Vc),輸出翻轉為高電平,放電管T截止,電容再次充電,如此周而復始,產生振盪,經分析可得
輸出高電平時間 T=(R1+R2)Cln2
輸出低電平時間T=R2Cln2
振盪周期 T=(R1+2R2)Cln2
輸出方波的占空比 為
555定時器套用電路
555定時器設計
555定時器由Hans R. Camenzind於1971年為西格尼蒂克公司設計。西格尼蒂克公司後來被飛利浦公司所併購。
不同的製造商生產的555晶片有不同的結構,標準的555晶片集成有25個電晶體,2個二極體和15個電阻並通過8個引腳引出(DIP-8封裝)。555的派生型號包括556(集成了兩個555的DIP-14晶片)和558與559。
NE555的工作溫度範圍為0-70°C,軍用級的SE555的工作溫度範圍為−55到+125 °C。555的封裝分為高可靠性的金屬封裝(用T表示)和低成本的環氧樹脂封裝(用V表示),所以555的完整標號為NE555V、NE555T、SE555V和SE555T。一般認為555晶片名字的來源是其中的三枚5KΩ電阻,但Hans Camenzind否認這一說法並聲稱他是隨意取的這三個數字。
555還有低功耗的版本,包括7555和使用CMOS電路的TLC555。7555的功耗比標準的555低,而且其生產商宣稱7555的控制引腳並不像其他555晶片那樣需要接地電容,同時供電與地之間也不需要消除毛刺的去耦電容。
用途
555定時器可工作在三種工作模式下:
單穩態模式:在此模式下,555功能為單次觸發。套用範圍包括定時器,脈衝丟失檢測,反彈跳開關,輕觸開關,分頻器,電容測量,脈衝寬度調製(PWM)等。
無穩態模式:在此模式下,555以振盪器的方式工作。這一工作模式下的555晶片常被用於頻閃燈、脈衝發生器、邏輯電路時鐘、音調發生器、脈衝位置調製(PPM)等電路中。如果使用熱敏電阻作為定時電阻,555可構成溫度感測器,其輸出信號的頻率由溫度決定。
雙穩態模式(或稱施密特觸發器模式:在DIS引腳空置且不外接電容的情況下,555的工作方式類似於一個RS觸發器,可用於構成鎖存開關。

