發展歷史
555計時器於1971年由西格尼蒂克公司推出,由於其易用性、低廉的價格和良好的可靠性,直至今日仍被廣泛套用於電子電路的設計中。許多廠家都生產555晶片,包括採用雙極型電晶體的傳統型號和採用CMOS設計的版本。555被認為是當前年產量最高的晶片之一,僅2003年,就有約10億枚的產量。
設計
555定時器由Hans R. Camenzind於1971年為西格尼蒂克公司設計。西格尼蒂克公司後來被飛利浦公司所併購。
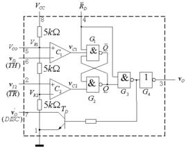
不同的製造商生產的555晶片有不同的結構,標準的555晶片集成有25個電晶體,2個二極體和15個電阻並通過8個引腳引出(DIP-8封裝)。555的派生型號包括556(集成了兩個555的DIP-14晶片)和558與559。
NE555的工作溫度範圍為0-70°C,軍用級的SE555的工作溫度範圍為−55到+125 °C。555的封裝分為高可靠性的金屬封裝(用T表示)和低成本的環氧樹脂封裝(用V表示),所以555的完整標號為NE555V、NE555T、SE555V和SE555T。一般認為555晶片名字的來源是其中的三枚5KΩ電阻,但Hans Camenzind否認這一說法並聲稱他是隨意取的這三個數字。
555還有低功耗的版本,包括7555和使用CMOS電路的TLC555。7555的功耗比標準的555低,而且其生產商宣稱7555的控制引腳並不像其他555晶片那樣需要接地電容,同時供電與地之間也不需要消除噪聲的去耦電容。
用途
555定時器可工作在三種工作模式下:
•單穩態模式:在此模式下,555功能為單次觸發。套用範圍包括定時器,脈衝丟失檢測,反彈跳開關,輕觸開關,分頻器,電容測量,脈衝寬度調製(PWM)等。
•無穩態模式:在此模式下,555以振盪器的方式工作。這一工作模式下的555晶片常被用於頻閃燈、脈衝發生器、邏輯電路時鐘、音調發生器、脈衝位置調製(PPM)等電路中。如果使用熱敏電阻作為定時電阻,555可構成溫度感測器,其輸出信號的頻率由溫度決定。
•雙穩態模式(或稱施密特觸發器模式):在DIS引腳空置且不外接電容的情況下,555的工作方式類似於一個RS觸發器,可用於構成鎖存開關。
單穩態模式
在單穩態工作模式下,555定時器作為單次觸發脈衝發生器工作。當觸發輸入電壓降至 V的1/3時開始輸出脈衝。輸出的脈寬取決於由定時電阻與電容組成的RC網路的時間常數。當電容電壓升至 V的2/3時輸出脈衝停止。根據實際需要可通過改變RC網路的時間常數來調節脈寬。
輸出脈寬 t,即電容電壓充至 V的2/3所需要的時間由下式給出:
555計時器雖然一般認為當電容電壓充至 V的2/3時電容通過OC門瞬間放電,但是實際上放電完畢仍需要一段時間,這一段時間被稱為“弛豫時間”。在實際套用中,觸發源的周期必須要大於弛豫時間與脈寬之和(實際上在工程套用中是遠大於)。
雙穩態模式
雙穩態工作模式下的555晶片類似基本RS觸發器。在這一模式下,觸發引腳(引腳2)和復位引腳(引腳4)通過上拉電阻接至高電平,閾值引腳(引腳6)被直接接地,控制引腳(引腳5)通過小電容(0.01到0.1μF)接地,放電引腳(引腳7)浮空。所以當引腳2輸入高(有誤應為低)電壓時輸出置位,當引腳4接地時輸出復位。
無穩態模式
無穩態工作模式下555定時器可輸出連續的特定頻率。
功能作用
555計時器的特點:
1.直接替換 SE555/NE555。
2.定時時間從微秒級到小時級。
3.可工作於無穩態和單穩態兩種方式。
4.可調整占空比。
5.輸出端可接收和提供 200mA 電流。
6.輸出電壓與 TTL 電平兼容。
7.溫度穩定性好於 0.005%/℃。

