簡介
ne555NE555是屬於555系列的計時IC的其中的一種型號,555系列IC的接腳功能及運用都是相容的,只是型號不同的因其價格不同其穩定度、省電、可產生的振盪頻率也不大相同;而555是一個用途很廣且相當普遍的計時IC,只需少數的電阻和電容,便可產生數位電路所需的各種不同頻率之脈波訊號。
生產廠家
NE555生產廠家其中主要由此5家廠家、5大品牌技術商生產,NXP恩智浦、TI德儀、NEC日電、ST意法半導體、FAIRCHILD仙童(排名不分先後)。
主要特點
1.只需簡單的電阻器、電容器,即可完成特定的振盪延時作用。其延時範圍極廣,可由幾微秒至幾小時之久。
2.它的操作電源範圍極大,可與TTL,CMOS等邏輯電路配合,也就是它的輸出電平及輸入觸發電平,均能與這些系列邏輯電路的高、低電平匹配。
3.其輸出端的供給電流大,可直接推動多種自動控制的負載。
4.它的計時精確度高、溫度穩定度佳,且價格便宜。
引腳位
圖1-2 NE555接腳圖
ne555的結構圖Pin 1 (接地) -地線(或共同接地) ,通常被連線到電路共同接地。
Pin 2 (觸發點) -這個腳位是觸發NE555使其啟動它的時間周期。觸發信號上緣電壓須大於2/3 VCC,下緣須低於1/3 VCC 。
Pin 3 (輸出) -當時間周期開始555的輸出腳位,移至比電源電壓少1.7伏的高電位。周期的結束輸出回到O伏左右的低電位。於高電位時的最大輸出電流大約200 mA 。
Pin 4 (重置) -一個低邏輯電位送至這個腳位時會重置定時器和使輸出回到一個低電位。它通常被接到正電源或忽略不用。
Pin 5 (控制) -這個接腳準許由外部電壓改變觸發和閘限電壓。當計時器經營在穩定或振盪的運作方式下,這輸入能用來改變或調整輸出頻率。
Pin 6 (重置鎖定) - Pin 6重置鎖定並使輸出呈低態。當這個接腳的電壓從1/3 VCC電壓以下移至2/3 VCC以上時啟動這個動作。
Pin 7 (放電) -這個接腳和主要的輸出接腳有相同的電流輸出能力,當Pin3為低電平時,Pin7對地為低阻態(對地導通),當Pin3為高電平時,Pin7對於為高阻態
Pin 8 (V +) -這是555計時器IC的正電源電壓端。供應電壓的範圍是+4.5伏特(最小值)至+16伏特(最大值)。
參數功能
·供應電壓4.5-18V
·供應電流10-15mA
·輸出電流225mA (max)
·上升/下降時間100 ns
相關套用
NE555的作用範圍很廣,但一般多套用於單穩態多諧振盪器(Monostable Multivibrator)及無穩態多諧振盪器(Astable Multivibrator)。下面是NE555的典型套用電路。
多諧振盪器
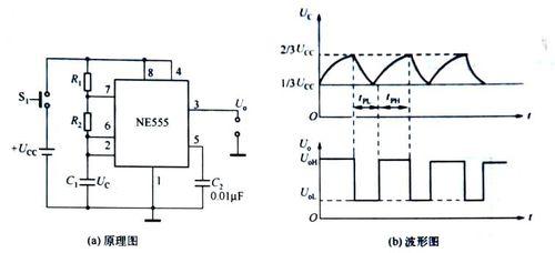
電阻R1、R2和電容C1構成定時電路。定時電容C1上的電壓UC作為高觸發端TH(6腳)和低觸發端TL(2腳)的外觸發電壓。放電端D(7腳)接在R1和R2之間。電壓控制端K(5腳)不外接控制電壓而接入高頻干擾旁路電容C2(0.01uF)。直接復位端R(4腳)接高電平,使NE555處於非復位狀態。
多諧振盪器的放電時間常數分別為
tPH≈0.693×(R1+R2)×C1
tPL≈0.693×R2×C1
振盪周期T和振盪頻率f分別為
T= tPH+ tPL≈0.693×(R1+2R2)×C1
f=1/ T≈1/[0.693×(R1+2R2)×C1]
採用NE555構成的多諧振盪器單穩態觸發器
NE555的高觸發端TH(6腳)和放電端D(7腳)接RC定時電路,低觸發端TL(2腳)外接觸發信號。
單穩態觸發器的定時時間就是輸出脈衝的寬度 Tw。
Tw≈1.11×R1×C1
NE555構成的單穩態觸發器RS觸發器
當6腳(相當於R端)電壓高於(2/3)VCC時,輸出為低電平。當2腳(相當於/S端)電壓低於(1/3)VCC時,輸出為高電平。
NE555構成的RS觸發器行情分析
NE555該型號,市場上比較常見,在各大網站上,搜尋比較頻繁。NE555在9-10月份報價差異較大,主流品牌是TI、ST、NULL及國產品牌,國外品牌的價格一直相對偏高,各商戶報價在0.4-1元/PCS區間波動;國產品牌價格就非常低,由於價格相對較低,利潤已經壓制很窄空間,因此降價空間小,有時候市場還出現小幅度的漲價現象。
ne555對照表
| 描述 | 溫度範圍 | 型號 |
| 8-PIN引腳塑膠小外形(SO)封裝 | 0 to +70°C | NE555D |
| 8-PIN引腳塑膠雙列直插式封裝(DIP) | 0 to +70°C | NE555N |
| 8-PIN引腳塑膠雙列直插式封裝(DIP) | -40°C to +85°C | SA555N |
| 8-PIN引腳塑膠小外形(SO)封裝 | -40°C to +85°C | SA555D |
| 8-PIN引腳密封的陶瓷雙列直插式封裝(CERDIP) | -55°C to +125°C | SE555CFE |
| 8-PIN引腳塑膠雙列直插式封裝(DIP) | -55°C to +125°C | SE555CN |
| 14-PIN引腳塑膠雙列直插式封裝(DIP) | -55°C to +125°C | SE555N |
| 8-PIN引腳密封CERDIP | -55°C to +125°C | SE555FE |
| 14-PIN引腳的陶瓷雙列直插式封裝(CERDIP) | 0 to +70°C | NE555F |
| 14-PIN引腳的陶瓷雙列直插式封裝(CERDIP) | -55°C to +125°C | SE555F |
| 14-PIN引腳的陶瓷雙列直插式封裝(CERDIP) | -55°C to +125°C | SE555CF |

