光敏電阻簡介
光敏電阻結構
光敏電阻外形圖和電路符號通常,光敏電阻器都製成薄片結構,以便吸收更多的光能。當它受到光的照射時,半導體片(光敏層)內就激發出電子—空穴對,參與導電,使電路中電流增強。為了獲得高的靈敏度,光敏電阻的電極常採用梳狀圖案,它是在一定的掩膜下向光電導薄膜上蒸鍍金或銦等金屬形成的。一般光敏電阻器結構如右圖所示。
常用CdS(硫化鎘)光敏電阻的結構部件有:電極/CdS(硫化鎘)/陶瓷基板/導線/樹脂防潮膜等。目前,它們分為環氧樹脂封裝和金屬封裝兩款,同屬於導線型(DIP),常用環氧樹脂封裝按陶瓷基板直徑分為¢3mm、¢4mm、¢5mm、¢7mm、¢11mm、¢12mm、¢20mm、¢25mm。常用金屬封裝外徑分為:¢4mm、¢6.5mm、¢8mm、¢12mm. 光敏電阻器在電路中用字母“R”或“RL”、“RG”表示。
光敏電阻結構分析CdS光敏電阻¢3mm系列外觀尺寸:
基板:L3.3mm±0.2mm×W3.0mm±0.1mm×H1.8mm
引線長:L36mm±0.2mm/引線直徑:¢0.4mm
封裝類型:屬環氧樹脂封裝/直插型(DIP)
常用型號:LXD3526/LXD3537/LXD3548
CdS光敏電阻¢4mm系列外觀尺寸:
外觀描述: 基板:L4.1mm±0.2mm×W3.4mm±0.1mm×H1.8mm 引線長:36mm±0.2mm/ 引線直徑:¢0.4mm
封裝類型:屬環氧樹脂封裝/直插型(DIP)
常用型號:LXD4526 / LXD4537 / LXD4548
CdS光敏電阻¢5mm外觀尺寸:
基板:L5.1mm±0.2mm×W4.3mm±0.2mm×H2.4mm引線長:L36mm±0.2mm/引線直徑:¢0.5mm (環氧樹脂封裝/直插型)
常用型號:LXD5516/LXD5528/LXD5537/LXD5539/LXD5549/LXD5516DLXD5626D/LXD5637D/LXD5649D
CdS光敏電阻¢7mm外觀尺寸:
基板:L7.0mm±0.2mm×W5.9mm±0.1mm×H2.4mm引線長:L36mm±0.2mm/引線直徑:¢0.5mm封裝類型:(環氧樹脂封裝/直插型)
常用型號:LXD7506/LXD7526/LXD7638/LXD7649
CdS光敏電阻¢11mm 外觀尺寸 :
外觀描述: 基板:L11mm±0.2mm×W9.0mm±0.2mm×H2.4mm 引線長:L36mm±0.2mm /引線直徑:¢0.6mm 封裝類型:(環氧樹脂封裝/直插型)
常用型號:LXD11516 / LXD11528 / LXD11537 / LXD11539 / LXD11549 /
CdS光敏電阻¢12mm外觀尺寸
外觀描述:基板:L12mm±0.3mm×W10.5mm±0.2mm×H2.5mm引線長:L36mm±0.2mm/引線直徑:¢0.4mm封裝類型:(環氧樹脂封裝/直插型) / 常用型號:LXD12516/LXD12528/LXD12537/LXD12539/LXD12549
CdS光敏電阻¢20mm外觀尺寸
外觀描述:基板:L20mm±0.4mm×H2.5mm引線長:L25mm±2mm/引線直徑:¢1.0mm封裝類型:屬環氧樹脂封裝/直插型(DIP)/ 常用型號:LXD20516/LXD20528/LXD20537/LXD20539/LXD20549
CdS光敏電阻¢20mm外觀尺寸
外觀描述:基板:L25.5mm±1.5mm×W22.0mm±0.1m×H2.8mm引線長:L30mm±0.2mm/引線直徑:¢1.0mm封裝類型:屬環氧樹脂封裝/直插型(DIP)常用型號:LXD25516/LXD25528/LXD25537/LXD25539/LXD25549/
主要參數與特性
光敏電阻的實驗圖紫外光敏電阻器:對紫外線較靈敏,包括硫化鎘、硒化鎘光敏電阻器等,用於探測紫外線。
紅外光敏電阻器:主要有硫化鉛、碲化鉛、硒化鉛。銻化銦等光敏電阻器,廣泛用於飛彈制導、天文探測、非接觸測量、人體病變探測、紅外光譜,紅外通信等國防、科學研究和工農業生產中。
可見光光敏電阻器:包括硒、硫化鎘、硒化鎘、碲化鎘、砷化鎵、矽、鍺、硫化鋅光敏電阻器等。主要用於各種光電控制系統,如光電自動開關門戶,航標燈、路燈和其他照明系統的自動亮滅,自動給水和自動停水裝置,機械上的自動保護裝置和“位置檢測器”,極薄零件的厚度檢測器,照相機自動曝光裝置,光電計數器,煙霧報警器,光電跟蹤系統等方面。
光敏電阻的主要參數是:
(1)光電流、亮電阻。光敏電阻器在一定的外加電壓下,當有光照射時,流過的電流稱為光電流,外加電壓與光電流之比稱為亮電阻,常用“100LX”表示。
(2)暗電流、暗電阻。光敏電阻在一定的外加電壓下,當沒有光照射的時候,流過的電流稱為暗電流。外加電壓與暗電流之比稱為暗電阻,常用“0LX”表示。
(3)靈敏度。靈敏度是指光敏電阻不受光照射時的電阻值(暗電阻)與受光照射時的電阻值(亮電阻)的相對變化值。
(4)光譜回響。光譜回響又稱光譜靈敏度,是指光敏電阻在不同波長的單色光照射下的靈敏度。若將不同波長下的靈敏度畫成曲線,就可以得到光譜回響的曲線。
(5)光照特性。光照特性指光敏電阻輸出的電信號隨光照度而變化的特性。從光敏電阻的光照特性曲線可以看出,隨著的光照強度的增加,光敏電阻的阻值開始迅速下降。若進一步增大光照強度,則電阻值變化減小,然後逐漸趨向平緩。在大多數情況下,該特性為非線性。
(6)伏安特性曲線。伏安特性曲線用來描述光敏電阻的外加電壓與光電流的關係,對於光敏器件來說,其光電流隨外加電壓的增大而增大。
(7)溫度係數。光敏電阻的光電效應受溫度影響較大,部分光敏電阻在低溫下的光電靈敏較高,而在高溫下的靈敏度則較低。
(8)額定功率。額定功率是指光敏電阻用於某種線路中所允許消耗的功率,當溫度升高時,其消耗的功率就降低。
工作原理
光敏電阻原理圖套用
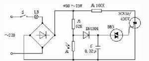
光敏電阻--圖(1)1、光敏電阻調光電路
圖(1)是一種典型的光控調光電路,其工作原理是:當周圍光線變弱時引起光敏電阻的阻值增加,使加在電容C上的分壓上升,進而使可控矽的導通角增大,達到增大照明燈兩端電壓的目的。反之,若周圍的光線變亮,則RG的阻值下降,導致可控矽的導通角變小,照明燈兩端電壓也同時下降,使燈光變暗,從而實現對燈光照度的控制。
上述電路中整流橋給出的是必須是直流脈動電壓,不能將其用電容濾波變成平滑直流電壓,否則電路將無法正常工作。原因在於直流脈動電壓既能給可控矽提供過零關斷的基本條件,又可使電容C的充電在每個半周從零開始,準確完成對可控矽的同步移相觸發。
光敏電阻--圖(2)以光敏電阻為核心元件的帶繼電器控制輸出的光控開關電路有許多形式,如自鎖亮激發、暗激發及精密亮激發、暗激發等等,下面給出幾種典型電路。
圖(2)是一種簡單的暗激發繼電器開關電路。其工作原理是:當照度下降到設定值時由於光敏電阻阻值上升激發VT1導通,VT2的激勵電流使繼電器工作,常開觸點閉合,常閉觸點斷開,實現對外電路的控制。
光敏電阻--圖(3)
