基爾霍夫電壓定律定義
在集總參數電路中,在任意時刻,沿著指定的迴路方向,各元件兩端電壓的代數和為零,即∑U=0.
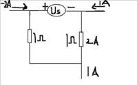
基爾霍夫電壓定律示意圖基爾霍夫電壓定律不僅套用於閉合電路,也可以把它推廣套用於迴路的部分電路。
基爾霍夫定律(Kirchhofflaws)是電路中電壓和電流所遵循的基本規律,是分析和計算較基爾霍夫電壓定律為複雜電路的基礎,1845年由德國物理學家G.R.基爾霍夫(GustavRobertKirchhoff,1824~1887)提出。它既可以用於直流電路的分析,也可以用於交流電路的分析,還可以用於含有電子元件的非線性電路的分析。運用基爾霍夫定律進行電路分析時,僅與電路的連線方式有關,而與構成該電路的元器件具有什麼樣的性質無關。基爾霍夫定律包括電流定律和電壓定律。
發現背景
基爾霍夫定律是求解複雜電路的電學基本定律。從19世紀40年代,由於電氣技術發展的十分迅速,電路變得愈來愈複雜。某些電路呈現出網路形狀,並且網路中還存在一些由3條或3條以上支路形成的交點(節點)。這種複雜電路不是串、並聯電路的公式所能解決的,剛從德國哥尼斯堡大學畢業,年僅21歲的基爾霍夫在他的第1篇論文中提出了適用於這種網路狀電路計算的兩個定律,即著名的基爾霍夫定律。該定律能夠迅速地求解任何複雜電路,從而成功地解決了這個阻礙電氣技術發展的難題。基爾霍夫定律建立在電荷守恆定律、歐姆定律及電壓環路定理的基礎之上,在穩恆電流條件下嚴格成立。當基爾霍夫第一、第二方程組聯合使用時,可正確迅速地計算出電路中各支路的電流值。由於似穩電流(低頻交流電)具有的電磁波長遠大於電路的尺度,所以它在電路中每一瞬間的電流與電壓均能在足夠好的程度上滿足基爾霍夫定律。因此,基爾霍夫定律的套用範圍亦可擴展到交流電路之中。
適用範圍
不僅可以用在任一閉合迴路,還可以推廣到任一不閉合的電路上,但要將開口處的電壓列入方程。
凡電壓的參考方向與迴路繞行方向一致者,在該電壓前取“+”號,反之,為“-”號。

