外力種類
主動力
(1) 重力
(2) 彈簧彈性力
(3) 靜電場力和洛侖茲力
常見約束類型
(1)擱置約束,約束力沿接觸面的法線.
(2)(柱)鉸座,約束力垂直於轉軸,但方向未定,通常用兩個彼此垂直的、且垂直於轉軸的分力表示.
(3)球鉸座,約束力過球心,但方向不定,通常用三個彼此互垂的分力表示.
(4)輥座,約束力垂直於輥座的接觸面.
(5)頸軸承與止推軸承,頸軸承處約束力垂直於轉軸,但其方向未知,故用兩個垂直於軸且彼此相互垂直的分力表示.止推軸承等於頸軸承再加上擱置約束力可畫三個分量,一個分量沿軸方向,其他兩個分量互垂直垂直於軸.對於複雜的結構進行力學計算時,有時要將各個部件從連線處折開,分別畫出每一個部件的受力圖,此時必須注意在受力圖上表示出在連線處約束力服從作用力與反作用力定律。
解題方法
解力學題,重要的一環就是對物體進行正確的受力分析。由於各物體間的作用是互動的,任何一個力學問題都不可能只涉及一個物體,力是不能離開物體而獨立存在的。所以在解題時,應根據題目的要求,畫一簡圖,運用“隔離法”(整體法也是隔離法),進行受力分析。由於物質分為實體與場,所以,力的作用方式也分為兩類,一類是實物對研究對象的作用,其特點是施力物與研究對象直接接觸(如摩擦力、空氣阻力、彈性力等);另一類是物體通過它所激發的場對研究對象的作用,其特點是激發場的物體與研究對象不直接接觸(如重力、靜電力等)。在力學中,以場方式作用於研究對象的力經常是重力。由此,得出進行受力分析的規則:在研究物體受哪些力時,除重力外,就只看該物體與之相觸的物體,凡與研究對象接觸的物體對研究對象都可能有力作用。
分析實例
實例一:水平面上的物體
圖1-81.水平面上的物體一木塊靜置於桌面上,木塊受兩個力作用。一是受地球的吸引而受到重力G,方向豎直向下;另一個是木塊壓在桌面使桌面發生極微小的形變,桌面對木塊產生支持力N,方向豎直向上。如圖1-8所示
,因木塊是靜止的,所以G和N是作用在木塊上的相互平衡的力,它們大小相等方向相反。
受力分析也可以運用假設法。即假設某力不存在,看看對於物體的運動狀態是否產生影響。若無影響,則該力不存在。原理:力是改變物體運動狀態的原因。
圖1-9在水平面上運動的木塊,除受重力G和支持力N的作用外,還受到滑動摩擦力f的作用。滑動摩擦力f的方向與木塊運動方向相反。木塊受力圖如圖1-9所示
。木塊受空氣阻力的方向跟木塊運動方向相反。空氣阻力的大小跟物體的運動速度,以及物體的橫截面大小有關。
圖1-10如果用水平的繩拉木塊前進,木塊除受重力G,支持力N和滑動摩擦力f的作用外,還受到繩的拉力F,木塊共受四個力,如圖1-10所示。
實例二:在斜面上運動的物體
圖1-112.在斜面上運動的物體:如圖1-11所示,一木塊沿斜面下滑,木塊受到豎直向下的重力G。木塊壓斜面,斜面發生形變而對木塊產生支持力N,方向垂直於斜面並指向被支持的木塊。木塊還受到與其運動方向相反,沿斜面向上的滑動摩擦力f。重力沿斜面的分力使物體沿斜面加速下滑而不存在一個獨立於重力之外的所謂“下滑力”。
實例三:一輕繩通過定滑輪
圖1-123.一輕繩通過定滑輪,用一水平力F拉物體A使之向右運動,B落於A上,其間的摩擦係數為μ1,A與桌面間摩擦係數為μ2,不計空氣阻力,分析A、B所受的力。如圖1-12所示。
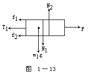
先研究物體A。如圖1-13所示。A受地球吸引力 (向下),與A接觸的有人、物體B、繩、桌面、空氣。分析得:人對A的拉力 (向右),B對A的正壓力(向下),B給A的摩擦力 (向左),繩的拉力 (向左),桌面對A的正壓力 (向上,也叫支持力),桌面施於A的摩擦力 (向左)。
圖1-13其次,以物體B為研究對象。如圖1-14所示。
圖1-14B受地球的引力 (向下),與B接觸的有物體A、繩和空氣。A對B的正壓力 (向上),A對B的摩擦力 (向右),繩子的拉力 (向左)。
注意:
f1與f1'是一對作用力和反作用力。
N1與N1'是一對作用力和反作用力。而f1=μ1N1,f2=μ2N2。
注意
在教學中應該注意,儘管物體靜止在水平地面上時,重物對地面的壓力與物體的重力在數值上相等,但在某些場合下,壓力並不等於重力。產生重力作用不一定要兩物接觸,而壓力則必須要兩物接觸才能產生。還應講明的是,物體對斜面的壓力就不等於物體的重力。當斜面上的物體下滑時,重力G分解為沿斜面平行的分力F1和沿斜面垂直的分力F2。F1可稱為下滑力,F2稱為正壓力。
一般順序
過程簡介
1.受力分析的定義:把指定物體(研究對象)在特定物理情景中所受的所有外力找出來,並畫出受力圖,這就是受力分析。
2.受力分析的一般順序:先分析場力(重力、電場力、磁場力),再分析接觸力(彈力、摩擦力),最後分析其他力。
3.受力分析的一般步驟:
(1)選取研究對象:即確定受力分析的物體。研究對象可以是單個的物體,也可以是物體的系統組合。
(2)隔離物體分析:將研究對象從周圍的物體中隔離出來,進而分析物體受到的重力、彈力、摩擦力、電場力、磁場力等,檢查周圍有哪些物體對它施加了力的作用。
(3)畫出受力示意圖:按照一定順序進行受力分析.一般先分析重力;然後環繞物體一周,找出跟研究對象接觸的物體,並逐個分析彈力和摩擦力;最後再分析其它場力。在受力分析的過程中,要邊分析邊畫受力圖(養成畫受力圖的好習慣).只畫性質力,不畫效果力。
(4)檢查受力分析是否有誤:受力分析完後,檢查畫出的每一個力能否找出它的施力物體,檢查分析結果能否使研究對象處於題目所給運動狀態,否則,必然發生了漏力、多力或錯力現象。
注意事項
①只分析研究對象所受的力,不分析對其它物體所施加的力。切記不要把作用在其它物體上的力錯誤的認為“力的傳遞”作用在研究對象上。
②只分析按性質命名的力,不分析按效果命名的力(下滑力、向心力、回復力)。
③每分析一個力,都應找出施力物體,以防多分析出某些不存在的力。
④合力和分力不能同時作為物體所受的力。
1. 明確研究對象
進行受力分析前,要先弄清受力的對象。我們常說的“隔離法”、“整體法”,指的是受力的對象是單個物體,還是由多個物體組成的整體。對於連線體,在進行受力分析時,往往要變換幾次研究對象之後才能解決問題。
有時候,選取所求力的受力物體為研究對象,卻很難求出這個力,這時可以轉移對象,選取這個力的施力物體為研究對象,求出它的反作用力,再根據牛頓第三定律,求出所求力。
2. 有序地分析受力
同學們要養成按一定的步驟進行受力分析的習慣,這樣可以避免漏力或添力。一般分三步走:先分析重力,然後找出跟研究對象接觸的物體,分析接觸力,如彈力、摩擦力等,最後分析電場力、磁場力等。
確定物體是否受到力的作用,有三個常用的方法:
(1)假設法;
(2)根據運動狀態判斷受力情況;
(3)用牛頓第三定律。
3. 認真地檢查
作完受力分析後還要認真地檢查,看看所畫出的每個力能否都找出施力物體,能否都找出反作用力,能否使研究對象處於題中所給的運動狀態。
最後應向同學們強調,理解力的概念,掌握力的特點,是正確分析受力的基礎和依據。要想熟練掌握,還需要通過一定量的練習,不斷加深對物體運動規律的認識,反覆體會方法,總結技巧才能達到。

