簡介
分頻器是指將不同頻段的聲音信號區分開來,分別給於放大,然後送到相應頻段的揚聲器中再進行重放。在高質量聲音重放時,需要進行電子分頻處理。
分頻器是音箱中的“大腦”,對音質的好壞至關重要。功放輸出的音樂訊號必須經過分頻器中的過濾波元件處理,讓各單元特定頻率的訊號通過。要科學、合理、嚴謹地設計好音箱之分頻器,才能有效地修飾喇叭單元的不同特性,最佳化組合,使得各單元揚長避短,淋漓盡致地發揮出各自應有的潛能,使各頻段的頻響變得平滑、聲像相位準確,才能使高、中、低音播放出來的音樂層次分明、合拍、明朗、舒適、寬廣、自然的音質效果。
常見普通音響電路分頻器對於任何一個N次分頻器,在輸入信號不變的情況下,輸出信號可以有N種間隔為2π/N的相位。這種現象是分頻作用所固有的,與分頻器的具體電路無關,稱為分頻器輸出相位多值性。
原理
分頻器原理由於現在的音箱幾乎都採用多單元分頻段重放的設計方式,所以必須有一種裝置,能夠將功放送來的全頻帶音樂信號按需要劃分為高音、低音輸出或者高音、中音、低音輸出,才能跟相應的喇叭單元連線,分頻器就是這樣的裝置。如果把全頻帶信號不加分配地直接送入高、中、低音單元中去,在單元頻響範圍之外的那部分“多餘信號”會對正常頻帶內的信號還原產生不利影響,甚至可能使高音、中音單元損壞。
作用
輸入和輸出部分都清晰可見的套用分頻器在一個揚聲器系統里,人們把箱體、分頻電路、揚聲器單元稱為揚聲器系統的三大件,而分頻電路對揚聲器系統能否高質量地還原電聲信號起著極其重要的作用。尤其在中、高頻部分,分頻電路所起到的作用就更為明顯。其作用如下:
合理地分割各單元的工作頻段;
合理地進行各單元功率分配;
使各單元之間具有恰當的相位關係以減少各單元在工作中出現的聲干涉失真;
利用分頻電路的特性以彌補單元在某頻段里的聲缺陷;
將各頻段圓滑平順地對接起來。
顯然,分頻電路的這些作用已被人們所認識和接受。
種類
被動式
被動式分頻網路(CrossoverNetwork),國內習慣稱為“分音器”,其設計受到相當多的變數與考量因素所影響,因而是一項很複雜的工作。
被動式分音器“功能、用途”是介於擴大器與喇叭之間,由於單一喇叭無法達到“全頻段回響”(全頻段即是20HZ-20KHZ,為人耳聽覺範圍),因而利用喇叭單體尺寸不同的物理頻寬回響,來達到要求的“全頻段回響”之目的,也因此產生了多種尺寸單體運用在同一聲道上的方式。被動式分音器功能就是負責將擴大器全頻段輸出後,分割成不同頻段的聲音,分別送到不同尺寸喇叭單體上,表現其應有的特質。由此出現的多音路喇叭組合或稱為“分音喇叭”,從一音路喇叭到多音路喇叭均有其用途與多重之選擇。被動分音器的元件組成:L/C/R,即L電感、C電容、R電阻,依照各元件對頻率分割的特性靈活運用在分頻網路上。
L電感:其特性是阻擋較高頻率,只讓較低的頻率通過,也就稱為“低通濾波器(LowPassFilter)”。通過較低頻率的多少是由該“L電感”之電感量來決定,其感抗單位為“μH、mH”代表。電感材質常見有:空心電感、鐵淦氧電感、矽鋼片電感等。鐵淦氧電感、矽鋼片電感通常只在需要高電感值而無法由空心電感來獲得低直流電阻的場合下才使用,由於鐵心電感具有磁飽和而在大電流的場合造成失真的天性,所以鐵心電感是一種妥協下的產物。
C電容:其特性與電感剛好相反,也就是阻擋低頻率通過,讓較高的頻率通過,稱為“高通濾波器(HighPassFilter)”。高頻率通過多少由C電容的電容量決定。其單位為“μF”。電容材質種類繁多,但用於被動式分音器中則使用無極性電容。
輸入和輸出部分都清晰可見的套用分頻器
電容在被動式分音器中用於中音域及高音域材質上的考量必須慎重,因為與音質有絕對的相關性,選擇電容的材質通常由喇叭單體特性和電容損失因素、相位損失以及價格而決定。
中高音域不超過30μF的電容可采較佳的材質。
R電阻:並無切割頻率的特性,而套用在被動式分音器中是與電感、電容混和搭配,針對特定的頻率點和頻帶來做修正、等化曲線、靈敏度增減的用途。
喇叭分音器可分為串聯式分音器、並聯式分音器兩種。並聯式分音器以絕對多數成為喇叭分音器最佳的選擇,其優點在於多音路系統中都可視為獨立的個體,而且任何一個元件的改變都可能影響到高通或低通的特性。
被動式分音器常用的斜率可分為4種:一階斜率6dB、二階斜率12dB、三階斜率18dB、四階斜率24dB。
主動式
又稱為主動式電子分音器。因為車內空間形體、喇叭安裝指向,在實務運用上有其無法變更的因素存在,所以由電子分音器靈活的特性可在各類段上之分頻點、相位、Q值變動幾時到最理想的頻段調整,來克服各種車內變數,以達到車內最佳聆聽環境之目的。電子分音器是由低通、帶通、高通濾波器所組成。
分頻器主動式電子分音器裝置於車用主機與擴大器之間,電子分音器可由二音路到多音路型態,但是所分出來的每一音路訊號都不得必須經過一個擴大器,如果音路分得越多,擴大器也就相等增加。
優點
1、提高動態範圍
2、改善暫態表現能力
3、對超低音喇叭得到較佳與擴大器相容性和十足功率
4、喇叭單體間靈敏度不同的問題容易受到控制
5、擴大器工作在固定的頻帶上過截失真可降低許多
6、阻抗變化較低,可得到較佳的分類表現
脈衝分頻器
是用D型觸發器構成的除以2分頻電路。脈衝分頻器有很寬的工作頻帶,低頻端實際上沒有限制,高端極限頻率主要決定於使用的器件,但也與電路有關係。1兆赫以下可採用金屬-氧化物-半導體(MOS)積體電路,1~30兆赫可採用電晶體-電晶體邏輯(TTL)電路,30~60兆赫則宜採用高速TTL電路,60~300兆赫應採用發射極耦合邏輯(ECL)電路。將N級÷2分頻器串聯起來,可構成÷2N非同步分頻器。這種一級推一級的分頻鏈具有節省器件和上限工作頻率高的優點,但有延時積累的缺點,當級數N很大時,末級翻轉時刻和第一級相比有很大的延遲,這在時序電路中是不允許的。此外,分頻次數局限於2也欠靈活。採用級間反饋可實現任意次數的分頻,圖2即為一例。圖中的三個觸發器由同一個脈衝序列驅動,能在需要翻轉時一起翻轉,屬於同步分頻器。它沒有延時積累的問題,但與非同步分頻器相比,獲得同樣的分頻次數須用更多的器件,而且工作頻率較低。此外還有一種脈衝分頻器,其分頻次數可由外界信號置定,稱為程式分頻器。這種分頻電路已廣泛用於頻率合成器。
再生分頻器
再生分頻器是一種正弦分頻器。未加輸入信號時再生分頻器無輸出,電路內部也都沒有正弦信號,只有一些微弱的噪聲和擾動。當頻率為fi的輸入信號到來時,混頻器使它和存在於微弱噪聲中的頻率為(N-1)f0的分量混合,產生頻率為f0=fi/N 的微弱信號。這一信號經放大後再經(N-1)倍頻器反饋給混頻器。經過這樣周而復始的正反饋,電路各環節的信號將不斷增強,直到因器件非線性特性的限制達到穩態工作時為止。
中的倍頻器不是必須的,依靠混頻器中的高次組合頻率也可以產生所需要的輸出頻率成分,只要中頻放大器的增益足夠大電路就能工作,但工作頻帶較窄。插入(N-1)倍頻器能使混頻器工作於最有效的差頻狀態,展寬工作頻帶。
程式
汽車音響分音器套用範圍:可用於通訊和頻率合成器等領域
推薦工作條件:
電源電壓: 4. 75 5. 25V
時鐘輸入電壓幅度:400 mVPP 1200mVPP
工作頻率:20MHz 300MHz
工作溫度:-55 125 (SE120A) -55 85 (SE120B)
TTL 控制輸入高電平:VIH 2.5V
TTL 控制輸入低平:VIH 0.5V
特點:
工作頻率高
分頻比可程控由6 位二進制碼控制
時鐘交流耦合輸入輸出與ECL 電平和TTL 電平兼容
絕對最大額定值:
電源電壓:7V
最大電流:50mA
貯存溫度:65 150
結溫:175
引線耐焊接溫度:10S 300
時鐘輸入電壓幅度:2.5VPP
參數
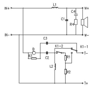
分頻器的“階”一般來說,分頻器包括三個基本參數:
PS420 8型分頻器原理圖第二個,就是所謂分頻器的“路”,也就是分頻器可以將輸入的原始信號分成幾個不同頻段的信號,我們通常說的二分頻、三分頻,就是分頻器的“路”。
第三個,就是分頻器的“階”,也稱“類”。
一個無源分頻器,本質上就是幾個高通和低通濾波電路的複合體,而這些濾波電路的數量,就是上面所說的“路”。但是在每一個濾波電路中,還有更精細的設計,換句話說,在每一個濾波電路中,都可以分別經過多次濾波,這個濾波的次數,就是分頻器的“階”。一階分頻器也是感容分頻的結構,而二階分頻器中的每一路都經過了兩次濾波,這個“兩次濾波”才是“二階”的真正含義!
實際上,“二階分頻器”這樣的說法也並不規範,因為“階”並非是針對整個分頻器的,而是針對其中的某一“路”的,所以嚴格的說法應該是“雙路分頻器,高低頻皆採用二階濾波”,因為雖然並不多見,但高頻採用二階濾波而低頻採用一階濾波這樣的設計也是有的。
除了一階分頻和二階分頻外,無源分頻器還有三階、四階乃至六階分頻。採用高階分頻的好處在於其濾波衰減斜率更大,分頻效果更好,而且也有利於設計分頻補償電路(因為並不是“分”得越徹底越乾淨的分頻器就是好分頻器,理論上說,分頻後的兩個信號曲線在疊加之後,與原曲線完全一致,這才是真正的好分頻器),但高階分頻的功率損失大,特別是相位影響大,設計不好聲音就會亂了套。所以不是越高階的分頻就越好。
市場上的2.0多媒體音箱,使用電容或阻容分頻的居多,使用分頻器的極少,而使用二階分頻的更少。如衝擊波SB-2000使用的是一階分頻器,而使用二階分頻的,則只有惠威T200a、M200,漫步者S2000、1900TIII等寥寥而已。

