競游ECL
賽事簡介
競游ECL(Esports Champion League簡稱ECL)
業內專業團隊研發的具有自主智慧財產權的國內首個電競聯賽賽事——2010競游ECL電子冠軍聯賽,賽事總獎金高達100萬元人民幣,全國名列前茅;全國10萬選手參與大型海選;單場網路直播的同時線上超過200萬人次;復蓋全世界1億人群的頂尖賽事。
比賽場館
國內首座電競專業場館,容納數千人親臨現場觀戰
ECL由中國電子競技運動發展中心正在改造建設的電競專業場館將成為中國第一大電子競技專業場館,該館建築面積達12000多平方米,是依託國內最先進的電競場館而建的一座綜合性體育館。其主館為線下比賽場地,主要用於電子競技專業比賽,副館一層為國際直播中心,主要用於面向全球直播電子競技賽事,二層為培訓中心和產品研發中心。該館集高端賽事運營、國際直播中心、專業入口網站於一體,可舉辦、承辦國內外高低端電子競技賽事。整體建築造型現代、時尚,凸顯電子競技行業的科技特點和時代特點,落成的電競館將成為中國電競行業的地標性建築物。
使用最先進的視/音頻設備,憑藉團隊豐富的演播室搭建經驗,打造絢麗的現場體驗和直播節目。
項目背景
ECL2004年12月中國電子競技運動發展中心(CESPC)經國家體育總局獨家授權成立的集產業研究、產品策劃、賽事運營、信息管理、職業運動員和裁判員培養認證等職能於一體權威機構,主辦、組織過多項國內外大型賽事活動。
中國電子競技發展中心曾經主辦或協辦過的賽事
–2004 WEG 中韓電子競技對抗賽
–2004、2005、2006、2007 ChinaJOY 中國國際數碼娛樂產品及技術套用博覽會
–2004、2005 中國電子競技國家隊選拔賽
–2005 CGM數碼港杯中港電子競技對抗賽
–2005、2006 WEF青島國際電子競技嘉年華
–2006ESWC中國區預選賽和決賽
–2006英特爾暑期夏令營
–2007“超級星期三”校園行系列電子競技推廣活動
–2007 聯想IEST國際電子競技錦標賽
–2007、2008華碩WGT世界電子競技大師杯錦標賽
–2008IEF國際數字娛樂嘉年華
–2008WC3L世界魔獸爭霸3聯賽總決賽
–2008IEM英特爾極限大師杯
–2008WEM世界電子競技大師賽
–2006、2007、2008、2009PGL職業選手聯賽
賽事特點
競游ECL在借鑑國際同行業標準的前提下,從比賽賽制、各賽季決賽地點選擇、比賽項目的確定等各方面針對行業現狀進行了大膽改革和創新。不同於其他常規賽制形式,競游ECL賽事主要具有以下特點:
一是採用聯賽賽制。競游ECL打破以往普通的杯賽賽制,採用持續全年、復蓋全國、輻射全球的大型聯賽賽制。將一年分為四個賽季,每個賽季又分為線上海選、線上複賽和線下決賽三個階段,在年底還將舉辦一個全球大師賽。這樣的設定不但能夠保持比賽的延續性,而且保證了比賽的適應性和參與性,使廣大電競愛好者有機會不斷地加入到比賽中來。
二是票選比賽項目。在比賽項目的設立上,組委會公開甄選有廣泛客群群體、具備公平競技對抗性的賽事比賽項目,讓廣大的電競愛好者來投票決定。這不但增強了比賽項目的適應性,並充分調動了參與者的積極性,使比賽更加貼近廣大電競愛好者。此外,通過確立健康向上的競技比賽項目,引導廣大青少年及電子競技愛好者正確地認識電子競技,從而促進青少年綜合素質的全面發展。
三是設定高額獎金。競游ECL設定了國內最高額度的賽事獎金,目的是通過網路海選挖掘有天賦的電競奇才,培養和打造一批有實力的、有影響力和號召力的電競選手,吸引更多的愛好者們加入到中國電子競技產業的發展潮流中來。隨著國際電競產業的發展,我們也要培養出中國的世界冠軍,讓一大批優秀選手跨出國門,走向世界,在國際比賽中贏得榮譽,為國爭光。
四是業界首次實現多平台高清直播。競游ECL2010電子競技冠軍聯賽在媒體傳播方面取得了巨大進展。除了在競游ECL官網——競游網進行全球高清同步直播外,還吸引了合作夥伴pptv、pps、qqlive、六間房、酷6網等各大主流視頻平台的加入,它們將對競游ECL2010全年各大賽季進行同步高清視頻直播、點播,獨家線上比賽支持平台為浩方對戰平台,這在業界尚屬首次。
五是客群復蓋面廣。由於競游ECL率先實現了多平台高清同步直播、點播,同時,組委會也充分調動了廣大電競愛好者對比賽的參與熱情,預計全年賽事的復蓋人群將達到1億。在參與者年齡分布上,主要集中在18歲—40歲之間;在關注人群的地域分布上,除復蓋國內各省、地區和主要城市外,還將輻射影響到日、韓和歐洲等國外區域。
六是實現明星選手與草根選手的對決。由於採取了獨特的賽事體系,比賽在參賽選手的形式上取得了重大突破。以往不可能實現的國內草根選手與國際明星選手交手的情況,將在競游ECL的賽場上得以實現。這樣不僅可以使觀眾在現場和直播中一睹國際明星選手的風采,而且可以看到國內草根高手挑戰國際電競明星的比賽,這就大大提高了比賽的競技性和觀賞性。在前四個賽季中線下決賽的獲獎選手除了獲得各賽季競游ECL送出的豐厚獎金外,還將參加年底在北京舉辦的全球大師賽,與受邀的國際頂級明星選手一起參加總決賽,共同角逐世界冠軍的最高榮譽!
七是票選決賽地點。競游ECL2010電子競技冠軍聯賽全年分為四個賽季,在年底還將舉辦一個全球大師賽;第一個賽季和全球大師賽在北京舉辦;而其他三個賽季將通過網友投票的方式,從全國26個主要城市中選出3個城市作為決賽的舉辦地,陸續展開線上與線下的比賽。
發展前景
2010年1月28日上午,2010年中國電子競技運動工作會議在京召開。這次會議是由國家體育總局體育信息中心主辦,中國電子競技運動發展中心、北京華游競界科技發展有限公司承辦。從會議得知,國家級競游ECL電子競技冠軍聯賽獲得國家體育總局肯定。北京華游競界科技有限公司稱,該比賽獎金高達100萬元,並將在國內建設首個的大型電子競技專業場館。
國家體育總局副局長馮建中表示,要在國內推行一個國家級的競游項目,樹立良好的電競形象,改變家長對於電子競技的錯誤認識。“一定要與不良網遊的區分開來。”他說,電子競技已經是國家體育總局認可的體育項目,在青少年中,有著良好的基礎,像魔獸爭霸的青年運動員李曉峰為國家爭奪到了許多榮譽,並獲得世界上電子競技的認可。
目前,ECL是國內唯一一項復蓋全年、輻射全國的頂級賽事。競游ECL由中國電子競技運動發展中心主辦,北京華游競界科技發展有限公司承辦,在國家體育總局、共青團中央、新聞出版總署、石景山區人民政府和各地方體育局等相關機構的鼎力支持下,以打造國際領先、中國權威的品牌賽事和網路平台為目標,通過建立完善的賽事體系和商業模式,引導中國電子競技運動朝一個健康、規範的方向發展,提高行業水平和商業價值,實現中國由電競大國到電競強國的轉變。
競游ECL的比賽項目為風靡全球的魔獸爭霸,由4個單賽季、年終總決賽兩部分組成。賽事總獎金額高達100萬人民幣,匯集國內10萬草根選手參與線上資格海選,邀請全球頂尖知名運動員參賽。線下決賽在全國最大的電子競技專業場館舉行,吸引50000人次現場觀眾;中心斥資千萬打造高清級別電視直播和視頻製作設備,通過全球網路與衛星進行同步直播,單場視頻直播的同時觀看人數超過200萬次,收視復蓋人群達1億之多,為廣大觀眾呈獻一場炫麗的視覺盛宴。
作為一項客群人群極為廣泛的新興體育項目,電子競技這一股新生力量必將在中國得到長足發展,成為資訊時代人們文化體育生活的新需求,成為引領信息產業發展的新動力。競游ECL電子競技冠軍聯賽將以其獨特的魅力引爆所有電子競技愛好者的熱情,成為全球矚目的第一大電子競技品牌賽事,同時聯動網際網路、體育、娛樂等行業共同推動電子競技在中國的蓬勃發展,開創中國電子競技的新紀元。
2010年電子競技冠軍聯賽(ECL)歷史回顧
電子競技冠軍聯賽(ECL)第一賽季冠軍:TH000(20000人民幣)
電子競技冠軍聯賽(ECL)第一賽季亞軍:Like (10000人民幣)
電子競技冠軍聯賽(ECL)第一賽季季軍:Infi (6000人民幣)
電子競技冠軍聯賽(ECL)第一賽季殿軍:ForDream(4000人民幣)
(第5~8名2000人民幣)
電子競技冠軍聯賽(ECL)第一賽季線下決賽階段於2010年5月8日到13日在北京石景山體育館隆重舉行。
電子競技冠軍聯賽(ECL)第二賽季冠軍:Fly100%(20000人民幣)
電子競技冠軍聯賽(ECL)第二賽季亞軍:Sai (10000人民幣)
電子競技冠軍聯賽(ECL)第二賽季季軍:Sky (6000人民幣)
電子競技冠軍聯賽(ECL)第二賽季殿軍:Touxie (4000人民幣)
(第5名3000人民幣,第6名2500人民幣,第7名2000人民幣,
第8名1500人民幣,9~16名1000人民幣)
電子競技冠軍聯賽(ECL)第二賽季線下決賽階段於2010年7月2日到4日在河南省東方電競體育俱樂部隆重拉開戰幕。
電子競技冠軍聯賽(ECL)第三賽季冠軍:Infi (20000人民幣)
電子競技冠軍聯賽(ECL)第三賽季亞軍:Fly100% (10000人民幣)
電子競技冠軍聯賽(ECL)第三賽季季軍:Sai (6000人民幣)
電子競技冠軍聯賽(ECL)第三賽季殿軍:Touxie (4000人民幣)
(第5名3000人民幣,第6名2500人民幣,第7名2000人民幣,
第8名1500人民幣,9~16名1000人民幣)
電子競技冠軍聯賽(ECL)第三賽季線下決賽階段於2010年8月13到15日在河北省石家莊市萬象天成商務廣場盛大開幕。
電子競技冠軍聯賽(ECL)第四賽季冠軍:TH000 (20000人民幣)
電子競技冠軍聯賽(ECL)第四賽季季軍:TeD (10000人民幣)
電子競技冠軍聯賽(ECL)第四賽季季軍:Sky (6000人民幣)
電子競技冠軍聯賽(ECL)第四賽季殿軍:Yumiko (4000人民幣)
(第5名3000人民幣,第6名2500人民幣,第7名2000人民幣,
第8名1500人民幣,9~16名1000人民幣)
電子競技冠軍聯賽(ECL)第四賽季線下決賽階段於2010年10月15日到17日在陝西省西安市曲江寒窯遺址公園隆重召開。
電子競技冠軍聯賽(ECL)2010年總決賽冠軍:TH000(30000人民幣)
電子競技冠軍聯賽(ECL)2010年總決賽亞軍:Fly100% (20000人民幣)
電子競技冠軍聯賽(ECL)2010年總決賽季軍:Infi (10000人民幣)
(第4~8名:5000元)
電子競技冠軍聯賽(ECL)2010年年度總決賽於2011年1月11日到16日在北京石景山中國電子競技館隆重舉行!
2011年電子競技冠軍聯賽(ECL)歷史回顧
電子競技冠軍聯賽(ECL)第一賽季冠軍:Infi (20000人民幣)
電子競技冠軍聯賽(ECL)第一賽季亞軍:Fly100% (10000人民幣)
電子競技冠軍聯賽(ECL)第一賽季季軍:ReMinD(6000人民幣)
電子競技冠軍聯賽(ECL)第一賽季殿軍:Nicker (4000人民幣)
第四賽季
ECL2012第四賽季線下決賽將於2012年10月19-21日在位於北京市石景山區中國電競館舉行。本屆比賽設有Dota、反恐精英(CS)、星際爭霸2(SC2)和實況足球(PES)4個項目。屆時,國內頂尖的電競選手將在中國電競館的舞台上展現他們奪目的光彩。
CS1.6:(註:SS戰隊期權 CS項目只有前三名)
冠軍:Tyloo戰隊
亞軍:ZINCTHAI戰隊
季軍:zzcy戰隊
DOTA
冠軍:AgFoX. ASRock戰隊
亞軍:seed戰隊
季軍:lw戰隊
殿軍:Never戰隊
星際爭霸2
冠軍:iG.MacSed
亞軍:WE.giga.loner
季軍:BGKKCN
殿軍:Solor
實況足球
冠軍:果帥柯
亞軍:大張磊
季軍:小張磊
殿軍:李躍華
許可證書
教育社區許可證(ECL,Educational Community License)
教育社區許可證ECL基於Apache許可證,是為滿足學術界特殊需求的免費開源許可證。
在這種許可證下,任何商業或非商業實體可對原始碼進行自由開發,只要列出機構的名稱和著作權時間。任何人也可以通過改變著作權來使用ECL。開源項目鼓勵使用ECL,推動各種開源項目在得到進一步發展。
邏輯電路
(Emitter Coupled Logic)即發射極耦合邏輯電路,也稱電流開關型邏輯電路。它是利用運放原理通過電晶體射極耦合實現的門電路。在所有數字電路中,它工作速度最高,其平均延遲時間tpd可小至1ns。 這使得ECL積體電路在高速和超高速數字系統中充當無以匹敵的角色
。
電路結構及工作原理
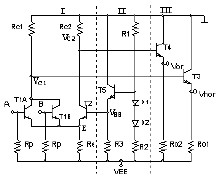
ECL電路結構及工作原理與其它數字積體電路一樣,ECL積體電路的邏輯功能也可以歸結為基本門電路的工作過程。ECL 積體電路的基本門為一差分管對,其電路 形式如圖所示:
圖中:
第I部分為基本門電路,完成“或/或非”功能;
第II部分為基準源電路具有溫度補償功能;
第III部分為射級跟隨器,完成輸出及隔離功能。
ECL 積體電路的特點
1、在正常工作狀態下,ECL電路中的電晶體是工作於線性區或截止區的。因此,ECL積體電路被稱為非飽和型邏輯電路。
2、ECL電路的邏輯擺幅較小(僅約 0.8V ,而 TTL 的邏輯擺幅約為 2.0V ),當電路從一種狀態過渡到另一種狀 態時,對寄生電容的充放電時間將減少,這也是 ECL電路具有高開關速度的重要原因。但邏輯擺幅小,對抗干擾能力不利。
3、由於單元門的開關管對是輪流導通的,對整個電路來講沒有“截止”狀態,所以單元電路的功耗較大。
4、從電路的邏輯功能來看, ECL 積體電路具有互補的輸出,這意味著同時可以獲得兩種邏輯電平輸出,這將大大簡化邏輯系統的設計。
5、ECL 積體電路的開關管對的發射極具有很大的反饋電阻,又是射極跟隨器輸出,故這種電路具有很 高的輸入阻抗和低的輸出阻抗。射極跟隨器輸出同時還具有對邏輯信號的緩衝作用。
總結:ECL門的速度快,常用於高速系統中。它的主要缺點是製造工藝要求高,功耗大,抗干擾能力弱。而且由於輸出電壓為負值,若與其他門電路接口,需用專門的電平位移電路。
ECL發光
electrochemiluminescence
化學發光試劑,
一般是WesternBlot的最後一步,加入1:1的溶液A和溶液B,復蓋pvdf膜,可以顯色來觀察實驗結果。
原理:
一般使用的發光液A和B分別是魯米諾和過氧化氫,在辣根過氧化物酶(HRP)的催化作用下,魯米諾與過氧化氫反應生成一種過氧化物,過氧化物不穩定隨即分解,形成一種能發光的電子激發中間體,當後者由激發態返回至基態,就會產生螢光。
在發光過程中不需要消耗HRP,HRP只是起催化作用,所以只要HRP沒降解失活,是可以重複加發光液的。但HRP作為一種蛋白酶,在室溫放置時間過長,是會降解的;同時在發光過程中有什麼物質(比如顯影液)污染了膜的話,也有可能滅活膜上的HRP。

