概述
鋼按金相組織分類。在退火狀態下,可將鋼分為亞共析鋼、共析鋼、過共析鋼;在正火狀態下,可將鋼分為珠光體鋼、貝氏體鋼、奧氏體鋼。
含碳量在0.0218—0.77%之間的結構鋼稱為 亞共析鋼。
奧氏體冷卻至A線溫度時,開始析出鐵素體,稱先共析鐵素體。隨著溫度的降低,析出過程持續進行,但溫度降到Ar1溫度時,具有共析成分的奧氏體轉變為珠光體,最終得到由鐵素體和珠光體構相組成的兩相組織。
碳含量越少,鋼組織中珠光體比例也越小,鋼的強度也越低,但塑性越好亞共析鋼常用的結構鋼含碳量大都在0.5%以下,由於含碳量低於0.77%,所以組織中的滲碳體量也少於12%,於是鐵素體除去一部分要與滲碳體形成珠光體外,還會有多餘的出現,所以這種鋼的組織是鐵素體+珠光體。碳含量越少,鋼組織中珠光體比例也越小,鋼的強度也越低,但塑性越好,這類鋼統稱為亞共析鋼。
組織缺陷類型
正火或供貨狀態
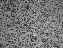
亞共析鋼1、帶狀組織:
帶狀組織是一種常見的缺陷組織,是金屬及合 金凝固時選分結晶,造成枝晶組織的不均勻分布,在 隨後的變形過程中形成沿變形方向的層狀結構,稱 帶狀組織形態舊J,也叫纖維組織。相對於過共析鋼 的碳化物帶狀而言,它是一種鐵素體帶狀。由於 帶狀組織與相鄰顯微組織不同,性能也存在差異, 強弱帶之問的應力分布不均,會造成力學性能的 整體降低,尤其是強烈降低鋼的塑性和衝擊韌度。 組織和性能的各向異性,在外力作用下易沿帶狀偏析。
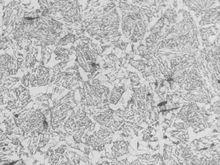
2、魏氏組織:
亞共析鋼魏氏組織是指先共析鐵素體沿奧氏體晶界向品內生長,構成晶內針狀或片狀鐵素體和珠光體的一種復相組織。相對於過共析鋼的滲碳體魏氏組織而言,它的先共析相是鐵素體,所以稱為鐵家體魏氏組織。
從微觀機理上來說,魏氏組織形成於鋼的二次結晶過程中,當冷速較慢或其晶粒足夠細小時,鐵素體核心就以接近平衡狀態的方式結晶,就會在奧氏體晶界上形成網狀鐵素體。若以快冷方式或晶粒粗大時,鐵素體就會以捕人奧氏體內部的方式出現,形成方向性排列的針狀或片狀鐵素體。究其原因在於奧氏體晶粒粗大時,可供鐵素體析出的晶界減少,鐵索體除了在晶界上呈塊狀析出外,只能向晶內生長,為了減少彈性,先析出相就會呈針狀沿奧氏體某一晶面析出,從而不可避免地形成魏氏組織。所以魏氏組織往往是高溫快冷的產物,因此可作為判定材料過熱的一個重要依據。
調質狀態
1、游離鐵素體:
亞共析鋼經調質處理後,正常情況下可得到以鐵素體為基體,其上均勻分布著碳化物顆粒的回火索氏體組織。但實際生產中常會因熱加工工藝不當而形成各種不良甚至是缺陷組織。其中以各種形態的游離鐵素體含量超標最為常見。
針對游離鐵素體的不利影響,結合其形態分布與產生機理,探討有效途徑來加以控制。任何一個合格的熱處理過程都是加熱溫度與冷卻速度的完美結合,調質過程也不例外。當淬火加熱溫度達不到材料所需的奧氏體化溫度,或保溫時間不足以使其完全奧氏體化時,都屬於欠熱淬火,由此造成部分鐵素體未能參與到隨後冷卻時奧氏體的轉化過程而被保留下來,從而形成淬火馬氏體和未溶鐵素體混合組織。在隨後的高溫回火過程中,淬火馬氏體轉變為回火索氏體,而游離鐵素體繼續保留到室溫,成為未溶鐵素體。
對於游離鐵素體的消除,首先要根據鐵素體的形態、分布、熱處理工藝,並結合前道工序的情況具體分析其產生機理,確定屬未溶鐵素體還是析出鐵素體。對於未溶鐵素體,則從提高淬火加熱溫度或延長保溫時間人手;若是析出鐵素體,則考慮增強冷卻速率。總之,從金相分析的角度做出正確判斷,為調整熱處理工藝提供參考。
2、上貝氏體:
在貝氏體家族中,按照其形成溫度及組織形態,有上貝氏體、下貝氏體、粒狀貝氏體和無碳化物貝氏體之分,唯上貝氏體因力學性能較差而被列為不希望出現的組織,尤其是在調質組織中,一定數量上貝氏體的存在會嚴重影響調質組織的綜合力學性能。上貝氏體是過飽和針狀鐵素體與夾於其間的斷續條狀滲碳體組成的混合物。在光學顯微鏡下的典型特徵為羽毛狀。
從微觀機理角度來說,由於上貝氏體形成於貝氏體轉變區的高溫範圍,溫度較高,鐵素體條粗大,碳化物顆粒也粗大,碳的過飽和度低,所以其強度和硬度較低;並且粗大、脆性的碳化物顆粒呈斷續條狀分布於鐵素體條之間,構成脆性通道,降低上貝氏體的韌性。結合上貝氏體的分布情況,脆性的上貝氏體分布在奧氏體晶界上,進一步弱化了晶界強變,所以上貝氏體不僅降低材料的強度、衝擊韌度等靜態性能指標,還會對疲勞強度、持久強度等動態性能指標造成一定影響,從而降低材料的使用壽命。
3、托氏體:
托氏體與索氏體、珠光體都稱為珠光體型組織, 三者都是鐵素體與滲碳體的層片狀機械混合物,差別只是片層間距的不同。因托氏體形成於珠光體區的低溫範圍600~550℃,過冷度大,片間距僅30~80 nm,只有在放大10000倍下才能辨別其層片結構,所以又稱為極細片狀珠光體。
從形成機理上來說,托氏體可形成於正火或淬火的欠溫加熱過程。當加熱溫度偏低或保溫時間偏短時,奧氏體均勻化程度相對較低,不穩定性增大, 組織轉變時的不同時性加劇,局部區域在冷卻時就會發生托氏體轉變。如感應淬火或雷射淬火過程中,由於表面向內部熱傳導時,熱量逐步減少,不足以使其完全奧氏體化,過渡區便會有部分托氏體組織形成。
亞溫淬火強韌
定義
亞共析鋼按照傳統熱處理觀念,亞共析鋼淬火必須進行完全奧氏體化。即完全淬火,其目的是避免鋼中出現未溶鐵素體,使鋼獲得馬氏體組織。以保證其具有較高的強度。但由於鋼淬火時加熱溫度較高,易使鋼中出現裂紋和產生較大的變形。從而影響鋼的韌性。 尤其對形狀複雜的零件更為嚴重。然而。近些年來國內外的研究結果表明,對亞共析鋼採用亞溫淬火,則可在不降低鋼強度的同時提高其韌性。
所謂亞溫淬火即亞共析鋼的不完全淬火。或稱臨界區淬火、兩相區加熱淬火,是指將具有平衡態或非平衡態原始組織的亞共析鋼。加熱至鐵素體+奧氏體雙相區的一定溫度區間。保溫一定時間後進行淬火的熱處理工藝。亞溫淬火是一種新型的、利用超細化複合組織強韌化的熱處理工藝。
機理
1、細化晶粒:
亞溫淬火可使鋼的晶粒度得到顯著細化。亞溫淬火分為高溫啞溫淬火和低溫亞溫淬火,其加熱溫度均處於奧氏體和鐵素體兩相區。由於較完全淬火加熱溫度低.因此形成的初始奧氏體晶粒相對比較細小;同時,鋼中存在的未溶鐵素體以細小的針狀或顆粒狀彌散分布,對生成的奧氏體晶粒也起到了切割作用。阻礙奧氏體晶粒長大,從而有效細化了鋼的奧氏體晶粒。
2、鋼中的未溶鐵素體阻礙裂紋擴展:
亞溫淬火溫度較完全淬火的低,因此,鋼中保留 一部分細小的未溶鐵素體。硬度低、塑性好的鐵素體的存在能防止應力集中和阻礙裂紋擴展,故能提高鋼的低溫韌性。材料在斷裂前,裂紋是在其尖端塑性區擴展的,在雙相合金中當塑性區半徑大於晶粒半徑時,裂紋沿較軟相擴展;鐵素體與馬氏體呈針狀時,脆性相馬氏體被塑性相鐵素體最大限度地分割開,故斷裂時裂紋不僅通過馬氏體,還必然通過鐵素體而擴展,由於鐵素體在斷裂前發生大量塑性變形而消耗較多能量,從而使韌性升高;另外,裂紋擴展到韌性相未溶鐵素體時,由於擴展受阻或被迫改向阻力較小及危害性較小的方向,例如分層,從而鬆弛能量,提高韌性。
3、改善有害雜質元素的分布:
亞溫淬火能改善有害雜質元素在鋼中的分布,主要從以下兩方面進行解釋:一方面,在奧氏體和鐵素體兩相區加熱時,鋼中的晶粒得到細化,晶粒體積減小,表面積與體積的比上升,總晶界面積明顯增多,鐵素體與奧氏體晶界的面積較常規淬火組織里的奧氏體晶界面積大10~50倍,由於總晶界面積增大,晶界增多,故單位面積上的有害雜質元素(P、Sn、Sb、S等)含量減少,有效地減少了有害雜質元素的偏聚;另一方面,亞溫淬火後組織為奧氏體與鐵素體,其中生成的鐵素體主要起淨化作用, 由於雜質元素在鐵素體中的溶解度遠大於在奧氏體中的溶解度,對雜質元素起富集作用,有效地抑制了有害雜質元素在奧氏體晶界上的偏聚。
影響因素
1、原始組織:
平衡態或非平衡態亞共析鋼的原始組織對亞溫淬火強韌化效果有顯著影響。原始組織為馬氏體和貝氏體的鋼加熱到兩相區後所形成的奧氏體與鐵素體呈相互間隔的平行條狀組織,淬火後即為馬氏體和鐵素體條狀組織。一方面,針狀鐵素體及其分布對提高鋼的強度、塑性和韌性均有貢獻;另一方面,這種組織類似於“纖維增強複合材料”,即韌性相鐵素體間隔包圍了強化相纖維狀馬氏體,對提高鋼的強韌性起了有益的作用。
至於具有正火態原始組織的鋼,經亞溫淬火後則形成塊狀鐵素體。對鋼的性能特別是低溫韌性具有一定程度的惡化作用。所以,經亞溫淬火後它的強度明顯低於同一溫度下淬火的非平衡組織鋼。因此,溫淬火後的強度不僅取決於強化相馬氏體的含量,而且取決於韌性相鐵素體的形態和分布。
2、進入臨界區的方式:
鋼以何種方式進入臨界區,又稱雙相區或兩相 區,會影響鐵素體的形態和分布,從而影響亞溫淬火的強韌化效果。進入臨界區的方式有兩種:一種是將鋼先加熱至一定溫度以上進行奧氏體化,然後冷至臨界區,即所謂“從上進入”;另一種是將鋼由室溫直接加熱至臨界區,即所謂“從下進入”。從上進入臨界區時,鐵素體沿奧氏體晶界析出或在奧氏體晶內成對析出,一般較粗大,且分布不均勻,對鋼的低溫韌性產生較大的損害;而“從下進入”臨界區時,鐵素體是未溶解完全而殘留的相,呈細小的針狀或顆粒狀。且均勻地彌散分布。對生成的奧氏體晶粒起切割作用,阻礙奧氏體晶粒長大,同時,彌散分布的未溶鐵素體作為第二相粒子,起沉澱強化作用,因而對鋼的強韌性有較大的提高。
3、亞溫淬火溫度:
亞溫淬火溫度是影響亞溫淬火強韌化效果的最顯著因素之一。亞溫淬火溫度以略低於Ac3為最佳, 降低加熱溫度將導致鋼的性能變壞,當溫度接近 Ac1時,不僅不會起到強韌化效果,還會在鋼中生成大量塊狀鐵素體而使鋼的性能惡化。
4、亞溫淬火後回火溫度:
回火溫度是影響亞溫淬火強韌化效果的顯著因素之一,對此已有不少研究。在同一種鋼中,回火溫度不同亞 溫淬火強韌化效果不同,在含碳量不同的鋼之間,回火溫度相同,亞溫淬火的強韌化效果亦不同。因此,簡單地以某一回火溫度下的強韌化效果來評定其在不同鋼中亞溫淬火的強韌化作用是不恰當的。

