一、實驗目的
1. 掌握望遠系統的入瞳和出瞳距的測量方法
2. 掌握望遠系統放大率的測量方法
二、實驗內容
掌握測量方法,做好測量前的準備工作,測量給定的望遠鏡的入瞳D,出瞳D`及出瞳距p`,計算望遠系統的放大率r。
三、實驗原理
1. 入瞳D的測量
測量入瞳D。對於簡單望遠鏡來說,孔徑光闌和入射光瞳就是物鏡鏡框,其直徑D可用量規或卡尺直接量出,也可採用測量顯微鏡如圖2-1那樣來進行測量,測量時注意要對鏡框直徑的兩端逐個調焦、顯微鏡的橫向移動量,就是入瞳光瞳的直徑D。
圖 2-1
2. 出瞳D`的測量:
測量原理如圖所示,出瞳D`的大小用測量顯微鏡或倍率計進行測量,首先將待測望遠鏡調焦於無限遠,再將待測望遠鏡安置在光具座上,接通平行光管電源,作為無窮遠光源照亮望遠物鏡的外框,則在望遠鏡目鏡後面可看到一亮斑,即為出瞳D`,用測量顯微鏡或倍率計測出D`的大小。測量原理如圖2-2所示。
圖2-2
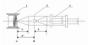
3. 出瞳距p`的測量:
在用測量顯微鏡測出瞳D`的大小時,記下測量顯微鏡在光具座導軌上的位置A,再移動顯微鏡至到能看清望遠鏡後表面(此時看到目鏡後表面上有許多灰塵),記下顯微鏡在導軌上的位置B,則兩位置差即為出瞳距p`。
則: p`=A-B
測量裝置如圖2-3所示
《望遠系統的參數測量》圖 2-3
4. 望遠鏡放大率的測量:
望遠系統放大率即為可見放大率或稱為視角放大率,由幾何光學可知r表示視角放大率有如下關係:
(2-2)
式中: w——望遠鏡物方視場角
w`——望遠鏡象方視場角
D——望遠鏡的入瞳直徑
D`——望遠鏡的出瞳直徑
f物——望遠鏡的物鏡直徑
f`目——望遠鏡的目鏡直徑
根據以上公式,只要任意測得對應的一組數據即能計算出望遠系統的放大率P值。
四、實驗設備
光具座、待測望遠鏡
五、實驗步驟
1. 測量入瞳和出瞳:由公式(2-2)可知視角放大率等於入瞳和出瞳之比。本法與前面望遠鏡的D和出瞳D`測量方法相同。
2. 測量物方視場角w,和象方視場角w`利用公式E=tgw`/tgw而求出望遠鏡的視場角放大率,測量裝置原理如圖2-5所示。
圖 2-5
平行光管裝有已知距離y的分劃板。前置鏡上裝有角度置的分劃板。前置鏡上裝有角度值的分劃板,由於平行光管的分劃板極準確的安裝在就焦平面上。根據公式:
tgw = y/2f `平
式中:f `平——為已知平行光管的焦距。
y為已知刻線間隔的分劃板上線距。故w就是被測望遠鏡的物方視場角。經被測望遠鏡後,通過前置鏡可看到平行光管兩條刻線的象。其夾角為2w`即為兩倍的象方視場角。
根據公式(2-2)計算出視角放大率F來。
六、思考題
1. 你怎樣證明望遠鏡物鏡鏡框內徑就是入射光瞳D?
2. 還有什麼方法測量望遠鏡系統的放大率。舉例說明?

