晶片簡介
LM2596系列是德州儀器(TI)生產的3A電流輸出降壓開關型集成穩壓晶片,它內含固定頻率振盪器(150KHZ)和基準穩壓器(1.23v),並具有完善的保護電路、電流限制、熱關斷電路等。利用該器件只需極少的外圍器件便可構成高效穩壓電路。提供的有:3.3V、5V、12V及可調(-ADJ)等多個電壓檔次產品。
LM2596晶片此外,該晶片還提供了工作狀態的外部控制引腳。LM2596系列開關穩壓積體電路的主要特性如下:
1、輸出電壓:3.3V、5V、12V及(ADJ)等,最大輸出電壓37V
2、工作模式:低功耗/正常兩種模式。可外部控制
3、工作模式控制:TTL電平相容
4、所需外部組件:僅四個(不可調);六個(可調)
5、器件保護:熱關斷及電流限制
6、封裝形式:5腳(TO-220(T);TO-263(S))
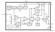
內部框圖
LM2596晶片內部框圖。
註:此圖為TO-220封裝形式的內部框圖。
LM2596LM2596內部包含150KHZ振盪器、1.23v基準穩壓電路、熱關斷電路、電流限制電路、放大器、比較器和內部穩壓電路等。
為了產生不同的輸出電壓通常將比較器的負端接基準電壓(1.23V ),正端接分壓電阻網路。其中R1=1KΩ ,R2分別為1.7KΩ (3.3v),3.1KΩ(5V),8.8KΩ (12V)、0(-ADJ)。將輸出電壓的分壓電阻網路的輸出同內部基準穩壓值1.23V進行比較,若電壓有偏差,則可用放大器控制內部振盪器的輸出占空比,從而使輸出電壓保持穩定。
套用實例
具體套用時可根據需要選擇:LM2596可調電壓型、LM2596-5V、LM2596-3.3等定壓輸出型。要獲得+1.8V輸出電壓時請選用A圖,
LM2596要獲得+3.3V、+5V輸出電壓時請選用B圖。
LM2596支持輸出可調,在輸入40V時,輸出可連續調整為0~37V,典型套用電路如下圖:
LM2596散熱問題
LM2596有兩種封裝形式,5腳TO-220(T);TO-263(S)。一般情況下,TO-220(T)封裝需要加裝散熱片。散熱片的尺寸由輸入電壓、輸出電壓、負載電流和環境溫度決定。環境溫度越高,對散熱的需求也越高。
TO-263(S)封裝的LM2596是要焊接在PCB板上的表貼元件,銅和PCB板有助於這種封裝器件的散熱,如續流二極體、電感器的散熱。焊接這種封裝器件的PCB上的覆銅區域至少要有0.4平方英寸,更多的覆銅區域會改善熱特性,但大於6平方英寸時,在散熱方面的改善就很小,就應在通風的情況下使用。
引腳圖
LM2596引腳圖右圖為LM2596晶片引腳示意圖。1為+VIN,2為out put,3為gnd,4為feed back,5為on/off。

