功能特性
在125KHz吞吐速率和2.7V電壓下的功耗為750uW,而在關閉模式下的功耗僅為0.5uW。 因此ADS7843以其低功耗和高速率等特性,被廣泛套用在採用 電池供 電的小型手持設備上。 ADS7843採用SSOP-16 引腳封裝形式。溫度範圍是-40℃~+80℃。ADS7843具有兩個輔助輸入(1N3、1N4),可設定為8位或12位模式。該電路的工作電壓在2.7~5.25V之間。基準電壓vref介於1V~ +Vcc。該電路的基準電壓確定了轉換器的輸入範圍,輸出數據中每個數字位代表的模擬電壓等於基準電壓除以4096。平均基準輸入電流由ADS7843的轉換率來確定。
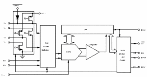
工作原理
ADS7843是一款連續近似記錄(SAR)的a/d轉換器。可通過連結觸控螢幕X+觸摸信號輸入到a/d轉化器。同時打開 Y+和Y-的驅動,然後數位化X+的電壓。從而得到當前Y位置的測量結果。同理,也可得到X方向的坐標。

