結構原理
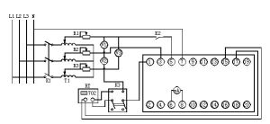
圖1按整流式原理構成。原理圖見圖2。其組成部分包括變壓器、電阻器、整流橋、濾波電容、極化繼電器及指示燈。
繼電器所用變壓器是一個五繞組變壓器。原邊三個繞組星形連線。其中A相極性與B相、C相極性相反。所以加三相對稱電壓時磁通向量和不為零,二次繞組有電壓輸出,經整流,濾波驅動兩個極化繼電器。兩個極化繼電器的觸點相互串接以實現其輸出雙重化。
繼電器若一相或兩相斷路時,變壓器二次亦有輸出電壓,繼電器可靠動作。
繼電器接於發電廠及變電所內高壓母線上電壓互感器二次側。當高壓母線無電時,繼電器釋放,極化繼電器的動斷觸點接通,閉鎖解除,允許合接地刀閘。
技術要求
圖2額定電壓為交流100V,額定頻率為50Hz。
2.繼電器施加三相交流額定電壓100V(相電壓58V),以及在斷一相或斷兩相時,繼電器可靠動作,斷電時可靠返回。
3.最大工作電流
交流100V時,極化繼電器電流不大於5mA。
4.最小工作電流
斷相時極化繼電器的電流不小於2.5mA。
5.動作時間不大於45ms。
6.功率消耗
額定電壓下,繼電器每相所消耗的功率不大於5VA。
7.觸點斷開容量
在直流有感(τ=5ms)迴路,U≤250V,I≤0.2A,為20W;在交流(cosφ=0.4)迴路,U≤250V,I≤0.2A,為30VA。
8.絕緣電阻不小於300MΩ,在交變濕熱條件下不低於4MΩ。
9.介質強度
繼電器所有電路對外殼的絕緣應能耐受50Hz、2kV交流電壓,歷時1min的試驗,而無絕緣擊穿或閃絡現象。
10.電壽命為103次。
11.重量約為1kg。
調試方法
1.極化繼電器的調試慢慢施加交流電壓,在端子7和8及15和16上測得的動作電流為1.7mA~1.8mA,返回電流不小於0.9mA。
2.繼電器調試
施加額定電壓,繼電器應滿足技術要求中2~5之規定。


