ECL(Emitter Coupled Logic)即發射極耦合邏輯電路,也稱電流開關型邏輯電路。它是利用運放原理通過電晶體射極耦合實現的門電路。在所有數字電路中,它工作速度最高,其平均延遲時間tpd可小至1ns。 這使得ECL積體電路在高速和超高速數字系統中充當無以匹敵的角色 。
電路結構及工作原理
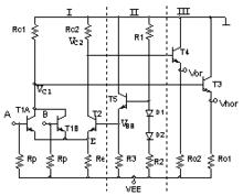
ECL[發射極耦合邏輯電路]電路結構及工作原理與其它數字積體電路一樣,ECL積體電路的邏輯功能也可以歸結為基本門電路的工作過程。ECL 積體電路的基本門為一差分管對,其電路 形式如圖所示:
圖中:
第I部分為基本門電路,完成“或/或非”功能;
第II部分為基準源電路具有溫度補償功能;
第III部分為射級跟隨器,完成輸出及隔離功能。
ECL 積體電路的特點
1、在正常工作狀態下,ECL電路中的電晶體是工作於線性區或截止區的。因此,ECL積體電路被稱為非飽和型邏輯電路。
2、ECL電路的邏輯擺幅較小(僅約 0.8V ,而 TTL 的邏輯擺幅約為 2.0V ),當電路從一種狀態過渡到另一種狀 態時,對寄生電容的充放電時間將減少,這也是 ECL電路具有高開關速度的重要原因。但邏輯擺幅小,對抗干擾能力不利。
3、由於單元門的開關管對是輪流導通的,對整個電路來講沒有“截止”狀態,所以單元電路的功耗較大。
4、從電路的邏輯功能來看, ECL 積體電路具有互補的輸出,這意味著同時可以獲得兩種邏輯電平輸出,這將大大簡化邏輯系統的設計。
5、ECL 積體電路的開關管對的發射極具有很大的反饋電阻,又是射極跟隨器輸出,故這種電路具有很 高的輸入阻抗和低的輸出阻抗。射極跟隨器輸出同時還具有對邏輯信號的緩衝作用。
總結:ECL門的速度快,常用於高速系統中。它的主要缺點是製造工藝要求高,功耗大,抗干擾能力弱。而且由於輸出電壓為負值,若與其他門電路接口,需用專門的電平位移電路。
