描述
78L05英文描述:5.0 AMP POSITIVE VOLTAGE REGULATOR
78L05是一種固定電壓(5V)三端集成穩壓器,其適用於很多套用場合.象牽涉到單點穩壓場合需要限制噪聲和解決分布問題的在-卡調節.此外它們還可以和其它功率轉移器件一起構成大電流的穩壓電源,如可驅動輸出電流高達100毫安的穩壓器.其卓越的內部電流限制和熱關斷特性使之特別適用於過載的情況.當用於替代傳統的齊納二極體-電阻組的時候,其輸出阻抗得到有效的改善,其偏置電流大大減少.
特性
78L05* 輸入電壓可達30-35V
* 輸出電流可達到100mA
* 無需外接元件
* 內部熱過載保護
* 內部短路電流限制
* 從2004年底開始,提供的各類封裝形式,均為無鉛封裝產品。
套用須知
* 如果穩壓器離電源濾波器有一段距離,Cin是必需的
* Co對穩定性而言是可有可無的,但的確能夠改善瞬態回響
套用範圍
■網路產品
■DVD-ROM,CD-ROM。
■音效卡和電腦主機板。
線性穩壓源。
■控制器。
線路圖
注;(1)為確定輸出電壓值,請選擇電壓值後綴(xx)
(2) 為獲得最佳的穩定性和瞬態回響,建議使用旁邊電容並儘量可能挨著電路安裝。
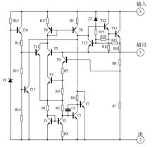
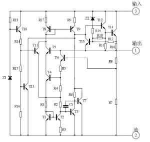
78L05內部電路
78L05內部電路圖;
78L05內部電路圖;
內部線路圖價格
三端穩壓器78L05在網頁上關注度較高,詢價和報價出現的次數頻繁。不同的封裝所報出的價格也有一定的差異,ST品牌的TO-92封裝格式的平均報價為0.11元/PCS;而SOT89的封裝格式報價相對高些,平均報價0.17元/PCS。根據華強北指數分析師分析所得,參考華強北市場。

