黑白電視機

黑白電視機

黑白電視機,是一種只能顯示黑白兩色的電視機。在電視發展的早期,包括電視節目的錄製和電視機的接收顯示,都只能體現黑白兩種顏色。隨著科技的發展,在20世紀60年代,逐漸出現了彩色電視。

基本信息

概述

黑白電視機;利用電子技術及設備傳送活動的圖像畫面和音頻信號,即電視接收機,也是重要的廣播和視頻通信工具,電視用電的方法即時傳送活動的視覺圖像。同電影相似,電視利用人眼的視覺殘留效應顯現一幀幀漸變的靜止圖像,形成視覺上的活動圖像。電視系統傳送端把景物的各個微細部分按亮度和色度轉換為電信號後,順序傳送。在接收端按相應幾何位置顯現各微細部分的亮度和色度來重現整幅原始圖像,各國電視信號掃描制式與頻道寬頻不完全相同,按國際無線電諮詢委員會(CCIR)的建議用拉丁字母來區別。

發明

電視機發明者貝爾德電視機發明者貝爾德

1925年,英國人約翰.洛奇.貝爾德,根據德國工程師尼普科夫設計的“尼普科夫圓盤”進行了新的研究工作,成功發明了世界上第一台電視機,是機械掃描式電視攝像機和接收機 。當時畫面解析度僅30行線,掃描器每秒只能5次掃過掃描區,畫面本身僅2英寸高,一英寸寬。在倫敦一家大商店向公眾作了表演。1926年,電視的發明者之一貝爾德向英國報界作了一次播發和接收電視的表演。1927——1929年,貝爾德通過電話電纜首次進行機電式電視試播;首次短波電視試驗;英國廣播公司開始長期連續播發電視節目。1930年實現電視圖像和聲音同時發播。1931年,首次把影片搬上電視銀幕。人們在倫敦通過電視欣賞了英國著名的地方賽馬會實況轉播。電視的發明者之一美國人費羅·法恩斯沃斯發明了每秒種可以映出25幅圖像的電子管電視裝置

黑白電視的影響

科技的發展,在20世紀50年代,逐漸出現了彩色電視。電視能通過銀屏圖像和伴聲,及時準確形象地展現出社會生活方方面面的信息,極具娛樂性,是大眾傳媒、朝陽產業。要對電視機進行安裝、焊接、調試等操作,首先應掌握用電安全識、常用電子元器件和電子儀器的使用,還應該了解黑白電視機基本的工作原理,以及各部分電路所能實現的功能等。

工作原理

黑白電視機與電視接收機(簡稱電視機)的工作原理是一樣的。是廣播電視系統的終端設備,它的主要作用是把電視台發出的高頻信號進行放大、解調,並將放大的圖像信號加至顯像管柵機極或陰極間,使圖像在螢幕上重現,將伴音信號放大,推動揚聲器放出聲音。另外,在同步信號作用下產生與傳送端同步的行、場掃描電流,供給顯像管偏轉線圈,使螢幕重現圖像。目前電視機大都採用超外差內載波方式。

分離原理

黑白電視機的背面

黑白電視機電視原理黑白電視機電視原理

⑴電視的接收方式

電視信號的接收,主要分為地面廣播電視接收、電纜電視技術接收、衛星直播電視接收三種方式。普通電視機能直接接收地面廣播電視和電纜電視,附加一定設備就可接收衛星直播電視。電視接收機的任務就是將接收到的電視信號轉變成黑白或者彩色圖像。它對電視信號可採用模擬或者數字處理方式。目前電視機正處在從模擬信號處理向數位訊號處理過渡的階段,電視信號的接收正朝著數字處理和多種視聽信息綜合接收的方向發展。當代科學技術之飛躍,引起了電視接收技術的變革。其主要表現是:①利用數字積體電路,對電視信號進行數位化處理,以便壓縮頻帶,獲得高質量的圖像。拜爾德和他的發明②利用超音波、紅外線和微處理技術實現遙控。完成選台、音量調節、對比度、亮度、色飽和度、靜噪控制、電源開關、復位控制等遙控動作。③利用微處理技術進行自動搜尋,自動記憶,預編節目程式。利用頻率合成技術和存貯技術,在螢幕上顯示時間、頻道數和作電視遊戲等。

電視信號原理

微弱和高頻電視信號必須先經過高頻放大、變頻、中頻放大和視頻檢波後,才能變成具有一定電壓幅度的彩色全電視信號;然後根據亮度信號、色度信號、同步信號和色同步信號在時域和頻域中的特點,利用它們在頻率、相位、時間、幅度等方面的差異進行分離,如圖5.1-1所示。例如:①視頻檢波後,圖像信號(0~6MHz)和伴音信號(6.5MHz)可進行頻率分離;②亮度信號(0~6MHz)和色度信號(4.43±1.3MHz)可進行頻率分離;③亮度信號和複合同步信號,可以進行幅度分離;④色度信號(行正程)和色同步信號(行逆程)可進行時間分離;⑤μ和υ色度信號在頻率和相位上不一致,可進行頻率、相位雙重分離等等。分離後的各種信號分別完成自己的功能,最後在顯像管上顯示出彩色(或黑白)圖像。電視機的電路組成就是根據上述電視信號的分離法則進行設計的。

過程

1900年,英國人康斯坦丁-帕斯基在為國際電聯會議起草的報告中,第一次正式使用“電視(television)”

拜爾德和他的發明

拜爾德和他的發明2拜爾德和他的發明2

1925年,貝爾德在英國首次成功研製出世界第一台電視機,當時人們也沒有料到她會成為二十世紀最偉大的發明,我們這個時代的寵兒。從此,這當初被稱為“破玩藝兒”的黑匣子緊隨著戰爭與和平,勝利的鮮花和失敗的葬禮。現在,沒有什麼媒體比電視更引人注目,她作為家庭和整個世界聯繫的紐帶,深深地影響著人們的社會存在和生活行為。

早在1936年,英國就開始了電視廣播。1941年,美國黑白電視亦開播。1954年彩電在美國面世,廣播電視業迅速發展。到了50年代中期,廣播電視在國外已相當普及了。到了1958年3月17日,中國第一台黑白電視機誕生的日子。中國自解放到1958年前沒有電視廣播。為向國外看齊,1957年國家決定發展電視廣播業。老一輩的電視人安永成回憶說:當時的電子工業主管部門——第二機械工業部第十局把研製電視發射中心設備的任務交給了北京廣播器材廠,把研製電視接收機的任務交給了國營天津無線電廠。由此中國電視工業開始譜寫歷史。隨著科技的發展,在20世紀60年代,逐漸出現了彩色電視。電視能通過銀屏圖像和伴聲,及時準確形象地展現出社會生活方方面面的信息,極具娛樂性,是大眾傳媒、朝陽產業。要對電視機進行安裝、焊接、調試等操作,首先應掌握用電安全常識、常用電子元器件和電子儀器的使用,還應該了解黑白電視機基本的工作原理,以及各部分電路所能實現的功能等。中國第一台電視機主持設計師,天津無線電廠專家黃仕機回憶道:為儘快攻下電視機的研製任務,填補國家空白,廠里成立了專門課題組,共8人,都是廠里的頂級技術人員和工人。1957年下半年,8人小組首先向國內外專家請教。同時,他們多方收購出國人員帶回的蘇聯生產的多款電視機,還特別向蘇聯訂購了一些新型“旗幟”牌電視樣機、散件和資料。在消化吸收了各電視機電路、結構、元器件性能、外觀造型和使用維修方便性的優點後,他們確定了以“旗幟”牌電視機為主參考的設計方案。1958年初,確定了“採用國產電子管器件,一個電視接收和調頻接收兩用、控制鏇鈕在前方”的電視機設計方案。

黑白電視與中國

接下來是對設計各部分分塊試驗。攻克每個難題都是在無數次的失敗中摸索找答案的。如大電流磁偏轉技術,超高壓產生和絕緣技術,電磁干擾隔離和禁止技術以及電視圖像和伴音質量的高保真技術等等。歷時2個月,參戰的人們經常是徹夜不眠。8人組與實驗人員終於勝利完成了分塊實驗。1958年3月初,第一台試驗電視樣機組裝出來了。最後一步是試用考核。3月17日晚,中國電視中心在北京第一次試播電視節目。實驗大廳里擺放著蘇聯和中國的電視樣機。晚7時整,中國第一台電視機銀屏上清晰地出現了廣播員的圖像並伴洪亮的聲音。圖像和聲音質量與蘇聯電視機完全相同。隨後是對娛樂節目的接收。樣機試用考核百分之百通過。中國第一台黑白電視機研製成功了。

組成

組成簡介

黑白電視接收機主要由信號通道(包括高頻頭,中放,視放和伴音通道),掃描電路(包括同步分離,場、行掃描電路)和電源三部分組成。信號通道的任務是將天線接收到的高頻電視信號變換成視頻亮度信號和音頻伴音信號。亮度信號激勵顯像管產生黑白圖像,伴音信號推動揚聲器產生電視伴音。掃描電路的任務是為顯像管提供場、行掃描電流和各種電壓,使顯像管產生與電視台攝像管同步掃描的光柵。電源部分的任務是將交流市電轉變成電視機所需要的各種直流電壓。

信號通道

電視天線周圍存在著各種各樣的電磁波,由天線和輸入電路選出欲接收頻道的電視信號,再經過高頻放大器有選擇性的放大,與本
黑白電視機黑白電視機
振輸出的頻率較高的正弦波混頻得到中頻信號。在變頻前,圖像載頻低於本頻道的伴音載頻;變頻後,圖像中頻高於伴音中頻。這是由於本振頻率高於圖像載頻和伴音載頻的緣故。但是,圖像中頻和伴音中頻之差不變,例如,保持6.5MHz。圖像和伴音兩中頻信號經公用通道放大進入視頻檢波級。檢波器有兩個作用:一是從中頻信號中檢出其包括---視頻全電視信號;二是利用檢波器的非線性作用,完成圖像中頻和伴音中頻的差拍作用,產生出6.5MHz調頻的第二伴音中頻信號。檢波器的輸出信號不僅饋給視放級,而且饋給同步分離電路、自動增益控制(AGC)電路及伴音中放電路,因此採用射隨器進行預放大,以加強其負載能力。預放級也有兩個作用:一個將全電視信號和第二伴音中頻信號分離。二是將全電視信號進行電流放大,分別饋級視放級,同步分離級和AGC電路;將第二伴音中頻信號進行電壓放大饋級伴音通道。因此,從天線至預視放稱為黑白電視機圖像信號和伴音信號和公共通道。全電視信號的一部分經視放級放大去激勵顯像管產生黑白圖象。另一部分送到同步分離級,分離同步信號,用以控制接收機的掃描電路,產生與傳送端同步的掃描運動。第三部分送到AGC電路,對高頻頭和圖像中放的增益進行自動控制,從而保證接收機的穩定接收。第二伴音中頻信號經伴音中頻放大電路的放大和限幅,由鑒頻器解調出伴音信號,再經低頻放大,推動揚聲器產生電視伴音。鑒頻前為調頻信號,從天線至混頻的載頻為伴音載頻,混頻至檢波為伴音第一中頻,檢波至鑒頻為伴音第二中頻。鑒頻後為伴音的音頻信號。

超外差內載波式接收的優點

上述信號接收具有兩個特點:1.超外差方式;2.伴音內載波方式。超外差方式與直接放大方式相比,具有下列優點:①增益高、工作穩定。其原因是混頻前後頻率不同,相當於隔離,故多級放大不易自激。②轉換頻道和調諧方便。③容易形成殘留邊帶接收所需的幅頻特性,選擇性好。超外差又分為單通道和雙通道兩種方式,其差別在於圖像信號和伴音信號的分離點不同,前者在視頻檢波之後才分離,後者在混頻之後就分離。在單通道方式中,圖像中頻和伴音第一中頻公用一個通道進行放大,同時加入視頻檢波器,檢波器除檢出視頻圖像信號外,還使圖像中頻和伴音中頻差拍產生第二伴音中頻信號(例如6.5MHz)。因此,單通道方式亦稱為伴音內載波方式。它與雙通道方式相比,其優點是當高頻頭的本振頻率發生偏移後,第二伴音中頻始終保持不變,從而避免了鑒頻失真。而雙通道則不然,本振頻率的偏移引起伴音中頻30.5MHz的偏移,使以30.5MHz為中心頻率的鑒頻器工作在嚴重的不對稱狀態,引起伴音的音頻信號波形嚴重失真。理論分析證明:為了不使圖像中頻信號對伴音第二伴音中頻信號引起嚴重的寄生調幅,必須要求圖像中頻信號的幅度U1m始終要大於或等於伴音第一中頻信號的幅度U2m的二倍,即U1m≥2U2m。在負極性調製中,對應於白色電平圖像中頻信號的載波幅度最小。電視中的調製度通常規定為90%,即白色電平時,圖象的載波幅度為最大幅度(同步頭的幅度)的10%。所以要求進入檢波器的伴音第一中頻信號的幅度應當小於或者等於最大幅度5%,這就是中頻特性線中,伴音中頻(30.5MHz)要衰減至5%(-26dB)的原因。

同步分離和掃描電路

視頻圖像信號經過自動雜波抑制ANC電路,消除其中的干擾脈衝。送到同步分離,分離出複合同步信號,它分成兩路:一路複合同步信號經積分電路分離出場同步信號。場同步信號使場振蕩產生的鋸齒波信號與傳送端同步,場鋸齒波信號經場推動和場輸出級的放大,在場偏轉線圈中產生場掃描電流,場掃描電流使顯像管電子束作與傳送端同步的垂直掃描運動。另一路複合同步信號本應通過微分電路分離出行同步信號來控制行掃描電路,使其產生與發端同步的行掃描電流,但是,為了提高行掃描電路的抗干擾性,現代電視接收機都採用自動頻率相位控制(AFPC)電路。由於AFPC電路自身的特點,可以直接將複合同步信號加入其鑒相器,並讓行振盪的頻率與其比較。如果兩者的頻率和相位存在差別,則輸出與誤差成比例的電壓,並經過低通濾波器來控制行振盪器的頻率,使其與發端同頻同相,由於AFPC電路中低通濾波器的作用,行同步的抗干擾性大大加強。與發端同步行振盪信號經行推動和行輸出級放大,在行偏轉線圈中產生行偏轉電流,行偏轉電流使顯像管電子束產生與傳送端同步的水平掃描運動。另外,還將行掃描逆程脈衝進行升壓、整流得到顯像管需要的高壓(10~28kV)、中壓以及視放電路需要的電壓。若採用鍵控AGC電路,還需要行掃描電路提供行掃描逆程脈衝。

電源

電視機的電源可分低壓電源、中壓電源和高壓電源。其中低壓電源是由交流市電(220V)經變壓器變壓、整流橋整流、濾波器濾波及穩壓器穩壓而得到的。

系統調試

黑白電視機原理與維修

為了使電視機安裝、焊接、調試能夠順利,所以在安裝前應仔細清點要安裝的電視機材料,並對其認真檢測,看是否性能良好。看各元器件管腳是否已氧化,若有氧化,應將管腳刮亮或鍍錫。安裝前還要仔細檢查電路板的銅箔是否完好,有無短路或斷路,要特別注意的是不要用皮膚直接接觸印製板焊接面,防止汗液使焊點很快氧化,影響焊接質量。焊接時,所在場所要有一定的活動空間,身邊不要有易燃易爆物品,防止發生意外;對器件的焊接,焊點要飽滿,防止電視機長期工作後脫焊。焊接二極體、三極體、電解電容等時,要特別注意電極和極性,不要將管腳接反、接錯。⒈電源電路的調試電路裝完後,經互檢無焊錯、連焊及虛焊,用萬用表的電阻擋測試輸入迴路的總阻值應在200kΩ以上,如阻值小於此數值則不能通電,應找出原因,排除故障,使輸入電阻達到200kΩ以上,然後再與變壓器相連線,通電後空載時整流輸出電壓應為18~19V。如果所測電源的數據超出以上數據範圍,應查明穩壓電源各電晶體的電位,找出原因,或調整取樣電阻,最終得到正確的電流和電壓。技術指標:輸入交流電壓14~16V±0.5V;輸出直流電壓9.35~9.4V±0.5V;總電流<850mA。⒉通道部分的調試通道部分包括:高頻頭、中放、AGC控制,檢波與視放部分,音頻信號通道部分。對照電視機原理圖與印製板檢查無誤後,接通電源,測試總電流應小於750Ma,如果大雨此數值,應立即關掉電源,查出過流原因,故障查出後,必須將故障排除,然後在打開電源測試各腳電位看是否正常。⒊掃描電路的調試

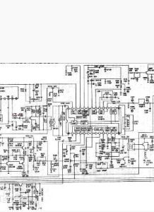
黑白電視機電路圖

掃描電路包括:同步分離,行場振盪、推動、輸出電路,行輸出變壓器和顯像管電路部分。經互檢無誤後,接通電源。試總電流應小於750mA,如果大於此數值,應立即關掉電源,查出過流原因。故障查出後,必須將故障排除,然後再打開電源測試各腳電位(看是否正常)。如電位均正常,可用示波器觀察行場電路各級輸出波形。技術指標:CSC5151P晶片26腳場輸出信號的電壓1.5VP-P,頻率50Hz17腳行輸出信號電壓為2.6VP-P,頻率為15625Hz;場輸出T20、T203射級電壓為14VP-P;行輸出管集電極電壓為110VP-P。以上測試完畢後電視機顯示器有正常的掃描和亮度。⒋控制部分的調試控制部分包括:頻道選擇電路、音量調諧和電源開關。經互檢無誤後,接通電源,測試總電流應小於850mA。若大於此值,應立即關掉電源,查出過流原因,排除故障,然後測試各點電位是否正常。

整機組裝

黑白電視機整機組裝1

整機組裝包括電源電路的組裝、通道部分的安裝、掃描電路的安裝和控制部分的安裝。穩壓電源向整機提供穩定的電壓和足夠大的電流,應先確保其正常工作。安裝前確保印製電路板上無短路或斷路現象,元器件引線不能相碰。連線應絕緣,熔斷器必須按照電路中的規定數值,不能隨意更改。安裝時先固定大型元器件,對固定後不便焊接的地方可以先焊上連線的一端。安裝小型元件,一般是先裝電阻和電容,後安裝電晶體、連線和電路板上的短接線。總之,裝完一部分元器件後,不能影響其他元器件的安裝。裝殼需要按如下幾個步驟進行。a)將調整板用螺絲固定。

黑白電視機整機組裝2

b)將調諧鏇鈕、音量鏇鈕、波段開關裝好,一定到位且保證轉動靈活,然後用螺絲將調諧鏇鈕、音量鏇鈕固定。c)檢查所有連線均準確連線後,將主機板裝入機殼中,並將螺絲擰緊。

中國方面

中國第一台電視接收機實地接收試驗成功

1958年3月17日,是中國電視發展史上值得紀念的日子。這天,中國電視廣播中心在北京第一次試播電視節華夏第一屏目,國營天津無線電廠(後改為天津通信廣播公司)研製的中國第一台電視接收機實地接收試驗成功。這台被譽為“華夏第一屏”的北京牌820型35cm電子管黑白電視機,如今擺在天津通信廣播公司的產品陳列室里。中國在1958年以前還沒有電視廣播,國內不能生產電視機。1957年4月,第二機械工業部第十局把研製電視接收機的任務交給國營天津無線電廠,廠領導立即組織試製小組,黃仕機同志主持設計。當年,試製組多數成員只有20歲上下,他們對電視這門綜合電、磁、聲、光的新技術極其生疏,沒有見過電視機,參考資料也很少,通過對資料、國外樣機、樣件的研究,他們根據當時國內元器件生產能力和工藝加工水平,制定了“電視接收和調頻接收兩用、通道和掃描分開供電、採用國產電子管器件”的電視機設計方案。中國第一台電視機的試製成功,填補了中國電視機生產的空白,是中國電視機生產史的起點,今天中國已成為世界電視機生產大國。中國第一台電視機1958年3月由天津無線電廠試製成功。為了紀念這台電視機的誕生,它被命名為“北京”。

中國第一台黑白電視機誕生

1958年3月17日,中國第一台黑白電視機誕生的日子。電視能通過銀屏圖像和伴聲,及時準確形象地展現出社會生活方方面面的信息,極具娛樂性,是大眾傳媒、朝陽產業。早在1936年,英國就開始了電視廣播。1941年,美國黑白電視亦開播。1954年彩電在美國面世,廣播電視業迅速發展。到了50年代中期,廣播電視在國外已相當普及了。中國自解放到1958年前沒有電視廣播。為向國外看齊,1957年國家決定發展電視廣播業。老一輩的電視人安永成回憶說:當時的電子工業主管部門——第二機械工業部第十局把研製電視發射中心設備的任務交給了北京廣播器材廠,把研製電視接收機的任務交給了國營天津無線電廠。由此中國電視工業開始譜寫歷史。第一台電視機主持設計師,天津無線電廠專家黃仕機回憶道:為儘快攻下電視機的研製任務,填補國家空白,廠里成立了專門課題組,共8人,都是廠里的頂級技術人員和工人。

辛勤研究

1958年5月18日由天津無線電廠黃仕機小組試製的華夏第一屏說是“頂級”人物,可都沒見過電視機,更談不上深入了解和掌握電視機的有關知識了。在資料極其匱乏的情況下,大家一時感到無從下手。但立志開創祖國電視機的8人小組,決心迎難而上,邊乾邊學,變外行為內行,為中國電視機工業寫下濃墨重彩的第一筆。1957年下半年,8人小組首先向國內外專家請教。同時,他們多方收購出國人員帶回的蘇聯生產的多款電視機,還特別向蘇聯訂購了一些新型“旗幟”牌電視樣機、散件和資料。在消化吸收了各電視機電路、結構、元器件性能、外觀造型和使用維修方便性的優點後,他們確定了以“旗幟”牌電視機為主參考的設計方案。黃老進一步說道:"當時中國電子工業配套水平與國外尚有較大差距,許多電視機用的元器件和材料還沒有發展和生產,不可能照抄國外樣機的設計。要短時內拿出國產電視機,只能根據國情,自力更生,走自己的路。"1958年初,確定了“採用國產電子管器件,一個電視接收和調頻接收兩用、控制鏇鈕在前方”的電視機設計方案。接下來是對設計各部分分塊試驗。黃老講,所遇到的許多技術問題幾乎都是國內首次接觸的。“我們沒有電視專用儀器,沒有廣播電視信號用以檢查電視機的實際接收質量,只能靠一般的簡單儀器來進行試驗。往往測試一個電視寬頻帶的幅頻特性就得逐點進行,費時費力。”攻克每個難題都是在無數次的失敗中摸索找答案的。如大電流磁偏轉技術,超高壓產生和絕緣技術,電磁干擾隔離和禁止技術以及電視圖像和伴音質量的高保真技術等等。歷時2個月,參戰的人們經常是徹夜不眠。8人組與實驗人員終於勝利完成了分塊實驗。1958年3月初,第一台試驗電視樣機組裝出來了。黃老講,這台樣機的實驗並不是一帆風順的,出了很多意想不到的問題,突出的問題是電視機特有的電磁干擾圖像。“我們針對樣機在性能和結構上存在的問題,群策群力,再接再厲,採取了各種有效措施,奮鬥到了3月中旬,中國第一台電視機終於迎春誕生了。”

研製成功

最後一步是試用考核。3月17日晚,中國電視中心在北京第一次試播電視節目。實驗大廳里擺放著蘇聯和中國的電視樣機。晚7時整,中國第一台電視機銀屏上清晰地出現了廣播員的圖像並伴洪亮的聲音。圖像和聲音質量與蘇聯電視機完全相同。隨後是對娛樂節目的接收。樣機試用考核百分之百通過。中國第一台黑白電視機研製成功了。半年多為它傾注大量心血和汗水的人們,此時一顆懸著的心落了下來,原本屏住呼吸的神經此時是興奮和激動。為國家填補電視機空白的人們,自豪和欣慰,喜悅的淚水盡情流淌下來……

相關搜尋

熱門詞條

聯絡我們