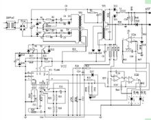
工作原理
電動車充電器原理圖220v交流電經T0雙向濾波抑制干擾,D1整流為脈動直流,再經C11濾波形成穩定的300V左右的直流電。U1 為TL3842脈寬調製積體電路。其5腳為電源負極,7腳為電源正極,6腳為脈衝輸出直接驅動場效應管Q1(K1358) 3腳為最大電流限制,調整R25(2.5歐姆)的阻值可以調整充電器的最大電流。
2腳為電壓反饋,可以調節充電器的輸出電壓。4腳外接振盪電阻R1,和振盪電容C1。T1為高頻脈衝變壓器,其作用有三個。
第一是把高壓脈衝降壓為低壓脈衝。
第二是起到隔離高壓的作用,以防觸電。
第三是為uc3842提供工作電源。D4為高頻整流管(16A60V)C10為低壓濾波電容,D5為12V穩壓二極體, U3(TL431)為精密基準電壓源,配合U2(光耦合器4N35) 起到自動調節充電器電壓的作用。調整w2(微調電阻)可以細調充電器的電壓。D10是電源指示燈。D6為充電指示燈。
電動車充電器原理圖R27是電流取樣電阻(0.1歐姆,5w)改變W1的阻值可以調整充電器轉浮充的拐點電流
(200-300 mA)通電開始時,C11上有300v左右電壓。此電壓一路經T1載入到Q1。
第二路經R5,C8,C3, 達到U1的第7腳。強迫U1啟動。U1的6腳輸出方波脈衝,Q1工作,電流經R25到地。同時T1副線圈產生感應電壓,經D3,R12給U1提供可靠電源。T1輸出線圈的電壓經D4,C10整流濾波得到穩定的電壓。此電壓一路經D7(D7起到防止電池的電流倒灌給充電器的作用)給電池充電。
電動車充電器原理圖第二路經R14,D5,C9, 為LM358(雙運算放大器,1腳為電源地,8腳為電源正)及其外圍電路提供12V工作電源。D9為LM358提供基準電壓,經R26,R4分壓達到LM358的第二腳和第5腳。正常充電時,R27上端有0.15-0.18V左右電壓,此電壓經R17加到LM358第三腳,從1腳送出高電壓。此電壓一路經R18,強迫Q2導通,
D6(紅燈)點亮,第二路注入LM358的6腳,7腳輸出低電壓,迫使Q3關斷,D10(綠燈)熄滅,充電器進入恆流充電階段。當電池電壓上升到44.2V左右時,充電器進入恆壓充電階段,輸出電壓維持在44.2V左右,充電器進入恆壓充電階段,電流逐漸減小。當充電電流減小到200mA—300mA時,R27上端的電壓下降,LM358的3腳電壓低於2腳,1腳輸出低電壓,Q2關斷,D6熄滅。同時7腳輸出高電壓,此電壓一路使Q3導通,D10點亮。另一路經D8,W1到達反饋電路,使電壓降低。充電器進入涓流充電階段。1-2小時後充電結束。
基本分類
負脈衝充電器
鉛酸電池已經有100多年的歷史了,開始全球普遍沿引老的觀點和操作規程:充、放電率為0.1C(C是電池容量)壽命較長。美國人麥斯先生為解決快速充電問題,1967年向全世界公布了他的研究成果,用大於1C率脈衝電流充電,充電間歇時對電池放電。放電有利於消除極化、降低電解液溫度、提高極板接受電荷的能力。
我國一些科技工作者在1969年前後,根據麥斯先生的三定律製作成功了多種品牌的快速充電機。充電循環過程是:大電流脈衝充電→切斷充電通路→對電池短暫放電→停止放電→接通充電通路→大電流脈衝充電……
2000年前後,有人將這一原理用到了電動車充電器中,充電過程中,不切斷充電通路,用小電阻將電池短路瞬間,進行放電。短路時由於不切斷充電通路,在充電通路中串連了電感。一般在1秒內短路3-5毫秒(1秒=1000毫秒),由於電感里的電流不能跳變,短路時間短促,可以保護充電器的電源轉換部分。如果把充電電流方向叫正,放電自然為負了,電動車業就出現了名詞“負脈衝充電器”,而且稱可以延長電池壽命等等。
三段式充電器
電動車充電器近幾年,電動車普遍使用了所謂三段式充電器,第一個階段叫恆流階段,第二個階段叫恆壓階段,第三個階段叫涓流階段。從電子技術角度針對電池而言:第一個階段叫充電限流階段,第二個階段叫高恆壓階段,第三個階段叫低恆壓階段比較貼切。第二階段和第三階段轉換時,面板指示燈相應變換,大多數充電器第一、二階段是紅燈,第三階段變綠燈。第二階段和第三階段的相互轉換是由充電電流決定的,
大於某電流進入第一第二階段,小於某電流進入第三階段。這個電流叫轉換電流,也叫轉折電流。
早期充電器,包括名牌車配套的充電器,雖然也變燈,但實際是恆壓限流充電器,並不是三階段充電器。一般這類就一個穩定電壓值,44.2V左右,對當時的高比重硫酸的電池還湊合。
關於三段式充電器的三個關鍵參數
第一個重要參數是涓流階段的低恆壓值,第二個重要參數是第二階段的高恆壓值,第三個重要參數是轉換電流。這三個重要參數與電池數目有關,與電池的容量Ah有關,與溫度有關,與電池種類有關。為了方便大家記憶,下面以最常見的電動腳踏車(三塊12V串聯的10Ah電池)所用的三段式充電器為例簡單介紹一下:
首先討論涓流階段的低恆壓值,參考電壓為42.5V左右。此值高將使電池失水,容易使電池發熱變形;此值低不利於電池充足電。此值在南方要低於41.5V;膠體電池要低於41.5V,如在南方還要低一點兒。這個參數是相對嚴格的,不可以大於參考值。
其次討論第二階段的高恆壓值,參考電壓為44.5V左右。此值高有利於快速充足電,但是容易使電池失水,充電後期電流下不來,結果使電池發熱變形;此值低不利於電池快速充足電,有利於向涓流階段轉換。這個值雖然沒有第一個值那樣嚴格,但是也不要過高。
最後討論轉換電流,參考電流為300毫安左右。此值高有利於電池壽命,不容易發熱變形,但不利於電池快速充足電;此值低(對外行)有利於充足電,但是由於較長時間高電壓充電,容易使電池失水,使電池發熱變形。特別個別電池出現問題時,充電電流降不到轉折電流以下時,會連累好電池也被充壞。給出的參考值有一定範圍,正負50毫安甚至100毫安都是允許的,但是不允許小於200毫安。
市場上出現了很多高恆壓值為46.5V、低恆壓值為41.5V、轉折電流大於500毫安的反激式廉價充電器。
如果是四塊12V電池的充電器即48V充電器,前兩個參數為前述電壓參考值除以三乘以四。高恆壓值為59.5V左右、低恆壓值為56.5V左右。
電池如果比10Ah大,將第三個參數電流值適當增大,例如17Ah電池可大到500毫安。
電動車充電器買新充電器要檢查三段式充電器的三個重要參數,用戶一般可以自己測得第三階段的低恆壓值。方法是,不接電池,給充電器加市電,用數字萬用表的200V直流電壓檔測充電器的輸出電壓。另兩個參數高恆壓值和轉折電流一般需要專用工具才能測得。
再補充一些正確的充電方法:1,變綠燈後再接著充2-3小時。2,原則是淺放(電)勤充(電),每次用到50%以後再充電,不要充電太頻繁這樣會縮短電池壽命 3,長期不騎,要定期(1個月)充電一次。4,長期淺放的電池,3個月左右,作一次深放電,就是所謂放光再充電,有利於電池深部的長期不動的物質的活化。放光的意思是,騎到控制器電池欠壓保護動作為止。
需要提醒客戶幾點:1,一般新電池投入使用8-10個月後,要對電池進行檢查和維護。2,一般名牌車配套的充電器是經過篩選的,通常不用測試,但是單獨到市場上採購的非配套充電器,一定要進行前述三個參數的測試。3,有一種不帶工頻變壓器的可控矽充電機,直接整流市電為電池充電,電流可到30A,電壓12V-80V可調,未徹底切斷市電前,千萬不要摸電池,貨運三輪使用這類充電機的客戶特別要注意安全。
科林充電器的特點(科林充電器與電池的關係)
特點:能夠有效延長鉛酸電池的使用壽命+
原理:鉛酸電池損壞的主要原因及東科達的解決方案
電池損壞
①失水 ②硫化 ③失衡 ④熱失控(充鼓)
前兩者①、②占了市場上電池損壞的97%。
(1)分析①:鉛酸電池失水的主要原因
電動車充電器鉛酸電池中的電解液像人體中的血液一樣寶貴,電解液一旦喪失,就意味著電池報廢了。電解液是由稀硫酸和水組成的。充電過程中,難以避免失水,充電模式不一樣,失水也不一樣。普通三段式充電模式,充電過程中的失水量是科林脈衝模式的二倍以上!電池除了自然壽命外還有一個失水壽命:單只電池失水超過90克,電池就報廢了。在常溫下(25℃),普通充電器的失水量約為0.25克,而科林脈衝為0.12克。在高溫下(35℃),普通充電器的失水量為0.5克,而科林脈衝為0.23克。按此計算,普通充電器在250次循環後水
分充乾,而科林脈衝在600次循環後水分才會充乾。因此,科林脈衝能延長電池一倍以上的壽命。(出示超威公司報告,並畫曲線圖。)
鉛酸蓄電池在充電過程中的最大問題是析氣。
根據美國科學家馬斯(J.A.Mas) 對鉛酸電池充電過程中析氣原因和規律的研究,為達到最低析氣率,鉛酸電池能夠接受充電電流曲線如下:
臨界析氣曲線的公式為:I=I0e-at %h^2
在充電過程中,充電電流超過臨界析氣曲線的部分,只能導致蓄電池電解水反應而產生氣體和溫升,不能提高電池的容量
① 恆流充電階段,充電電流保持恆定,充入電量快速增加,電壓上升;
② 恆壓充電階段,充電電壓保持恆定,充入電量繼續增加,充電電流下降;
③ 蓄電池充滿,電流下降到低於浮充轉換電流,充電電壓降低到浮充電壓;
④ 浮充充電階段,充電電壓保持為浮充電壓;
普通三階段充電第一階段為恆流充電,這主要是考慮到電路的設計比較方便,並非為使蓄電池性能最佳而設計。
按照鉛酸蓄電池充電析氣曲線,普通三階段充電過程的析氣情況如圖 :
恆流充電段後期和恆壓充電前期(陰影區),電流超過臨界析氣曲線,造成蓄電池析氣,引起壽命下降。
超過臨界析氣曲線的電流僅使蓄電池產生氣體和溫升,未轉化為電池電量,充電效率也因此降低。
(2)分析②:鉛酸電池硫化的原因
電池長期滯留,充電過程中的長期過充和欠充,使用過程中的大電流放電,極易造成電池的硫化。它的表象為:一放就光,一充就飽,我們把它叫做電池的“假損壞”。硫化物質硫酸鹽粘附在極板上,縮減了電解液與極板的反應面積,使電池容量迅速衰減。失水會加重電池的硫化;硫化又會加重電池的失水,易形成惡性循環。
(3)分析③:鉛酸電池的失衡問題
一組電池由三到四隻組成。由於製造工藝問題,無法做到每隻電池的絕對平衡,普通充電器使用平均電流,使容量小的單只電池最先充滿,並形成過充,放電時,這只容量小的電池最先放完,並形成過放。長期如此,惡性循環,使整組電池出現單只落後,從而使整組電池報廢。三段式充電器的浮充階段,有500mA的小電流,它的作用是補償充電,讓電池充飽。但它也帶來兩個副作用:1、充飽後,多餘的電流沒有關斷,電能轉化為熱能,進行水分解,加速水份的散發;2、小電流充電,產生的電流分叉很大,更容易造成電池組的不平衡。
(4)分析④:鉛酸電池的熱失控問題
蓄電池變形不是突發的,往往是有一個過程的。蓄電池在充電到容量的80%,左右進入高電壓充電區,這時,在正極板上先析出氧氣,氧氣通過隔板中的孔,到達負極,在負極板上進行氧復活反應:2Pb+O2(氧氣)=2PbO+Q(熱量);PbO+H2SO4=PbSO4+H2O+Q(熱量)。反應時產生熱量,當充電容量達到90%時,氧氣發生速度增大,負極開始產生氫氣,大量氣體的增加使蓄電池內壓超過閥壓,安全閥打開,氣體逸出,最終表現為失水。2H2O=2H2↑+O2↑。隨著蓄電池循環次數的增加,水分逐漸減少,結果蓄電池出現如下情況:
⑴ 氧氣“通道”變得暢通,正極產生的氧化很容易通過“通道”到達負極;
⑵ 熱容減小,在蓄電池中熱容量最大的是水,水損失後,蓄電池熱容大大減小,產生的熱量使蓄電池溫度升高很快;
⑶ 由於失水後蓄電池中超細玻璃纖維隔板發生收縮現象,使之與正負極板的附著力變差,內阻增大,充放電過程中發熱量加大。經過上述過程,蓄電池內部產生的熱量只能經過電池槽散熱,如散熱量小於發熱量,即出現溫度上升現象。溫度上升,使蓄電池析氣過電位降低,析氣量增大,正極大量的氧化通過“通道”,在負極表面反應,發出大量的熱量,使溫度快速上升,形成惡性循環,即所謂的“熱失控”。
維修方法
電動車充電器1:電源不啟動:插電源,大電容有300V電壓、拔掉電源再次測量大電容2端還是300V電壓不下降。給電容放電後,將啟動電阻換掉即可。啟動電阻在電源輸入部分,阻值150K,功率2W,
2:電源不啟動:插電,大電容2端有300V電壓,拔掉電源,大電容電壓慢慢下降,將電路板全部檢查是否有脫焊的現象,補焊完成後,將3842換成新的,通電試機即可,
3:閃燈:先將電路板補焊一遍,再次試機,如果還是閃燈,請檢查輸出端取樣電阻。0.1歐。3W功率。接在輸出線的負極端,將此電阻換新即可,
4:輸出電壓高,通電,電壓高於70多V,充電不轉燈,先將電路板補焊一遍,再次試機,如果還是電壓高,請更換光電耦合器、再次試機、還是輸出高,更換431基準穩壓器,再次試機
5:吱吱叫,發熱,充電不足:通電測量大電容電壓,只要低於300V,一般電容失效,更換即可,
6:嚴重發熱,請將風扇換新即可,
7:輸出電壓不穩定,先將電路板補焊一遍,後試機,然後將輸出端電容63V470UF電容換新試機即可,
8:充電不轉燈,用檢測儀測試各項數據,然後將358或者324換新試機,
9:充電不穩定,有時候能充,有時候不能沖,用測試儀檢測各項數據,然後將輸入輸出電源線,全部換新,補焊線路板試機
10:通電燒保險:先檢測功率管擊穿沒有,沒有的話將4個整流二極體全部換新,試機,
11:通電無輸出,通電試機,大電容2端有300V電壓,且慢慢下降,首先檢測輸出端大二極體擊穿沒有,補焊,再次試機
12:通電亮2個紅燈:通電試機,空載電壓是否正常,然後將358或324換新試機,
13:通電無輸出,能正常啟動,指示燈正常,先將輸出線換新,對於有繼電器的充電器直接短路繼電器試機,
14:通電閃燈,請補焊變壓器各引腳,然後試機,如果依舊,請檢查431、光電耦合器、輸出部分各二極體是否短路,變壓器磁芯是否鬆動,電源輸入部分10歐小電阻是否開路或代換3842再次試機
15:充電不轉燈,先用測試儀檢測各項數據,一般充新電池電壓不高於59.5,充半年左右電池不高於58.8,為正常,高於此電壓可能不轉燈
16:輸出電壓低:補焊線路板。試機,然後將輸入輸出大電容換新再次試機
17:輸出低,發燙,如果輸出電壓低於40多V,且功率管,變壓器發燙,一般為變壓器有問題,
18:啟動困難,有時候能起到有時候不能啟動,補焊線路板,後試機,如果依舊請將輸入部分小電容換新再次試機,50V47UF
19:燒3842,3842換新後試機插電聽到一聲喀的一聲響,這是測量大電容2端電壓300V慢慢將,說明3842又擊穿了,先補焊線路板,檢查變壓器引腳是否鬆動或者引線是否斷開,輸出部分大二極體是否開路,線路板是否斷裂,
20:以上故障適合於市場上大部分單管電路充電器常見故障,操作過程中可隨時諮詢技術人員。
充電器電壓參數表如下
| 充電器型號 | 36V充電器 | 48V充電器 | 60V充電器 | 64V充電器 |
| 標準浮充低壓 | 41.4 | 55.2 | 69.3 | 73.6 |
| 最高電壓 | 44.2 | 58.8 | 73.5 | 78.4 |
充電器實際電流如下
| 充電器型號 | 36V--64V12/14A | 36V---64V17/20A | 36V---64V24/28A | 36V---64V20A標準 |
| 最大電流 | 1,5---1,8A | 2,1-----2,6A | 2,4---3, 2A | 2,6A |
常見故障
1:高壓故障 2;低壓故障 3:高壓,低壓均有故障。高壓故障的主要現象是指示燈不亮,其特徵有保險絲熔斷,整流二極體D1擊穿,電容C11鼓包或炸裂。Q1擊穿,R25開路。U1的7腳對地短路。R5開路,U1無啟動電壓。更換以上元件即可修復。若U1的7腳有11V以上電壓,8腳有5V電壓,說明U1基本正常。應重點檢測Q1和T1的引腳是否有虛焊。若連續擊穿Q1,且Q1不發燙,一般是D2,C4失效,若是Q1擊穿且發燙,一般是低壓部分有漏電或短路,過大或UC3842的6腳輸出脈衝波形不正常,Q1的開關損耗和發熱量大增,導致Q1過熱燒毀。高壓故障的其他現象有指示燈閃爍,輸出電壓偏低且不穩定,一般是T1的引腳有虛焊,或者D3,R12開路,TL3842及其外圍電路無工作電源。另有一種罕見的高壓故障是輸出電壓偏高到120V以上,一般是U2失效,R13開路所致或U3擊穿使U1的2腳電壓拉低,6腳送出超寬脈衝。此時不能長時間通電,否則將嚴重燒毀低壓電路。低壓故障大部分是充電器與電池正負極接反,導致R27燒斷,LM358擊穿。其現象是紅燈一直亮,綠燈不亮,輸出電壓低,或者輸出電壓接近0V,更換以上元件即可修復。另外W2因抖動,輸出電壓漂移,若輸出電壓偏高,電池會過充,嚴重失水,發燙,最終導致熱失控,充爆電池。若輸出電壓偏低,會導致電池欠充。高低壓電路均有故障時,通電前應首先全面檢測所有的二極體,三極體,光耦合器4N35,場效應管,電解電容,積體電路,R25,R5,R12,R27,尤其是D4(16A60V,快恢復二極體),C10(63V,470UF)。避免盲目通電使故障範圍進一步擴大。有一部分充電器輸出端具有防反接,防短路等特殊功能。其實就是輸出端多加一個繼電器,在反接,短路的情況下繼電器不工作,充電器無電壓輸出。還有一部分充電器也具有防反接,防短路的功能,其原理與前面介紹的不同,其低壓電路的啟動電壓由被充電池提供,且接有一個二極體(防反接)。待電源正常啟動後,就由充電器提供低壓工作電源。
電動車充電器第二種充電器的控制晶片一般是以TL494為核心,推動2隻13007高壓三極體。配合LM324
(4運算放大器),實現三階段充電。
交流電經D1-D4整流,C5濾波得到300V左右直流電。此電壓給C4充電,經TF1高壓繞組,TF2主繞組,V2等形成啟動電流。TF2反饋繞組產生感應電壓,使V1,V2輪流導通。因此在TF1低壓供電繞組產生電壓,經D9,D10整流,C8濾波,給TL494,LM324,V3,V4等供電。此時輸出電壓較低。TL494啟動後其8腳,11腳輪流輸出脈衝,推動V3,V4,經TF2反饋繞組激勵V1,V2。使V1,V2,由自激狀態轉入受控狀態。TF2輸出繞組電壓上升,此電壓經R29,R26,R27分壓後反饋給TL494的1腳(電壓反饋)使輸出電壓穩定在41.2V上。R30是電流取樣電阻,充電時R30產生壓降。此電壓經R11,R12反饋給TL494的15腳(電流反饋)使充電電流恆定在1.8A左右。另外充電電流在D20上產生壓降,經R42到達LM324的3腳。使2腳輸出高電壓點亮充電燈,同時7腳輸出低電壓,浮充燈熄滅。充電器進入恆流充電階段。而且7腳低電壓拉低D19陽極的電壓。使TL494的1腳電壓降低,這將導致充電器最高輸出電壓達到44.8V。當電池電壓上升至44.8V時,進入恆壓階段。當充電電流降低到0.3A—0.4A時LM324的3腳電壓降低,1腳輸出低電壓,充電燈熄滅。同時7腳輸出高電壓,浮充燈點亮。而且7腳高電壓抬高D19陽極的電壓。使TL494的1腳電壓上升,這將導致充電器輸出電壓降低到41.2V上。充電器進入浮充。
故障解析
1.保險絲管熔斷
電動車充電器一般情況下,保險絲管熔斷說明充電器的內部電路存在短路或過流的故障。這是由於充電器長時間工作在高電壓、大電流的狀態下,內部器件的故障率較高所致。另外,電網電壓的波動,浪涌都會引起充電器內電流瞬間增大而使保險絲熔斷。
維修方法∶首先仔細查看電路板上面的各個元件,看這些元件的外表是否被燒糊或有電解液溢出,聞—聞有無異昧。再測量電源輸入端的電阻值,若小於20OkΩ,則說明後端有局部短路現象,然後分別測量4隻整流二極體正,反電阻值和兩個限流電阻的阻值,看有無短路或燒壞的;最後再測量電源濾波電容是否能進行正常充放電、開關功率管是否擊穿損壞、UC3842及周圍元件是否擊穿,燒壞等。需要說明的是,因是在路測量,有可能會使測量結果有誤或造成誤判,因此必要時可把元器件焊下來測量。如果仍然沒有上述情況,則測量一下輸入電源線及輸出電源線是否內部短路。一般情況上,在熔斷器熔斷故障中,整流二極體,電源濾波電容、開關功率管、UC3842是易損件,損壞的機率可達95%以上,要著重檢查這些元器件,就很容易排除故障。
2.無直流電壓輸出或電壓輸出不穩定
如果保險絲是完好的,在有負載的惰況下。這類故障要原因有:過壓、過流保護電路出現開路,短路現象;振癆電路沒有工作;電源負載過重,高頻整流濾波電路中整流二極體被擊穿:濾波電容漏電等。
維修方法:首先,用萬用表測量高頻脈衝變壓器的各個元器件是否有損壞:排除了高頻整流二極體擊穿、負載短路的情況後,再測量各輸出端的直流電壓,如果這時輸出仍為零,則可以肯定是電源的控制電路出了故障,最後用萬用表靜態測量高頻濾波電路中整流二極體及低壓濾波電容是否損壞,如果上述元器件有損壞,更換好新元器件,一般故障即可排除。但要注意:輸出線斷線或開焊、虛焊也會造成這種故障,在維修時應注意這種情況。
3.無直流電壓輸出,但保險絲完好
這種現象說明充電器未工作,或是工作後進入了保護狀態。
維修方法:首先應判斷一下充電器的變控晶片UC3842是否處在王作狀態或已經損壞。具體判斷方法是:加電測UC3842的7腳對地電壓,若7腳電壓正常並且8腳有+5∨電壓,1、2、4、6腳也會有不同的電壓,則說明電路已啟振,UC3842基本正常。若7腳電壓低,其餘管腳無電壓,則說明UC3842已損壞。最常見的損壞是7腳對地擊穿,6、7腳對地擊穿和1、7腳對地擊穿。如果這幾隻腳都未擊穿,而充電器還是不能正常啟動,也說明UC3842已損壞,應直接更換。若判斷晶片沒有壞,則著檢查開關這柵極的限流電阻是否開焊、虛焊或變值以及開關功率管本身是否性能不良。除此之處,電源輸出線斷線或接觸不良也會造成這種故障,因此在維修時也應注意。
4.直流電壓輸出過高
這種故障往往是由穩壓取樣和穩壓控制電路異常所至,在充電器中,直流輸出、取樣電阻、誤差取樣放大器、光耦合器、電源控制晶片等共同構成了一個閉合的控制環路,任何一處出問題會導致電壓升高。
維修方法:由於充電器有過壓保護電路,輸出電壓過高首先會使過壓保護電路動作。因此遇到這種故障,可以斷開過壓保護電路,使這壓保護電路不起作用,然後測量開機瞬間的電源主電壓。如果測量值比正常值高出1V以上,說明輸出電壓過高的原因確實在控制環路中。此時應著重檢查取樣電阻是否變值或損壞,精密基準電壓源(TL431)或光耦器(PC817)是否性能不良、變質或損壞。其中精密基準電壓源(TL431)極易損壞,可用下述方法對精密穩壓放大器進行判別:將TL431的參考端(Ref)與它的陰極(Cathode)相連,串1OkΩ的電阻,接入5∨電壓。若陽極(Anode)與陰極之間為2.5V,並且等侍片刻還仍為2.5∨,則為好管,否則為壞管。
5.直流電壓輸出過低
根據維修經驗,除穩壓控制電路會引起輸出電壓過低外,還有以下幾點原因:
(1)輸出電壓端整流三極莒、濾波電容失效,可以通過代換法進行判斷。
(2)開關功率管的性能下降,導致開關管不能正常導通,使電源的內阻增加,帶負載能力下降。
(3)開關功率管的源極通常接一個阻值很小但功率很大的電阻,作為過流吳護檢測電阻。該電阻的阻值—般在0.2~O.8Ω。如該電阻變值或開焊、接觸不良也會造成輸出電壓過低。
電動車充電器(4)高頻脈衝變壓器不良,不但造成輸出黽壓下降,還會造成開關功率管激勵不足從而屢損開關管。
(5)高壓直流濾波電容不良,造成電源帶負載能力差。
(6)電源輸出線接觸不良,有—定的接觸電阻,造成輸出電壓過低。
維修方法∶首先用萬用表檢查—下高壓直流濾波電容是否變質、容量是否下降、能否正常充放電。如無以上問題,則測量一下開關功率管的電極的限流電阻以及源極的過流保護殮測電阻是否變值、變質或開焊、接觸不良。若無問題,再檢查—下高頻變壓器的鐵芯是否完好無損。除此z外還有可能就是輸出濾波電容容量降低,或開焊、虛接;電源輸出限流電阻變值或虛接;電源輸出線虛接等。
困素都不要放過,都應仔細檢查,確保萬無—失。
6、熱風扇不轉
故障原困主要是控制風扇的三極體(一般為8550或8050)損壞,或者風扇本身損壞或風葉被雜物卡住。但有些充電器中採用的是智慧型散熱,對於採用這種方式散熱的充電器,熱敏電阻損壞的機率是很大的。
方法:首先用萬用表測量—下控制風扇的三極體是否損壞,若測得此管未損壞,那就有可能是風扇本身損壞,可以把風扇從電路板上拔下來,另外接上一個12V的直流電(注意正、負極),看是否轉動,還要看有無異物卡住。若擺動幾下風扇的電線,風扇就轉動,則說明電線內部有斷線或接頭接觸不良。若仍不轉動,則風扇必壞。對於採用智慧型散熱的充電器來說,除按上述檢查外,還應檢查一下熱敏電阻是否接觸不良或損壞、開焊等。但要注意此熱敏電阻為負溫度係數,更換時應注意。
(7)電網電壓過低。雖然充電器在低壓下仍然可以輸出額定的充電電壓,但當電網電壓低於充電器的最低電壓限定值時,也會使輸出電壓過低。
注意事項
恆流充電
電動車充電器-恆流充電是指蓄電池充電時,採用分段恆流的方法進行充電,並且該電流是用調整充電裝置來達到的。其主要特點是該充電方法有較大的適應性,可以任意選擇和調整充電電流。因此可以對各種不同情況及狀態的蓄電池充電 (如新蓄電池的初充電、使用過的蓄電池的補充充電以及去硫充電等)。它特別適用於用小電流長時間的充電模式,對由多數電池串聯的電池組充電,且有利於容量恢復較慢的蓄電池的充電。
但是,由於該充電方法開始階段的充電電流過小,在充電後期充電電流又過大,所以整個充電過程時間長、析出氣體多、對極板的衝擊大、能耗高、效率低 (不超過 65%),且整個充電過程必須有專人看管。所以,只有對蓄電池進行初充電及需要長時間小電流進行去硫充電時才使用。
採用恆流充電方法應注意以下事項:
①因恆流充電的變型是分段恆流充電,所以充電時為避免充電後期電流過大,應及時調整充電電流。而且充電電流的大小、充電時間、轉換電流的時機及充電終止電壓的選取等,必須嚴格執行充電規範;
②各被充蓄電池的剩餘容量應相接近,否則充電電流大小必須按串聯蓄電池組剩餘容量最小的蓄電池選定,而且當小容量蓄電池充足後應隨即摘除,再繼續對大容量蓄電池充電;
③充電過程中,每隔2~3h檢測一次蓄電池單格電壓,如該電壓已達到2.4V應及時轉入第二階段充電;
④當充電過程中電解液溫度上升至40℃時,充電電流應減半,如果繼續上升到 45℃時應停止,待溫度降至低於40℃後才可繼續充電;
⑤充好的蓄電池電解液密度應符合規定要求,且各單格電池之間電解液的密度差不得超過0.01g/cm3;
⑥免維護蓄電池不宜用此方法充電。
恆壓充電
電動車充電器-恆壓充電是指每隻單體電池均以某一恆定電壓(一般取單格電池數×2.5V)進行充電。其主要特點為:充電初期電流相當大,蓄電池電動勢和電解液相對密度上升較快,隨著充電的延續充電電流逐漸減小,在充電終期只有很小的電流通過;充電時間短、能耗低,一般充電4~5h後蓄電池即可獲得本身容量的90%~95%; 如果充電電壓選擇得當,8h即可完成整個充電過程,且整個充電過程不需人照管,所以廣泛套用於補充充電。
恆壓充電存在的不足是:
由於充電初始電流過大,對放電深度過大的蓄電池充電時,會引起初期充電電流急驟上升,易造成被充蓄電池過流及充電設備損壞等;充電過程中,由於不能調整充電電流,因此不適用於蓄電池的初充電和去硫充電; 由於充電過程中對蓄電池電壓的變化很難補償,所以對容量恢復較慢的蓄電池的完全充電很難完成。
採用恆壓充電方法應注意以下事項:
①正確選擇充電電壓。若充電電壓過高,會引起充電初期充電電流過大,嚴重時會引起極板彎曲、活性物質大量脫落以及蓄電池溫升過高等危害。過低則會使蓄電池充電不足,導致容量降低、壽命縮短;
②被充蓄電池的端電壓必須完全相同。
均衡充電
對於由許多單體電池組成的電池組,如固定型蓄電池,在運行一定日期以後,要定期進行均衡充電。這是因為平時按相同條件進行充電時,極板各個部分的活性物質出現充電程度不同的現象,結果活性物質出現反應不均衡狀態。另外,考慮到單體電池之間某些充放電特性也有差別,某些單體電池會產生充電不足狀態。因此在正常充電結束後繼續用約20h率的電流再充電1~3h。這種充電也稱為過充電。凡是電池平時在相同條件下使用時,在電池維護上定期進行均衡充電是有好處的。
均衡充電相隔時間的長短各用戶有不同規定,有的規定三個月或半年進行一次。來根據蓄電池設計和製造技術的進步,蓄電池的特性差別不大,因此對均衡充電的間隔時間有延長的趨勢。
浮充電
間歇使用的蓄電池或僅在交流電停電時才使用的蓄電池,其充電方式為浮充式。例如,對固定型,蓄電池每個單體電池加上2.15~2.2V的電壓,以連續的微小電流進行充電。充電器與蓄電池並聯,充電電流主要能補充自放電的損失,即約 10h率的0.3% ~1.0%範圍,而平時的負荷由充電器負擔,對於短時間大負荷也由蓄電池供電。這時由於電池的端電壓下降而自動進行充電。
恆壓限流充電
恆壓限流充電主要是用來補救恆壓充電時充電電流過大的缺點(方法同恆壓充電),通過在充電電源和被充蓄電池之間串聯一電阻(限流電阻) 來自動調節充電電流。
當充電電流過大時,其限流電阻上的壓降也大,從而減小了充電電壓; 當充電電流小時,限流電阻上的壓降也很小,充電設備輸出的電壓損失也小。這樣,就自動調節充電電流,使之不超過某個限度。該方法被廣泛套用於免維護蓄電池的初充電和普通電池的補充充電。
性能判斷
如48V充電器,最高電壓不大於59.6V,大於此電壓,充電可能不轉燈,低電壓不低於55V,低於此電壓造成充電不足,長時間容易對電池虧電,電流,如48V20A充電器,最大電流不大於3A。大於3A可能造成電池失水較早,最低不低於2.1A。低壓此電流造成充電不足。
注意事項:
1:48V新電池要求充電器參數,最高電壓58.5---59.7,不低於58V,低於58V造成充電不足,高 於59.7V可能造成充電不轉燈。轉燈電流約0.4---0.7A,實際電壓約55.5V,低於50V造成充電不足,長時間充電電池虧電
2:4820電池要求充電最大電流2.4----3.3A,低於2.2A充電慢,充電效果差,
3:市場上低於30元的充電器實際功率小,參數設計不精確,請注意區分
4:充電器穩壓電路失效會造成輸出電壓75---130V,充電電池滾燙不轉燈。
5:當新電池出現,續航里程20A電池低於30公里 12A電池低於25公里請檢查充電器各項參數,如果無法判斷是,請更換優質充電器再次使用,即可解決問題
6:新電池遇到不轉燈時,請更換另外一個優質充電器試機,
7:正常情況下。4820新電池充電時間約10小時左右,續航里程40---60公里,4812新電池充電時間約10小時內,里程達到25---40公里,如果正常充電時間超過以上,請更換優質充電器再 次使用,反饋信息
8:有很多充電器內部電路、輸入輸出連線老化,造成,有時候能充、有時候不能沖。嚴重影響電池,或者充電過程中電路失效,造成充鼓包,如果出現這種情況,請直接更換優質電器再次使用。
選擇設計
蓄電池選擇在整個系統的設計中,
尤其是在原理的運用中,系統蓄電池的整體功能就是要在有光照的情況下,將太陽能電池組發現胡的電能進行儲存,在電能缺乏的時候給與釋放,從當前的太陽能電
動車的蓄電池運用來看,主要是選用鉛酸電池、鎳鎘電池或鋰離子電池、鎳氫電池等,其中,對蓄電池的具體套用效果要做深入的分析,要從蓄電池的連續工作時
間、每天的放電量、整體容量、自身泄露電能等方面進行整體的設計,從本研究的需要來看,主要採用蓄電池參數為7.2V/24Ah鉛封鉛酸密封電池,進行很
好的設計運用。電機選擇運用在
太陽能電動車的類型選用上,從使用情況來看,主要有交流誘導電動機、永磁同步電動機和直流電動機。從充電系統設計的需要來看,各種電機具有不同的特點和運
用性能,尤其是當前使用的交流誘導電動機存在效率降低的缺點,而永磁同步電機的價格過高,而直流電動機啟動速度快,控制簡單,很適合太陽能電瓶車的需要,
所以選直流電動機。具體的控制參數為:工作電壓:4.8-7.2V;無負載速度:0.23秒/60度(4.8V),0.2秒/60度(6V)。PWM1和
PWM2通過改變占空比改變電機電壓,從而調速。

