儀器概述
雙管顯微鏡是根據“光切法原理”製成的光學儀器,一般用它測量表面不平度高度Rz。其測量範圍取決於選用的物鏡放大倍數,通常適合於測量Rz =0.8-80um的表面粗糙度(有時也可用來測量零件刻線的槽深等)。測量原理
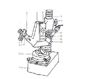
雙管光切顯微鏡是利用光切原理測量表面粗糙度的光學儀器。它的外形如圖所示。
雙管顯微鏡原理光切法測量原理是:在圖中,P1、P2階梯面表示被測表面的不平,其階梯高度為h。 A為一扁平光束,當它從45°方向投射在階梯表面上時,就被折射成S1和S2兩段,經B方向反射後,可在顯微鏡內看到S1和S2兩段光帶的放大像S1″和S2″;同樣S1和S2之間距離也被放大為S1″和S2″之間的距離h″只要我們用測微目鏡測出h″值,就可以根據放大關係算出h值。
根據光學系統原理得出被測表面的不平度高度值h:
h=h′×COS45°=h″×COS45°÷N
N——物鏡放大倍數
為了測量和計算方便,測微目鏡中十字線的移動方向和被測量光帶邊緣寬度h″成45°。所以目鏡測微器刻度套筒上的讀數值h1和實際h的關係:
h= h″/ COS45°=N×h1/ COS245°=h1/2N
測量步驟
1、根據表面粗糙度要求,按下表選擇合適的物鏡,裝在觀察光管的下端。

2、接通電源。
3、擦淨被測工件,把它放在工作檯上,並使被測表面的切削痕跡方向和光帶垂直。
4、粗調節:見圖一,用手托住橫臂7,鬆開緊定螺釘9,緩慢鏇轉橫臂調節螺母10,使7上下移動,直到能從目鏡中觀察到被測表面輪廓的綠色光帶,然後將螺釘9固緊。(註:調節時。防止物鏡和工件表面接觸)
5、細調節:緩慢往復轉動微調手輪6,使目鏡中光帶最狹窄,輪廓影像最清晰並位於視場中央。
6、鬆開螺釘5,轉動4,使目鏡中十字線中的一根線與光帶輪廓中心線大致平行,並將螺釘5擰緊。
7、鏇轉目鏡測微器的刻度套筒,使目鏡中十字線的一根與光帶輪廓一邊的峰(谷)相切,從測微器中讀出該峰(谷)的數值,在測量長度內分別測出5個峰和5個谷的數值,按下式算出Rz。
8、縱向移動工作檯,按6測量步驟,共測出幾個測量長度上的Rz值,計算其平均值。
根據計算結果,判定被測表面的粗糙度。
日常維護
雙管顯微鏡1.物鏡和目鏡的生霉生霧的處理辦法
準備30%無水乙醇 + 70%乙醚,將不同的鏡頭單獨分開放置乾燥劑器皿中,最好用棉花棒,紗布,柔軟的刷子等比較柔軟的東西來擦拭,注意不能用力擦,以防止損傷鍍膜層。油鏡當時就要清洗,特別是100X的油鏡,處理不當的話,前片容易浸油或開膠。目鏡可以自己拆下來清洗,16X目鏡注意別裝反了,前片凹面在上。物鏡不要隨便拆下。指針不要用頭髮來做,易弄髒鏡頭,廠家可配備一個指針。一般2個月最好能集中保養一次。顯微鏡多時,各個鏡頭要標號以免弄錯了搭配。
2.透鏡的清潔
清潔灰塵用用棉花棒,紗布,柔軟的刷子等比較柔軟的東西來,注意輕 柔 慢 緩。有些較頑固的污跡如油跡,指紋等,可以用乾淨的軟棉布,棉花棒鏡頭紙等蘸上無水酒精輕輕的擦去。如果是從油鏡上擦去浸油,套用鏡頭紙,軟棉布或紗布,蘸上二甲苯輕輕擦去。注意,不要用二甲苯清洗雙目鏡筒底部的入射透鏡或目鏡內的稜鏡表面。因為純酒精和二甲苯容易燃燒,在將電源開關打開或關閉時要特別當心不要引燃這些液體。防患於未然。
3.油漆和塑膠表面的清潔
我們反對使用有機溶劑(如酒精,乙醚,稀釋劑等)來清洗儀器的油漆和塑膠表面,建議使用矽布,還有更頑固的污跡可以使用軟性的 清潔劑來清洗。塑膠表面只需要用軟布蘸水就可以了清洗了。
4.顯微鏡閒置的處理
當顯微鏡在放假等長時間不使用的情況下,請您用塑膠罩蓋好,並儲放在乾燥的地方防塵防霉。同時我們強烈建議您將物鏡和目鏡保存在乾燥器之類的容器中,並防些乾燥劑。
5.定期檢查
顯微鏡的精細和貴重,要求我們要更加的愛護它。為了保持它的性能的穩定,我們建議您定期的檢查,保養。
保養工作
雙管顯微鏡1、日常維護保養
(1)防塵光學元件表面落入灰塵,不僅影響光線通過,而且經光學系統放大後,會生成很大的污斑,影響觀察.灰塵、砂粒落入機械部分,還會增加磨損,引起運動受阻,危害同樣很大.注意保持顯微鏡的清潔.
(2)防潮光學鏡片就容易生霉、生霧.機械零件受潮後,容易生鏽.顯微鏡箱內應放置1~2袋矽膠作乾燥劑.
(3)防熱避免熱脹冷縮引起鏡片的開膠與脫落.因此,生物顯微鏡要放置在乾燥陰涼、無塵、無腐蝕的地方.使用後,要立即擦拭乾淨,用防塵透氣罩罩好或放在箱子內.當顯微鏡閒置時,用塑膠罩蓋好,並儲放在乾燥的地方防塵防霉.將物鏡和目鏡保存在乾燥器之類的容器中,並防些乾燥劑.
(4)防腐蝕顯微鏡不能和具有腐蝕性的化學試劑放在一起.如硫酸、鹽酸、強鹼等.
2、光學系統的維護保養
透鏡的清潔使用後用乾淨柔軟的綢布輕輕擦拭目鏡和物鏡鏡片.聚光鏡和反光鏡只要擦乾淨就可以了.有較頑固的污跡,可用長纖維脫脂棉或乾淨的細棉布蘸少些二甲笨或鏡頭清洗液(3份酒精∶1份乙醚)擦拭,然後用乾淨細軟的綢布擦乾或用吹風球吹乾.
3、機械系統的維護保養
滑動部位:定期塗些中性潤滑脂油漆和塑膠表面的清潔:頑固的污跡可以使用軟性的清潔劑來清洗,建議使用矽布.
塑膠部分:用軟布蘸水就可以清洗了.注意:不要使用有機溶劑(如酒精,乙醚,稀釋劑等).因為會腐蝕機械和油漆,造成損壞.
注意:清洗液千萬不能滲入到物鏡鏡片內部,否則會損壞物鏡鏡片.純酒精和二甲苯容易燃燒,在將電源開關打開或關閉時要特別當心不要引燃這些液體.物鏡和目鏡的生霉生霧的處理辦法準備30%無水乙醇+70%乙醚,將不同鏡頭單獨分開放置乾燥劑器皿中,最好用棉花棒,紗布,柔軟的刷子等比較柔軟的東西來擦拭油鏡當時就要清洗.特別是100X的油鏡,處理不當的話,前片容易浸油或開膠.目鏡可以自己拆下來清洗,16X目鏡注意別裝反了,前片凹面在上.物鏡不要隨便拆下.注意:擦洗鏡頭時,不能過用力,以防止損傷鍍膜層.一般2個月最好能集中保養一次.顯微鏡多時,各個鏡頭要標號以免弄錯了搭配.
4、定期檢查
為了保持性能的穩定,建議做定期的檢查,保養.
綜上所述,對於生物顯微鏡的維護保養,主要做到防塵、防潮、防熱、防腐蝕.用後及時清洗擦拭乾淨,並定期在有關部位加注中性潤滑油脂.對於一些結構複雜,裝配精密的零部件,如果沒有一定的專業知識,一定的技能和專用工具,就不能擅自拆裝,以免損壞零部件.

