釋義
金屬波紋管英文名稱:Metal Bellows波紋管系列製品之一。
金屬波紋管作為敏感元件、減震元件、非同心軸向傳動元件、補償元件、密封元件、閥門元件及管路連線件,廣泛套用於自動控制和測量儀表、真空技術、機械工業、電力工業、交通運輸及原子能工業等領域。
金屬波紋管因其用途不同而選擇不同的金屬材料。因其材質不同,故所加工製作的金屬波紋管性能及用途也有所不同。
分類性能
金屬波紋管的性能、材料選擇及用途如下所述。
名稱 材料型號 材料
代號 工作溫度 性能
黃銅
波紋管 H80 H -60℃~+100℃ 彈性較低,遲滯和後效較大,釺焊性較好。可用於非腐蝕介質和精度不高的儀器儀表中作為測量元件。
錫青銅
波紋管 QSn6.5~0.1 X -60℃~+100℃ 彈性、強度和耐蝕均好,遲滯和彈性後效較小,釺焊性較好,廣泛用作測量元件。
鈹青銅
波紋管 QBe2 P -60℃~+150℃ 具有很小的遲滯和彈性後效,很高的彈性穩定性、耐腐蝕、無磁性。多用於高精度的測量儀表中。
不鏽鋼
波紋管 1Cr18Ni9Ti G -194℃~+400℃ 具有很高的彎曲疲勞強度和耐蝕性,焊接性能良好。可用作腐蝕性介質中的測量、密封、連線和補償元件。
發展史
最初,人們用獸皮縫合成管狀的結構,以適應生產鬥爭之需要。經過了相當長的時期,到十七世紀末葉,荷蘭的萬德爾蓋金兄弟製成了縱向縫合的帆布軟管,在當時的消防業務中被廣泛採用。後來,隨著橡膠在國際市場上的出現及其硫化工藝的發展,膠管和用金屬絲或麻繩等織物鎧裝的膠管問世了。但是,工程上一些蒸汽、熱風類的高溫介質'液氫,液氧、液氦類的低溫介質,汽油、煤油,酸、鹼等腐蝕性的介質……,若用膠管來輸送,當然不行。特別是在高溫條件下,它的安全可靠性就更難保證了。
因此,人們漸漸地把注意力集中到金屬管方面,改變金屬管的幾何形狀,使其內外表面產生相應的波紋。這樣,它既具有同膠管一樣的撓性,同時,又具有耐高溫、耐低溫、耐老化、耐腐蝕性能。於是,作為金屬軟管本體的金屬波紋管就這樣產生了。
一八五五年,德國最先發表了製造波紋管的專利。它是利用當時已有的製造首飾的原理來製造波紋管的。三十年以後,法國的E.Levavasseur與德國的H.Witzenmann合作研製新型金屬波紋管,於一八八五年八月獲得了法國和德國的專利權。
這是用截面為S 型的金屬帶在專用設備上繞制而成的螺鏇不波紋管,它們用橡膠帶、棉織物或石棉繩填墊在相鄰兩匝的咬口處,以利於波紋管內腔的密封。
一八九四年,這類波紋管的結構得到了改進:人們用兩根金屬帶按不同直徑,向相反方向卷繞。這樣,金屬帶在受力狀態下達到相互平衡,克服了自發展開的弊病。
一九二九年,在波紋管的結構上進行了又一次技術革命,即徹底解決了波紋管由於彎曲時填墊橡膠帶或石棉繩的凹槽發生不均勻變化而喪失密封性能的問題,從而開闢了波紋管發展的廣闊前景。人們用鋼和銅鋅合金材料製成了整體波紋管,即用
無縫的或有焊縫的管材製成的波紋管,它依靠波紋側壁的彈性變形來保持一定的可壓縮性或可拉伸性,同時,保證可靠的密封。
從二十世紀五十年代開始,雙層、三層、多層的波紋管,特別是極薄壁不鏽鋼材波紋管發展得很快。為了滿足使用要求,人們採用焊接、電鑄、機加、液壓和機械鏇壓等各種工藝方法來製造波紋管。最小公稱通徑為2毫米,最大公稱通徑可達400~500毫米,甚至有通徑為lO米的巨形波紋管。波紋數最少l~2個,最多可達連續幾百、幾千,甚至幾萬個。
從波紋管作為金屬軟管本體的重要意義來講,金屬波紋管的發展,也就意味著金屬軟管的發展。
隨後,人們在波紋管外表面包復上橡膠、塑膠或者尼龍等材料,鎧裝由金屬絲或金屬帶所構成的網套,變換各種各樣的接頭形式。為適應各種使用條件下的不同要求創造了多種形式的金屬軟管。
產品結構
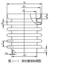
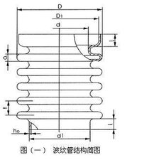
金屬波紋管金屬波紋管主要由波紋管部分和兩端配合連線部分所組成(為一次性加工成型)。其結構簡圖如圖(一)所示。
北京亞斯通力產品主要:
不鏽鋼防震接頭、不鏽鋼伸縮接頭、不鏽鋼防震伸縮接頭、不鏽鋼橫向伸縮接頭、不鏽鋼串式伸縮接頭、不鏽鋼外筒保護伸縮接頭、金屬軟管、FM認證無塵室專用消防撒水軟管、FM認證商業大樓消防撒水軟管、真空軟管、鐵氟龍軟管、橡膠接頭、彈簧避震器、懸吊避震器、氣墊避震器等。
我司主要生產產品介紹如下:
1、防震接頭;這類產品主要在泵浦的進出口處用來用來吸收泵浦的震動及噪音的接頭,我們叫防震接頭,國內也叫金屬軟管或者泵聯管、軟接頭等,這類減震接頭我們設計的考慮點就是要彈性係數小,形象的講就是要比較軟,越軟效果就越好,當然設計的時候還需要考慮到承壓時不能失穩。具體到我們的產品按分為拉桿式防震接頭及網罩式防震接頭,拉桿式又分為焊接式和一體成型式.
這種一體成型式可以保證管路的清潔,而法蘭是碳鋼材質,這款用在清潔的管路可以降低成本。
2、伸縮接頭;伸縮接頭又分為軸向伸縮接頭和橫向伸縮接頭,軸向伸縮接頭主要用於吸收水平方向管線的膨脹和壓縮。橫向伸縮接頭也叫萬象伸縮接頭,他通過兩端波紋管的偏移來吸收直角方向的變位量,主要用於伸縮縫和沉降縫處。
3、熱媒油專用鋼絲防震軟管,採用特殊工藝製造的防震軟管,耐高溫及高壓,使用比一般金屬軟管更為安全,特殊情況網罩拉斷,仍不會發生泄漏,可爭取到更換的時間,同時利用歐米茄波形製造的軟管具有最低的彈性係數,最好的減震效果。熱媒油專用防震軟管,製造工藝多至14道環焊縫。
4、通過美國FM認證消防撒水軟管,分為商業大樓專用及無塵室專用;其中商業大樓的可調式安裝,適用於各種天花板的骨架。無塵室專用撒水軟管自帶連線翅片,用T型螺絲固定在T型龍骨上即可。
該款消防撒水軟管安裝速度是傳統硬管的20倍,有效降低安裝成本,被廣泛用於主要天花板系統。我們軟管自動生產線月產量可達到10萬條。
5、真空軟管。特點是非常柔軟,被廣泛用生物製藥和電子工程等領域。
管坯配套
金屬波紋管管坯為薄壁不鏽鋼帶焊管進行波形加工而成,富有可撓性及良好的耐溫、耐壓性能。適用於空氣、蒸氣各種工業氣體及水、油類、藥品等各類流體介質的輸送,對管系的往復運動、熱膨脹系吸收、振動吸收、配管的中心調整起著重要作用。本公司生產的金屬耐壓軟管分為螺鏇型金屬軟管(S型)及環型金屬軟管(A型)兩大類型。
金屬波紋管管坯是金屬軟管、波紋管、波紋管補償器、波紋管管坯、汽車排汽管、高壓膠管、電纜穿線管等管體最佳的配套產品,採用金屬波紋管管坯,分為軟態、硬態兩個品種,光亮柔軟,質量可靠,規格齊全。產品耐腐蝕,外形光潔美觀,可提高軟管成品的承壓力、耐高低溫力,延長管體的使用壽命,降低成本,廣泛用於機械、化工、冶金、建築等各行業。

