含義
自鎖電路在通常的電路中,按下開關,電路通電;鬆開開關,電路又斷開了。
一旦按下開關,就能夠
自動保持持續通電,直到按下其它開關使之斷路為止;這樣的電路,稱為自鎖電路。
繼電器自鎖電路
可以將開關串聯在繼電器的主觸點(繼電器線圈)上。與此同時,將繼電器的一個空餘的副觸點(常開觸點)與
自鎖電路
自鎖電路
自鎖電路開關並聯(並且與主觸點接通)。這樣一來,按下開關,副觸點(常開觸點)吸合,電路通電;鬆開開關之後,由於副觸點已經吸合,並向繼電器主觸點的線圈供電,線圈反過來又保持副觸點吸合。再將線路從繼電器輸出端引出,電路就可以保持持續的通電了。
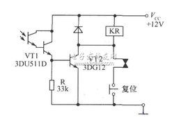
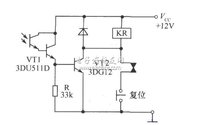
過流保護自鎖電路
自鎖電路在電力電子器件驅動電路中,當做器件過流保護時需要加入自鎖電路,防止進一步燒壞功率器件。如果驅動IC沒有自鎖功能就需要加入自鎖電路。常用的最簡單的自鎖電路可以用兩個三極體來實現,也已經被廣泛使用。
參數C2的作用是維持VT2的繼續導通,防止誤動作,在上述電路的R1並聯一按鈕就可以實現人工復位。

