簡介
是稀土金屬與鈷組成的金屬間化合物硬磁合金。其中,稀土金屬主要是釤、鐠、鈰和一部分重稀土金屬或它們的組合;鈷可以部分地以銅、鐵或其他過渡族金屬取代。
美國內斯比特 (E.A.Nesbitt)等和哈伯德(W.H.Hubbard)等先後於1959及 1960年研究了GdCo5化合物的鐵磁性質和單軸磁各向異性。1966~1967年,美國施特爾納特(K.J.Strnat)和貝克爾(J.J.Becker)分別製成了有實用價值的YCo5和SmCo5粉末壓制磁體。1968年,荷蘭布紹(K.H.J. Buschow)用流體靜壓方法製成磁能積為18.5MGs·Oe(1MGs·Oe≈8kJ/m3)的SmCo5粉末壓制磁體。1969年美國達斯(D.K. Das)用固相燒結法、1970年美國本茨(M.G.Benz)等用液相燒結法製成性能穩定、磁能積為20MGs·Oe的SmCo5的磁體;從此開始了稀土鈷硬磁合金的工業規模生產。這一時期還出現了還原擴散法製備RCo5(簡稱1-5型,R表示稀土元素)合金的新工藝。1971年系統地研究了R2(Co,Fe)17(簡稱2-17型)贗二元化合物,理論上估計磁能積上限為60MGs·Oe。1973~1975年日本製成相分解硬化型的Sm(Co,Cu,Fe)7硬磁合金,1977年進一步製成磁能積為30MGs·Oe的Sm(Co,Fe,Cu,Zr)7·4硬磁合金。1980年,這種2-17型合金磁能積達到33MGs·Oe。中國於1969年研製1-5型燒結磁體。70年代以後,陸續製成 Sm(Co,Cu,Fe)7高性能輻向磁體、磁能積為30MGs·Oe的磁體以及低溫度係數磁體等 2-17型稀土鈷硬磁合金。現在已能生產多種稀土鈷硬磁合金。
稀土鈷金屬間化合物硬磁合金為六方晶系,磁晶各向異性極強,內稟矯頑力和磁能積很高,居里點高。
類別
一般分為五類:①矯頑力大的1-5型合金,如SmCo5。室溫時的矯頑力最高值為60kOe。②廉價稀土鈷合金,如Ce(Co,Cu,Fe)5。因使用價廉的鈰或混合稀土金屬而使合金的價格明顯降低。③高磁能積 2-17型合金,如Sm(Co,Cu,Fe,Zr)7·4。適當調整成分和熱處理工藝,也可達到較大的矯頑力。④低溫度係數合金。重稀土金屬Gd、Dy、Ho和Er等取代部分Sm,使合金的磁化強度在-50~+100℃範圍內幾乎不隨溫度變化,磁化強度的可逆溫度係數在此範圍內可控制在0到7×10-5℃-1以內。由於重稀土的加入,飽和磁化強度明顯降低。1-5型低溫度係數合金的磁能積較低,但2-17型低溫度係數合金的磁能積已達22MGs·Oe。⑤粘結磁體,以樹膠、塑膠或軟金屬粘結的稀土鈷合金粉末壓結體。與 1-5型粘結磁體相比,2-17型合金所製成的粉末粘結磁體在保持較大矯頑力條件下可密集充填,所以磁能積較高,已達16~19MGs·Oe。各類典型稀土鈷硬磁合金的性能見附表。最佳磁體的去磁曲線見圖1。
稀土鈷硬磁合金
稀土鈷硬磁合金機制
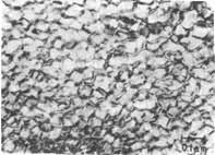
稀土鈷硬磁合金的種類較多,但決定硬磁性能的矯頑力機制主要為下列兩種:①單相合金中反磁化疇在缺陷處的成核;成核愈難,矯頑力愈大。②多相合金中析出相作為磁疇壁的釘扎中心阻滯壁移;釘扎愈強,矯頑力愈大。1-5型合金的矯頑力主要由成核決定,但實際上晶界對疇壁也有顯著的釘扎作用。2-17型合金的矯頑力主要決定於釘扎。這類合金經高溫固溶以獲得合適的均勻基相,再經較低溫的時效處理以形成最佳分布的胞狀微結構(圖2所示),胞壁和胞體具有不同的疇壁能而釘扎疇壁。在磁化和反磁化過程中,成核與釘扎對應著不同的磁化行為,它們的初始磁化曲線及去磁曲線具有不同的特徵,如圖3。
稀土鈷硬磁合金
稀土鈷硬磁合金用途
稀土鈷硬磁合金特別適用於要求磁體體積小,產生的磁場強度大和磁體呈薄片(垂直於片平面方向磁化)狀的場合。一般用於電機裝置(如精密直流電機)、粒子束聚焦系統(如行波管)、家用電器(如薄形揚聲器)、磁懸浮技術(如磁軸承)、儀器儀表(如電子計算機中的印表機和陀螺儀中的力矩器),以及醫療器械等。圖4為中國製造的撓性陀螺儀力矩器,其中採用了Sm(Co,Cu,Fe)7輻向磁體。
稀土鈷硬磁合金
