繼電器
繼電器(英文名稱:relay)是一種電控制器件,是當輸入量(激勵量)的變化達到規定要求時,在電氣輸出電路中使被控量發生預定的階躍變化的一種電器。它具有控制系統(又稱輸入迴路)和被控制系統(又稱輸出迴路)之間的互動關係。通常套用於自動化的控制電路中,它實際上是用小電流去控制大電流運作的一種“自動開關”。故在電路中起著自動調節、安全保護、轉換電路等作用。
相序繼電器簡介
在許多三相交流電套用的場合,相序的正確有時是一項必須的條件,錯誤的相序或缺相有可能導致設備工作不正常甚至損壞。
相序繼電器結構示意圖 及一相的等效電路相序繼電器在功能上、結構上都可看作一長期工作在堵轉狀態的異步三相電動機,其結構示意圖及一相等效電路如圖所示。
相序繼電器可廣泛用於三相電套用場合,配上指示燈可作為相序指示器,與接觸器結合可完成自動換相功能。
相序繼電器套用
相序繼電器是由運放器組成的一個相序比較器,比較電壓幅值、頻率高低和相位。如果條件附合放大器導通,要是有單個條件不附合放大器閉合。相序繼電器主要用於相序檢測或斷相保護中,當相序為正確時,繼電器動作獲得輸出,當相序為不正確時或交流迴路任一相斷線時繼電器閉鎖。
一般情況下,電動機工作的接線順序是有規定的,如果由於某種原因,導致相序發生錯亂,電動機將無法正常工作甚至損壞。三相電源中有A相、B相、C相,假如按ABC相序電源接入電動機,電動機是正轉,那么按ACB相序電源接入電動機,電動機就是反轉了。為了防止電動機反轉,就加入了相序繼電器,來防止進來電源相序反相,造成電動機反轉。
相序保護可採用相序繼電器,當電路中相序與指定相序不符時,相序繼電器將觸發動作,切斷控制電路的電源從而達到切斷電動機電源、保護電動機的目的。
設備相序繼電器
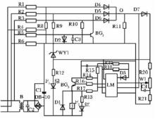
鑿岩台車上的相序繼電器使用時間較長,用量較大,在維修工作中修復的較多,現以鑿岩台車上的SM 170/5型相序繼電器為例進行分析。
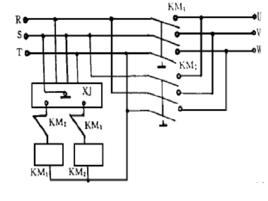
相序繼電器原理圖
相序繼電器
相序繼電器
相序繼電器SM170/5型相序繼電器是直接接在鑿岩台車負荷開關的下側電源上,當電源相序正確時,相序繼電器上紅、綠2個發光二極體都發光,同時,將主控制迴路接通以滿足設備運行的需要;當電源相序不正確時,相序繼電器只有綠色發光二極體發光,僅指不設備帶電,主控制迴路不被接通。其工作原理(如圖所示)是三相380V交流電直接引到相序繼電器內,首先經過兩組6個1.1兆歐的高阻電阻進行分壓,然後,一路到達3個二極體進行零序比較,如果沒有缺相,根據三相交流電平衡時其零序電壓為零的原理在O點形成零序點,輸出一個低電位;如果平衡被破壞O點的零序電壓升高,輸出一個高電位。同時,還有一組3個26 MS2的電阻與3個二極體並聯,連結到另一路形成一個零點,且B相的R9與三極體的集電極、射極並聯。而另一路中的A相經分壓後接到三極體基極,當相序連結正確三極體不導通,三相平衡沒有被破壞,O點出於一個低電位狀態;如果相序連結錯誤,則三極體導通電阻R9被短接,平衡被破壞,O點出於一個高電位狀態。在O點為低電位時向集成塊LM輸送低電位,則集成塊LM向BC的基極輸出一個高電位,使導通,繼電器線圈得電,將控制迴路中的觸點閉合,並使紅色發光二極體發光;當O點為高電位時向集成塊LM輸送高電位,則集成塊LM向的基極輸出一個低電位,使不導通,繼電器線圈不得電,將控制迴路中的觸點不閉合,控制迴路不能工作,並不能使紅色發光二極體發光。

