直流靜止開關
正文
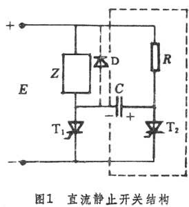
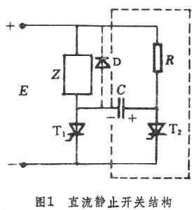
控制直流功率通斷用的晶閘管開關電路。其結構如圖1所示。直流負載Z與主晶閘管T1串聯構成直流負載電路。當T1導通時,負載Z得直流電壓E。同時電源E經R及T1對電容C充電,其極性如圖1所示。當輔助晶閘管T2觸發導通時,電容 C上電壓迫使T1關斷,即斷開直流負載電流,同時電容經Z、T2管反向充電,為在接通主電路(導通T1)時關斷T2作準備。直流負載如為感性,則應加接二極體D。圖2為幾種實用的直流靜止開關電路。其中圖a可用作直流單刀雙擲開關。在T1導通時,負載Z1供電,Z2斷電;T2導通時,負載Z1斷電而Z2供電。圖b可作為交替觸發的直流單刀雙擲開關。接通電源時,負載Z1因T1導通而供電;當有觸發脈衝輸入時,T2導通而T1關斷,此時Z2供電,Z1斷電;再當下一觸發脈衝輸入時,T1又導通,T2再關斷。以後,每當輸入一個觸發脈衝,T1T2則輪流交替工作。圖c為整流式直流開關。K合上則負載Z得脈動直流電源;K斷開時,供電中斷。圖d為直流電動機可逆直流開關。當K在1位時,電動機得半波脈動直流電而正轉;K在2位時,電動機反轉。
直流靜止開關
直流靜止開關
