組成成分
形態
珠光體分類
奧氏體化溫度、轉變前奧氏體晶粒大小,只影響珠光體團的大小,對片層間距無影響。片狀珠光體根據片間距的大小不同,可以分成珠光體、索氏體、托氏體三類。
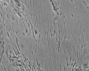
一般所謂的片狀珠光體是指在A1~650℃溫度範圍內形成的,在光學顯微鏡下能明顯分辨出鐵素體和滲碳體層片狀組織形態的珠光體,其片間距大約為150~450nm。在光學顯微鏡下能夠明顯分辨出片層的珠光體,其片間距約為150~450nm。
在650~600℃溫度範圍內形成的珠光體,其片間距較小,約為80~150nm,只有在高倍的光學顯微鏡下(放大800~1500倍時)才能分辨出鐵素體和滲碳體的片層形態,這種片狀珠光體稱為索氏體。片間距為80~150nm時,稱為索氏體,其片層在光學顯微鏡下難以分辨。
在600~550℃溫度範圍內形成的珠光體,其片間距極細,約為30~80nm,在光學顯微鏡下根本無法分辨其層片狀特徵,只有在電子顯微鏡下才能區分,這種極細的珠光體稱為屈氏體。在更低的溫度下形成片間距為30~80nm的珠光體稱為托氏體,只有在電子顯微鏡下才能觀察到片層結構。
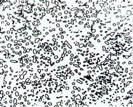
當滲碳體以顆粒狀存在於鐵素體基體上時稱為粒狀珠光體。粒狀珠光體可以通過不均勻的奧氏體緩慢冷卻時分解而得,也可以通過其他熱處理方法獲得。屈氏體和索氏體區別 其形態為鐵素體薄層和滲碳體薄層交替重疊的層狀復相物,根據片層間距分為屈氏體和索氏體。在400倍光學顯微鏡下可以分辨的(片層間距為0.25~1.9μm),稱為珠光體。
在電鏡下才可以分辨(片層間距為30~80nm)的稱為屈氏體(托氏體也譯做屈氏體)。介於兩者之間的稱為索氏體。 三者總稱為珠光體。
形成珠光體、屈氏體、索氏體的原因:
1、片層間距隨轉變溫度的降低而減小;
2、片層間距的倒數與過冷度呈線性正相關關係;
3、片層間距的細小程度受可能獲得的驅動力限制。
主要性能
珠光體的性能介於鐵素體和滲碳體之間,強韌性較好。其抗拉強度為750~900MPa,180~280HBS,伸長率為20~25%,衝擊功為24~32J。力學性能介於鐵素體與滲碳體之間,強度較高,硬度適中,塑性和韌性較好σb=770MPa,180HBS,δ=20%~35%,AKU=24~32J)。
珠光體的綜合力學性能比單獨的鐵素體或滲碳體都好。珠光體的機械性能介於鐵素體和滲碳體之間,強度、硬度適中,並不脆,這是因為珠光體中的滲碳體量比鐵素體量少得多的緣故。
加工過程
溫度影響
片狀珠光體中相鄰兩片滲碳體(或鐵素體)中心之間的距離稱為珠光體的片間距。
溫度是影響片間距大小的一個主要因素。隨著冷卻速度增加,奧氏體轉變溫度的降低,也即過冷度不斷增大,轉變所形成的珠光體的片間距不斷減小。
碳素鋼和合金鋼的珠光體片間距與形成溫度之間的關係。當過冷度很小時有近似的線性關係,但總的來看是非線性的。有些人碳素鋼中珠光體的片間距與過冷度的關係處理為線性關係:
珠光體的片間距和過冷度關係如下:
S0=C/△T
其中:C=8.02×103(nm·K);
S0:珠光體的片間距(nm);
△T:過冷度,即珠光體轉變溫度與臨界點A1之差。
其他因素
珠光體影響珠光體轉變動力學的因素即是影響形核率和長大速度的因素內因:化學成分、組織結構;外因:加熱溫度、保溫時間。
1.化學成分的影響
(1)碳含量的影響:
亞共析鋼:隨含C量增加,先共析F速度減慢,使P轉變速度減小。
原因:隨含C量增加,F形核率減少,F長大時所需擴散離去的C量增大。
過共析鋼:隨含C量的增高,滲碳體形核率越大,碳在A中的擴散係數增大,P轉變速度增大。
過共析鋼不完全奧氏體化更易發生珠光體轉變。
奧氏體成分的不均勻性和過剩相均加速珠光體轉變。
(2)合金元素的影響:除了Co以外,其它所有的合金元素都使“C”曲線右移;除了Ni、Mn以外,其它常用合金元素皆使珠光體轉變的“鼻尖”溫度上移。
原因:合金元素的自擴散、對碳擴散的影響,對相變臨界點的影響。
2、加熱溫度和保溫時間的影響
加熱溫度低、保溫時間短,將加速珠光體的轉變。
原因:A成分不均勻、或有未溶滲碳體,有利於形核。
3、奧氏體晶粒度的影響
A的晶粒越細小,P的形核部位越多,越促進P轉變。細小的A晶粒也將促進先共析相的析出。
4、應力和塑性變形的影響
對奧氏體氏加拉應力,將加速珠光體的轉變;
對奧氏體氏加壓應力,將減慢珠光體的轉變。

