煤氣表簡介
煤氣表是用鋁材製造的,重約3公斤,放在鋼板焊接的儀表箱裡,用螺母與兩根煤氣管道連線。
如工業煤氣表、膜式煤氣表、IC 卡智慧型煤氣表等等儀表。
原理
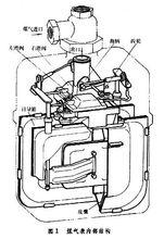
煤氣表煤氣表是用以累計流過管道內煤氣體積總量的流量測量儀表。表內有兩個計量箱,每個箱內裝有用浸油薄羊皮或合成橡膠製成的、具有一定容積的皮囊。煤氣流過時,皮囊伸縮,因而改變皮囊與計量箱之間的體積,同時改變滑閥位置。當左滑閥右移時,A室進氣、B室排氣,右滑閥在中間,C和D室停止進排氣。A室進氣後,左滑閥左移至中間,右滑閥左移,此時D室進氣、C室排氣,A和B室停止進排氣。接著左滑閥再左移,右滑閥右移至中間,此時B室進氣,A室排氣,C和D室停止進排氣。然後左滑閥移至中間,右滑閥右移,此時C室進氣,D室排氣,A和B室停止進排氣。這樣,一個循環排出兩個計量箱體積的煤氣,同時曲柄擺動一次,帶動齒輪鏇轉,齒輪的轉動帶動計數器。計數器的讀數即為排出煤氣的體積量。

