理化特性
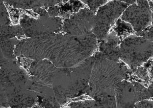
滲碳體滲碳體不易受硝酸酒精溶液的腐蝕,在顯微鏡下呈白亮色,但受鹼性苦味酸鈉的腐蝕,在顯微鏡下呈黑色。滲碳體的顯微組織形態很多,在鋼和鑄鐵中與其他相共存時呈片狀、粒狀、網狀或板狀。
滲碳體是碳鋼中主要的強化相,它的形狀與分布對鋼的性能有很大的影響。同時Fe3C又是一種介(亞)穩定相,在一定條件下會發生分解:Fe3C→3Fe+C,所分解出的單質碳為石墨。
滲碳體(Fe3C或Cm):滲碳體是鐵和碳形成的金屬化合物,含碳量為6.67%(有些書上為6.69%),具有複雜的斜方晶體結構,熔點為1227℃。在鋼中,滲碳體以不同形態和大小的晶體出現在組織中,對鋼的力學性能影響很大。經3%~5%硝酸酒精溶液侵蝕後呈白亮色,若用苦味酸鈉溶液熱侵蝕,則被染成黑褐色,而鐵素體仍為白色,由此可區別開鐵素體和滲碳體。滲碳體的硬度很高,達到HB800以上,脆性很大,強度和塑性很差。經過不同的熱處理,滲碳體可以成片狀、粒狀或斷續網狀。在一定條件下(如高溫長期停留或緩慢冷卻),滲碳體可以分解而形成石墨狀的自由碳:Fe3C→3Fe+C(石墨)。這一過程對於鑄鐵和石墨鋼具有重要意義。
形成過程
滲碳體共晶滲碳體:在萊氏體組織中,點條狀奧氏體均勻分布在滲碳體基體上,這種滲碳體稱為共晶滲碳體。
先共析相及先共析滲碳體:具有亞共析和過共析成分的合金,在發生共析轉變前,總是隨著溫度的降低,先析出構成共析轉變產物的某一相,先析出的相叫先共析相,如亞共析鋼中的先共析鐵素體和過共析鋼中的先共析滲碳體。由於形成條件不同,先共析相的形態有塊狀、網狀和魏氏組織三大類。
共析滲碳體:珠光體中的滲碳體稱為共析滲碳體。
二次滲碳體:在鐵-碳合金平衡結晶過程中,具有共析成分(含碳量)以上的合金(過共析鋼、亞共晶白口鑄鐵、共晶白口鑄鐵、過共晶白口鑄鐵)在緩冷到一定程度時,奧氏體中的含碳量達到飽和,繼續降溫就會沿奧氏體晶界析出滲碳體,在顯微組織上呈網狀分布。這種由奧氏體中析出的滲碳體叫二次滲碳體。
三次滲碳體:工業純鐵在平衡冷卻至碳在鐵中的固溶線(Fe-C平衡圖PQ線)以下時,碳在鐵素體中的溶解度達到飽和,溫度再下降,將從鐵素體中析出三次滲碳體。三次滲碳體是從鐵素體晶界上析出,由於數量很少,一般沿鐵素體晶界呈斷續片狀分布。
自由滲碳體:是指那些游離於珠光體(共析組織)或萊氏體(共晶組織)等機械混合物(組織)之外的而作為一種獨立的相存在的滲碳體,如先共析滲碳體、初生滲碳體等。
加工工藝
鋼中滲碳體以各種形態存在,外形和成分有很大差異。一次滲碳體多在樹枝晶間處析出,呈塊狀,角部不尖銳;共晶滲碳體呈骨骼狀,破碎後呈多角形塊狀;二次滲碳體多在晶界處或晶內,可能是帶狀、網狀或針狀;共析滲碳體呈片狀,退火、回火後呈球狀或粒狀。在金相圖譜中滲碳體白亮,退火狀態呈珠光色。一次滲碳體和破碎的共晶滲碳體只有在萊氏體鋼絲,如9Cr18、Cr12、Cr12MoV和W18Cr4V中才能見到,只要熱加工工藝得當,冷拉用盤條中的一次滲碳體塊度應較小、無尖角,共晶碳化物應破碎成小塊、角部要圓滑,否則根本無法拉拔,滲碳體帶輕度稜角的盤條,可以通過正火後球化退火+輕度(Q020%)拉拔+高溫再結晶退火的方法加以挽救。帶狀和網狀滲碳體也是拉絲用盤條中不應出現的組織,這兩種組織提高鋼的脆性,不利於鋼絲加工成形,顯著降低成品鋼絲的切削性能和淬火均勻性,對網狀2.5級的盤條可用正火的方法改善網狀,一般來說鋼絲經冷拉-退火兩次以上循環,網狀可降低0.5-1級。

