驅動器簡介
步進電動機和步進電動機驅動器構成步進電機驅動系統。步進電動機驅動系統的性能,不但取決於步進電動機自身的性能,也取決於步進電動機驅動器的優劣。對步進電動機驅動器的研究幾乎是與步進電動機的研究同步進行的。
分類
步進電機按結構分類:步進電動機也叫脈衝電機,包括反應式步進電動機(VR)、永磁式步進電動機(PM)、混合式步進電動機(HB)等。
(1)反應式步進電動機:也叫感應式、磁滯式或磁阻式步進電動機。其定子和轉子均由軟磁材料製成,定子上均勻分布的大磁極上裝有多相勵磁繞組,定、轉子周邊均勻分布小齒和槽,通電後利用磁導的變化產生轉矩。一般為三、四、五、六相;可實現大轉矩輸出(消耗功率較大,電流最高可達20A,驅動電壓較高);步距角小(最小可做到10’);斷電時無定位轉矩;電機內阻尼較小,單步運行(指脈衝頻率很低時)震盪時間較長;啟動和運行頻率較高。
(2)永磁式步進電動機:通常電機轉子由永磁材料製成,軟磁材料製成的定子上有多相勵磁繞組,定、轉子周邊沒有小齒和槽,通電後利用永磁體與定子電流磁場相互作用產生轉矩。一般為兩相或四相;輸出轉矩小(消耗功率較小,電流一般小於2A,驅動電壓12V);步距角大(例如7.5度、15度、22.5度等);斷電時具有一定的保持轉矩;啟動和運行頻率較低。
(3)混合式步進電動機:也叫永磁反應式、永磁感應式步進電動機,混合了永磁式和反應式的優點。其定子和四相反應式步進電動機沒有區別(但同一相的兩個磁極相對,且兩個磁極上繞組產生的N、S極性必須相同),轉子結構較為複雜(轉子內部為圓柱形永磁鐵,兩端外套軟磁材料,周邊有小齒和槽)。一般為兩相或四相;須供給正負脈衝信號;輸出轉矩較永磁式大(消耗功率相對較小);步距角較永磁式小(一般為1.8度);斷電時無定位轉矩;啟動和運行頻率較高;發展較快的一種步進電動機。
系統控制
步進電動機圖示基本原理
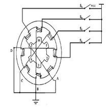
圖1圖1是該四相反應式步進電機工作原理示意圖。
四相步進電機步進示意圖開始時,開關SB接通電源,SA、SC、SD斷開,B相磁極和轉子0、3號齒對齊,同時,轉子的1、4號齒就和C、D相繞組磁極產生錯齒,2、5號齒就和D、A相繞組磁極產生錯齒。當開關SC接通電源,SB、SA、SD斷開時,由於C相繞組的磁力線和1、4號齒之間磁力線的作用,使轉子轉動,1、4號齒和C相繞組的磁極對齊。而0、3號齒和A、B相繞組產生錯齒,2、5號齒就和A、D相繞組磁極產生錯齒。依次類推,A、B、C、D四相繞組輪流供電,則轉子會沿著A、B、C、D方向轉動。
圖2單四拍、雙四拍與八拍工作方式的電源通電時序與波形分別如圖2.a、b、c所示。
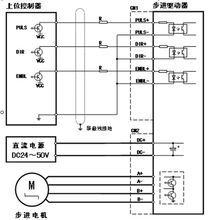
驅動器相當於開關的組合單元。通過上位機的脈衝信號有順序給電機相序通電使電機轉動。
組成結構
環行分配器
根據輸入信號的要求產生電機在不同狀態下的開關波形信號處理
對環行分配器產生的開關信號波形進行PWM調製以及對相關的波形進行濾波整形處理3:推動級:對開關信號的電壓,電流進行放大提升主開關電路
用功率元器件直接控制電機的各相繞組
保護電路
當繞組電流過大時產生關斷信號對主迴路進行關斷,以保護電機驅動器和電機繞組
感測器
對電機的位置和角度進行實時監控,傳回信號的產生裝置
驅動方式
圖示1.單電壓功率驅動
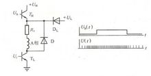
實用單電壓功率驅動接口及單步回響曲線2.雙電壓功率驅動
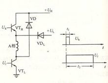
雙電壓驅動的功率接口如圖4所示。雙電壓驅動的基本思路是在較低(低頻段)用較低的電壓UL驅動,而在高速(高頻段)時用較高的電壓UH驅動。這種功率接口需要兩個控制信號,Uh為高壓有效控制信號,U為脈衝調寬驅動控制信號。圖中,功率管TH和二極體DL構成電源轉換電路。當Uh低電平,TH關斷,DL正偏置,低電壓UL對繞組供電。反之Uh高電平,TH導通,DL反偏,高電壓UH對繞組供電。這種電路可使電機在高頻段也有較大出力,而靜止鎖定時功耗減小。
3.高低壓功率驅動
高低壓功率驅動接口工作頻率如何,均利用高電壓UH供電來提高導通相繞組的電流前沿,而在前沿過後,用低電壓UL來維持繞組的電流。這一作用同樣改善了驅動器的高頻性能,而且不必再串聯電阻Rs,消除了附加損耗。高低壓驅動功率接口也有兩個輸入控制信號Uh和Ul,它們應保持同步,且前沿在同一時刻跳變,如圖所示。圖中,高壓管VTH的導通時間tl不能太大,也不能太小,太大時,電機電流過載;太小時,動態性能改善不明顯。一般可取1~3ms。(當這個數值與電機的電氣時間常數相當時比較合適)。
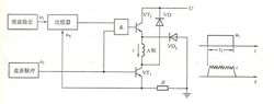
4.斬波恆流功率驅動
圖6
示意圖5.升頻升壓功率驅動
為了進一步提高驅動系統的高頻回響,可採用升頻升壓功率驅動接口。這種接口對繞組提供的電壓與電機的運行頻率成線性關係。它的主迴路實際上是一個開關穩壓電源,利用頻率-電壓變換器,將驅動脈衝的頻率轉換成直流電平,並用此電平去控制開關穩壓電源的輸入,這就構成了具有頻率反饋的功率驅動接口。
6.集成功率驅動
圖7
專用晶片構成的步進電動驅動系統
