釋義
在電路中不知其阻值的電阻稱為未知電阻,物理中一般用“伏安法”測量其阻值。
伏安法測電阻實驗原理
歐姆定理或由I=U/R,得R=U/I
電阻=電壓除以電流
R為導體的電阻(單位歐姆Ω)
U為導體兩端的電壓(單位伏特V)
I為通過導體的電流(單位安培A)
伏安法定義
伏安法(又稱伏特測量法、安培測量法)是一種較為普遍的測量電阻的方法,通過利用歐姆定律:R=U/I來測出電阻值。用電流表測出在此電壓下通過未知電阻的電流,然後計算出未知電阻的阻值,這種測電阻的方法,叫伏安法。
伏安法測電阻公式
伏伏法
1、器材:電源、開關、待測電阻Rx、已知阻值 的電阻Ro、電壓表一隻、導線若干。
2、實驗步驟: ⑴ 如圖1,將Rx、Ro串聯在電路中,且電 壓表並聯在Ro兩端,閉合開關S記下電 壓表的示數Uo; ⑵ 斷開開關S,將電壓表改接並聯到Rx兩 端,閉合開關S,記下電壓表此時的示數Ux。
未知電阻3、實驗原理: 分析:器材中有電壓表,則待測電阻Rx的兩端電壓Ux可測。根據Rx=IxUx 可知,要求 Rx,還應測量出通過Rx的電流Ix。而此時沒有電流表,不能測出電流,所以應該想辦法將Rx中通過的電流轉換到Ro中通過的電流。要讓Rx、Ro中通過的電流相等,則Rx、Ro應串聯。Ro阻值已知,若用電壓表測量出Ro兩端的電壓Uo,即可求Rx。∴Rx=IxUx
=IoUx
=UoUx ×Ro,
即:Rx=UoUx XRo
安安法
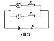
1、器材:電源、開關、待測電阻Rx、已知阻值的電阻Ro、電流表一隻、導線若干。
2、實驗步驟: ⑴ 如圖2,將Rx、Ro並聯在電路中,且電流表串聯在Ro 支路上,閉合開關S記下電流表的示數Io; ⑵ 斷開開關S,將電流表改接串聯到Rx支路上,閉合開關 S,記下電流表此時的示數Ix。
未知電阻3、實驗原理: 分析:器材中有電流表,則待測電阻Rx中通過的電流Ix可測。根據Rx=IxUx 可知,要求Rx,還應測量出Rx的兩端電壓Ux。 而此時沒有電壓表,不能測出電壓,所以應該想辦法將Rx的兩端電壓轉換到Ro的兩端電壓。要讓Rx、Ro的兩端電壓相等,則Rx、Ro應並聯。Ro阻值已知,若用電流表測量出通過Ro的電流Io,即可求Rx。
∴Rx=IxUx
=IxUo
=IxIo×Ro,
即:Rx=IxIo×Ro
等效替代法
1、器材:電源、開關、待測電阻Rx、電阻箱R,電流表一隻、導線若干。
2、實驗步驟:
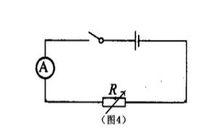
⑴ 如圖3,將Rx與電流表串聯接入電路 中,閉合開關S,記下電流表的示數I; ⑵ 如圖4,斷開開關S,將Rx拆下,換 上電阻箱R,並將電阻箱R的阻值調至 最大。閉合開關S,調節電阻箱R的阻 值,使電流表的示數回復到原來的示數I, 讀出並記下電阻箱R的阻值Ro 。
未知電阻3、實驗原理: 分析:因電源電壓不變,兩次電路中電流也沒變,則電阻不變。 即: Rx=Ro 拓展:為了在實驗過程中便於操作,可將 圖3和圖4合為一體。如圖5,S為單刀雙 擲開關。實驗步驟: ⑴ 按電路圖連線電路,將電阻箱R的阻值調 至最大; ⑵ 將S接a 點,記下電流表的示數I; ⑶ 將S接b點,調節電阻箱R的阻值,使電流表的示數回復到原來的示數I,讀出並記下 電阻箱R的阻值Ro 。
∴ Rx=Ro
極值法
1、器材:電源、開關、待測電阻Rx、滑動變阻器R,電流表一隻、導線若干。
未知電阻2、實驗步驟: ⑴ 按電路圖6連線電路,調節滑動變阻器的滑片P至最大電阻處,根據銘牌記下滑動變阻 器R的最大阻值Ro; ⑵ 閉合開關S,記下電流表的示數I1; ⑶ 調節滑動變阻器的滑片P至阻值為0Ω ,記下電流表此時的示數I2。
3、實驗原理: 分析:⑴ 當滑片P至最大電阻時,即 R與待測電阻Rx串聯。 ∴ U = I1(Rx + Ro) ⑵ 當滑動變阻器的滑片P至阻值為0Ω時,電路中只有待測電阻Rx。
∴ U = I2×Rx 解得:
Rx=121 I -II×Ro
半偏法測電錶電阻和半偏法測電流表電阻
未知電阻1.實驗器材:待測電流表、蓄電池組、電阻箱、滑動變阻器、
電鍵2個及導線若干。
2、實驗步驟:
⑴、按圖接線,圖中R1 為滑動變阻器、 R2為電阻箱,電源為蓄電池,內阻可以不計。 ⑵、先合下S1 ,調節R1使電流表指針滿偏.
⑶、再合下S2,保持電阻R1不變,調節R2使電流表指針半偏,記下R2的值. ⑷、若R1>100 R2,則Rg=R2 一般情況 R測量<R真
3、實驗原理:在右圖電路中,先斷開S2,閉合S1,讓電流通過電流表並使其滿偏,然後接上電阻箱,並調節它使電流表半偏,由於總電流幾乎不變,電流表和R2上各有一半電流通過,意味著它們電阻相等,此時讀出電阻箱的電阻,即為電流表的內阻Rg=R2
4、注意事項:
⑴、R2必須用電阻箱,電阻箱的選擇,只要它能調出與電流表內阻相當的電阻即可; ⑵、R1可以用滑動變阻器,也可以用大阻值的電阻箱。當電阻箱接入時,維持總電流幾乎不變是至關重要的,因為這時才可以說兩條支路上各有一半電流。為此:R1的實際阻值應遠大於電流表的內阻(R1>100 R2),才能做到總電流幾乎不變。
⑶、需要注意的是,R1的大小不是由選用滑動變阻器的阻值大小決定,而是由下式決定:
未知電阻,在實驗中,Ig、Rg都是一定的,為保證R1>100 R2,因此電源電動勢應儘量選大一點好。
⑷、在調節電阻箱時,電阻R1不應變化 。
半偏法測量電壓表電阻
未知電阻1.按右圖接線,圖中R0 為電阻箱.2.先合下S1 ,調節R0 =0,再調節R使電壓表指針滿偏. 3.保持變阻器電阻R不變,調節R0使電壓表指針半偏, 記下R0的值.
4.若R0>>R, 有 RV = R0 一般情況 R測量> R真實
電橋法
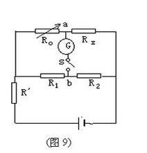
1、實驗儀器:電阻箱、檢流計、電源、開關、箱式惠通電橋等
未知電阻2、實驗原理 電橋的電路如圖9所示,四個電阻R1, R2,Rx和R。聯成一個四邊形,每一條邊稱作電橋的一個臂。a和b之間連線檢流計G,所謂“橋”就是指ab這條線而言。它的作用是將“橋”的兩個端點的電位直接進行比較。當a,b兩點的電位相等時,檢流計中無電流通過,即電橋達到平衡,容易證明,
這時下式成立:R1/R2=Rx/R0
即Rx=(R1/R2)XR0.
若R1,R2,R0均已知(或R1/R2和R0為已知),Rx即可由上式求出。

