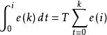
介紹
數字控制的過程為便於編寫程式,數字控制器往往通過差分方程來實現。
數字PI控制
數字PI控制
數字PI控制令,,當採樣頻率足夠高時,可以近似認為:有.
數字PI控制當時,
數字PI控制
數字PI控制
數字PI控制
數字PI控制
數字PI控制有≈
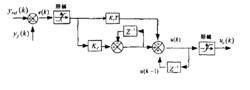
圖2數字PI控制器的結構框圖
數字PI控制則當時有
數字PI控制
數字PI控制
數字PI控制
數字PI控制
數字PI控制=
則向後差分方程為
數字PI控制
數字PI控制
數字PI控制
數字PI控制
數字PI控制
數字PI控制
數字PI控制
數字PI控制
數字PI控制(T)
數字PI控制
數字PI控制
數字PI控制
數字PI控制
數字PI控制
數字PI控制又=,可簡寫成
數字PI控制
數字PI控制
數字PI控制
數字PI控制
數字PI控制
數字PI控制
數字PI控制系式。
以數字PI控制器為例,畫出結構框圖如圖2所示。
設計方法
數字PI控制
數字PI控制設計數字PI控制器,就是要確定其係數
、由於採樣周期是固定的,常見的數字設計方法有模擬設計法和z域設計法。模擬設計法是先設計出模擬PI控制器D(s),再經差分變換或雙線性變換導出對應的D(z)。這種設計方法能利用模擬控制器的設計經驗,但存在一定的近似性和不確定性。Z域設計法的步驟是:首先,將被控對象按零階保持器法(即串聯一個零階保持器)進行離散化;然後,根據系統的性能指標要求,直接在Z域中進行零、極點配置或回響分析,一般可按先比例(P)、後比例積分(PI)的順序確定控制器參數。控制器的設計一直是控制系統的關鍵,其主要性能如動態特性和穩壓精度與控制器的參數密切相關。在數字控制系統中,數字控制器具有其特有的特徵。
相對於模擬控制器而言,受採樣精度和採樣頻率的限制,由於數字控制器的頻寬有限,從理論上來講,數字控制器的控制效果應該與模擬控制器有一定的差距。但是,數字控制器具有結構靈活,邏輯判斷和可以進行複雜的人工智慧判斷等優點,因而在控制性能上能趕上或超過模擬控制器 。
