塔輪傳動
塔輪傳動是有級變速的帶傳動,變速級數—般為3~5級;由於它傳動平穩、結構簡單、製造容易、對軸的安裝精度要求不高,所以在中小功率的變速傳動(如磨床的頭架、台式工具機等)中仍有套用,但其變速範圍較小、體積較大、調速不便。
塔輪傳動按從動軸最低轉速時傳遞的功率進行設計,計算中除塔輪直徑外,其餘和一般帶傳動相同。確定塔輪直徑時應滿足以下條件:1) 保證傳動比要求。 2) 保證同一中心距不同時帶長相等。為了便於製造,通常使主、從動塔輪尺寸完全相同。
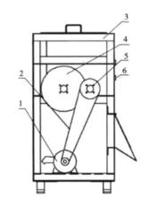
塔輪變速機構
圖1如圖1所示,軸I,II上分別固定有塔形皮帶輪1和3,皮帶2可以在皮帶輪上移換三含不同位置。由於兩個皮帶輪對應各級的直徑比值各不相同,因而當I軸以固定不變的轉速旋轉時,II軸可以得到三級不同的轉速。
塔輪變速機構可以用平皮帶傳動,也可以用三角皮帶傳動。這種變速機構的優點是運轉比較平穩,結構簡單,缺點是變速不方便,尺寸較大。這種變速機構主要用於簡式工具機、小型工具機及高速工具機上。
套用
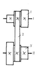
圖21、拉絲機主工作區錯開式分布的塔輪裝置
金屬製品行業所用拉絲機設備(如圖2)由第一塔輪組(1),第二塔輪組(2),第三塔輪組(3),同步帶(4),主軸(5)組成,每組塔輪組有兩副塔輪構成,每副塔輪都由其直徑從小到大排列的塔輪片組成階梯形,並位於各自的主軸上;該三組塔輪在結構上錯開分布,即第一塔輪組(1)的最外一片塔輪片的中心對著第二塔輪組(2)的最內一片塔輪片的中心,第二塔輪組(2)的最外一片塔輪片的中心對著第三塔輪組(3)的最內一片塔輪片的中心,三組塔輪的主軸(5)之間採用同步帶傳動。該裝置能減少鋼絲在拉拔過程中的彎曲次數,保證鋼絲拉拔後的性能,便於操作和檢修,提高生產效率。
2、採用塔輪機構的進給傳動系統設計
圖3單板旋切機的進給傳動系統就是採用塔輪機構作為進給傳動系統的,如圖3所示。這是典型的內聯繫傳動系統,為保證旋切過程中單板厚度均勻一致,必須考慮各傳動副對傳動精度的影響,不能用傳動精度低的傳動件,如皮帶傳動、摩擦傳動等。

