簡介
在工程技術中,為了準確地表達機械、儀器、建築物等的形狀、結構和大小,根據投影原理、標準或有關規定表示工程對象,並有必要的技術說明的圖,叫做圖樣。不同性質的生產部門對圖樣有不同的要求和名稱。如建築工程中使用的圖樣稱為建築圖樣,水利工程中使用的圖樣稱為水利工程圖樣,機械製造業中使用的圖樣稱為機械圖樣等。
機械圖樣
機械設計一般需要藉助機械圖樣這一特殊語言進行,機械圖樣的構成也是機械功能的具體體現。機械圖樣一般包括以下幾種:1、零件圖
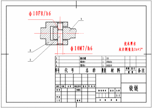
表達零件的圖樣稱為零件工作圖,簡稱為零件圖.

一張完整的零件圖通常應具有以下內容:
(1)一組圖形:表達零件的內,外結構形狀。
(2)零件尺寸:製造零件所需的全部尺寸都應標出。
(3)技術要求:製造零件應達到的一些質量要求。
(4)標題欄:寫零件的名稱,材料,數量和畫圖比例以及設計單位名稱,設計,製圖,審核人員的簽名。
2、裝配圖

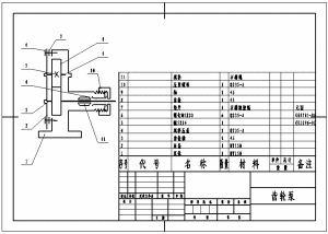
一張完整的裝配圖通常應具有以下內容:(1)一組圖形——表達部件或機器的工作原理,各零件之間的裝配關係及零件的結構形式。
(2)必要的尺寸——包括部件或機器的規格尺寸,外形尺寸,零件之間的配合尺寸及其他重要的尺寸。
(3)技術要求——用文字說明部件或機器在安裝和使用等方面的技術要求。
(4)零件或部件的序號,明細欄和標題欄——按一定的方式對每個不同的零件或部件表注序號,並在明細欄中按序號填寫零件或部件的名稱,材料,件數等內容。標題欄的內容用:部件或機器的名稱,型號,畫圖比例,圖號及其設計,製圖,審核人員的簽名。3、機構運動簡圖

在分析機構的運動時,為了方便起見,可以不畫機構的複雜外形和具體結構而用規定的符號畫出能表達其運動方式的簡化圖形,這種簡化的圖形叫做機構運動簡圖.
如圖為輪系的機構運動簡圖,其表示齒輪1為輸入,齒輪1,3為定軸輪系,而齒輪3,2',行星架H組成行星輪系。齒輪1的轉向與2相反,齒輪2的轉向與2’相同,齒輪1的轉向與3相反。
4、機械裝配示意圖

裝配示意圖是在拆卸過程中所畫的記錄圖樣,它的主要作用是避免由於零件拆卸後可能產生混亂致使重新裝配時產生疑難。此外在畫裝配圖時也可作為參考。裝配示意圖主要表達的是每個零件的位置,裝配關係和部件的工作情況,傳動路線等,而不是整個部件的詳細結構和各個零件的形狀。
技術要求
一、表面粗糙度機械圖樣中的技術要求主要指零件幾何精度方面的要求。如:表面粗糙度、極限與配合、形狀與位置公差等。還包括理化性能方面的要求。如:熱處理和表面處理等方面的要求。技術要求一般用符號、代號標註在圖形上,或用文字注寫在標題欄附近。
1)同一圖樣上,每個表面一般只標註一次
2)一般注在可見輪廓線、尺寸界線、引出線或它們的延長線上
3)符號的尖端從材料外指向材料里
二、極限與配合1、尺寸及其公差基本參數
(1)基本尺寸
(2)極限尺寸
(3)極限偏差
(4)尺寸公差
(5)公差帶
(6)極限制
2、配合
(1)間隙配合
(2)過盈配合
(3)過渡配合
3、公差和基本偏差
(1)標準公差
國家標準規定的公差數值。與基本尺寸和公差等級有關。
標準公差的等級:分為20級,即IT01,IT02,…..IT18。
IT01公差值最小,精度最高.
IT18公差值最大,精度最低。
(2)基本偏差
國家標準的極限與配合中,決定公差帶相對於零線的位置極限偏差。
基本偏差代號:用字母表示。大寫的為孔,小寫的為軸,各28個。
三、形狀和位置公差
1、形位公差:指零件的實際形狀和實際位置相對於理想形狀和理想位置所允許的最大變動量代號
2、代號:由項目符號、框格及指引線、公差數值和其他有關符號、基準符號組成。
基準符號:由字母、圓圈、粗短線和連線組成。
帶有基準字母的公差的標註
3、用帶箭頭的指引線將框格與被測要素相連
(1)基準要素為輪廓或表面時,放在要素的輪廓上或其延長線上。
(2)當被測要素為軸線、中心線時,將箭頭指引線應與尺寸線的延長線重合。
4、帶有基準字母的公差的標註
(1)基準要素為輪廓或表面時,放在要素的輪廓上或其延長線上。
(2)基準要素為軸線或中心平面時,基準符號要與尺寸線對齊。
(3)當多個被測要素有相同的形位公差要求時,可從一個框格的同一端引出多個指引線。當同一個被測要素有不同的形位公差要求時,可從一個指引線上畫出多個公差框格。
(4)對於兩個或兩個以上的要素組成的公共基準,其基準字母套用橫線連起來,寫在框格的同一格內。
