簡介
可逆計數器除了有復位端,還有兩個計數端,一個為正計數端,一個為減計數端。
其工作情況是,初始狀態,或復位端ON時,現值為0,不計數。復位端OFF,允許計數。正端從OFF到ON,正計數,計數現值加1;負端從OFF到ON,減計數,計數現值減1。
日常生產和科研中有時需要可逆計數器。例如,測量物體在水中的最終下沉深度。有時需要向上、向下反覆測量幾次才能完成。顯然,此時的計數器應是可逆計數的。這種既能進行加法計數又能進行減法計數的計數器,稱為可逆計數器 。
組成
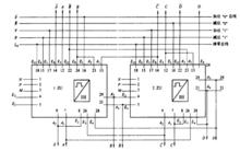
多個可逆計數單元可組成可逆計數器,由於外部接線的不同情況可按二進制或二→十進制工作;如選按二→十進制(Aiken)碼工作時,需用兩個可逆計數單元(ZU)組成十進制的一位,其中第1個可逆計數單元用於阿依根碼(四位)計數的前二位,第2個可逆計數單元用於阿依根碼計數的後二位,該計數器的組成接線如圖所示。
圖中P為+24V電源,N為-24V電源,M為地(0V)。
或非門(9)的輸出端A、A,根據阿依根碼的原則,分別接至各JK觸發器的J、K輸入端,如1可逆計數單元的A接至2可逆計數單元的觸發器(3)的E(14)端,A接至本可逆計數單元內的觸發器(6)的E(24)端;而2可逆計數單元的A接至本單元內觸發器(3)的E(12)端,A接至1可逆計數單元的觸發器(6)的E(22)端;其輸入端E~E,按照阿依根代碼加法計數或減法計數可分別選擇接至兩個可逆計數單元內的觸發器(3,6)的輸出端(9,7,29,21),其輸入端E分別接至加法“0”匯流排()或減法“0”匯流排()。
異步十進制可逆計數器接線圖在數字控制系統中,轉速給定信號從圖中的阿依根代碼A、B、C、D端(12和24端)加入;如來自10°位的脈衝從輸入端E(4)、E(5)加入,則輸出端A(29)、A(21)得到10位的脈衝。
計數器
具有記憶輸入脈衝個數作用的邏輯部件,稱之為計數器。計數器的種類很多,按進位制可分為二進制、十進制、五進制、七進制等計數器;按計數器中觸發器翻轉的次序可分為異步式和同步式兩種;按計數過程中數字的增、減可分為加法、減法、加減可逆計數器等。
在數字系統中,對脈衝的個數進行計數、以實現數字測量、運算和控制的數字部件,稱為計數器。
計數器主要由觸發器構成。若按觸發器的翻轉的次序來分類,可以把計數器分為同步式和異步式。在同步計數器中,當計數脈衝輸入時所有觸發器是同時翻轉的;而在異步計數器中,各級觸發器則不是同時翻轉的。若按計數過程中計數器中數字的增減來分類,可以分為加法計數器,減法計數器和可逆計數器(亦稱加減計數器)。加法計數器是隨著計數脈衝的不斷輸入而遞增計數的;減法計數器是隨著計數脈衝的不斷輸入而遞減計數的;可增可減的稱 可逆計數器 。
計數器是一種邏輯元件,在一事件發出時,可使所存儲數據增加“1”或一個常數。從某種意義上說,計數器也是一個暫存器,它能“記住”送到其輸入端的脈衝數目。計數器對計算機來說是很重要的,例如在控制器中要對程式中的指令地址進行計數,以便在執行完一條指令後,按新的地址轉入下一條指令。計數器由一定數量的觸發器和門電路組成,現在一般都採用積體電路 。
同步計數器
同步計數器是能累計或暫存輸入脈衝個數且電路中各觸發器狀態更新是同步進行的一種時序邏輯電路。
計數器同步計數器與異步計數器相比,除電路結構形式不同外,原理、功能、分類等基本相同。圖1為由三個JK觸發器組成的M=2 的三位二進制加法計數器。計數脈衝N同時加到各觸發器時鐘CP端,觸發器狀態更新同時進行。圖2為同步三位二進制減法計數器,與圖1不同之處是各觸發器從Q端引到下一位的JK端。減法計數器狀態圖如圖3所示。
特點:①各觸發器狀態更新同時進行;②觸發器狀態由前級的現態決定後級的次態;③比異步計數器電路結構複雜,需要門電路配合,但計數工作速度較異步快;④電路進位方式有串列和並行兩種形式,並行進位方式可進一步提高計數工作速度 。

