基本原理
交叉渡線是使機車車輛由一條線路既可進入又可越過另一條線路的軌道設備,它可以縮短站場長度,減少占地面積,因而在鐵路上得到廣泛的套用。
交叉渡線一般由四組單開道岔(或對稱道岔)一組菱形交叉組合而成。兩平行線路的交叉渡線一般有三種布置方法:
(1)對稱布置:菱形交叉對稱布置於兩平行線路之間。這是交叉渡線最常用的型式。
(2)不對稱布置:為了有可能利用標準的(或已有的)單開轍叉及菱形交叉或在有特殊需要時,可將菱形偏於一側線路,成不對稱布置的交叉渡線。
(3)縮短的交叉渡線:在兩平行線路間距較大時,為了縮短交叉渡線的長度,在單開道岔轍叉跟端與菱形交叉銳角轍叉跟端之間設一連線曲線(其半徑不應小於道岔導曲線半徑)。但這種布置會使列車的運行條件變壞,並且增大了養護的複雜程度。
形式
交叉渡線平面形式與兩端單開道岔的開向有關,總計有十種形式。
其中比較常採用的平面形式為兩平行線問設定的交叉渡線(即兩組左開、兩組右開對稱布置),各種形式應根據站場布置及其功能選用,國鐵鋪設的交叉渡線線間距有5.0m、5.3m、5.5m和6.5m四種標準圖。
交叉渡線的功能相當於兩組相反方向鋪設的單渡線,對於縮短車站長度,提高折返效率有著良好的效果。目前交叉渡線成為我國城市軌道交通工稗常用道岔的類型之一。交叉渡線由於菱形交義部分轍叉結構比較複雜,對運營、維修和製造有一定不利因素,但是目前鐵路工務部門已在維修養護方面積累r比較豐富的經驗,確保交叉渡線經常處於良好的技術狀態,保證了運營安全。
交叉渡線鐵路交叉渡線在設計、運營、鋪設及養護維修的經驗給城市軌道交通工程鋪設交叉渡線奠定了良好基礎。交叉渡線在城市軌道交通工程折返線中已普遍採用。
主要技術特徵
交叉渡線與線間距關係
交叉渡線兩端的單開道岔轉轍器與標準的單開道岔轉轍器在任何情況下都是相同的。當交叉渡線線間距大於一定的數值時,兩端的單開道岔與中間的菱形交叉相互獨立設定。此時,單開道岔的轍叉及護軌也是相同的。其線間距與道岔號數有關,應根據計算確定,一般(當道岔號數在9號、12號時)約在6.5m及以上。在上述線間距時菱形交叉是標準的,只是連線配軌的長度不同。
當交叉渡線線間距小於上述數值時,兩端的單開道岔與中間的菱形交叉相互銜接設定,此時,單開道岔的轍叉及護軌與菱形交叉的銳角轍叉應特殊設計。
菱形交叉部分技術特點
(1)菱形交叉組成
菱形交叉由兩組銳角轍叉及護軌、兩組鈍角轍叉和配軌組成,四組轍叉對稱布置。銳角轍又及護軌的技術特點基本與單開道岔的轍又及護軌相同。
兩組鈍角轍叉相對鋪設,鈍角轍叉的翼軌兼起另一組轍叉護軌的作用(因此又可稱作護軌)。列車通過菱形交叉兩組鈍角轍叉時,心軌與翼軌相互制約,輪對保持列車正常運行方向,不致引起車輪撞擊心軌或者進入異股,否則,導致列車脫軌造成事故。
(2)菱形交叉主要尺寸
菱形交叉主要尺寸見圖。
交叉渡線銳角轍叉的轍叉角:為單開道岔轍叉角的兩倍();
菱形長軸A:兩組銳角轍叉理論尖端的距離;
菱形短軸B:兩組鈍角轍叉理論尖端的距離;
菱形斜邊C:銳角轍叉理論尖端與鈍角轍叉理論尖端的距離;
L1:單開道岔轍叉理論尖端與銳角轍叉理論尖端的水平距離;
L2:單開道岔轍叉理論尖端與鈍角轍叉理論尖端的沿鋼軌線距離;
L3:單開道岔轍叉理論尖端與銳角轍叉理論尖端的沿鋼軌線距離;
D:交叉渡線線間距;
S:標準軌距;
交叉渡線
交叉渡線:菱形交叉部分軌距。
菱形軌距
菱形交叉部分軌距加寬
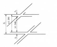
我國鐵路早期的“57型”交叉渡線菱形部分的軌距為1435mm,鈍角轍叉翼軌(護軌)輪緣槽採用44mm,很難滿足工務維修查照間隔要求。
交叉渡線=1435mm;
交叉渡線=44mm;
1435-4=1391mm(查照間隔要求1391mm,養護允差為0);
1435-44-44=1347mm(查照間隔要求1348mm。養護允差為+1)。
可見,為滿足查照間隔1391mm及1348mm要求,菱形部分軌距或輪緣槽尺寸允差只能為+1、-0,這對運營養護來說,實際上是無法保證的,很可能新製造、鋪設的道岔,剛剛上道運營,就會出現不合格現象,給運營安全埋下隱患。
在我國鐵路“62型”交叉渡線設計時,經過充分研究確定菱形交叉部分的軌距加寬5mm,為1440mm(兩側各加寬2.5mm),鈍角轍叉翼軌(護軌)輪緣槽予以加寬,採用47mm,其檢算查照間隔:
1440-47=1393mm(查照間隔要求1391mm,養護允差為-2):
1440-47-47=1346mm(查照間隔要求1348mm,養護允差為+2)。
交叉渡線軌距及輪緣槽有±2mm的允差,基本上滿足了維修養護的要求。該設計方案經過多年運營實踐證明道岔技術狀態經常良好,養護方便,保證了運行安全。當然,在菱形交叉部分軌距加寬5mm已超出道岔養護軌距限度,且會使得列車不平穩運行。但是,一般情況列車通過交叉渡線菱形交叉部分時速度較低,同時鈍角轍叉在結構上又做了相應改進,能夠確保行車安全。
軌距加寬後的軌距過渡
菱形交叉部分軌距加寬的設定方法採用菱形交叉部分中心線不變,軌線向兩側各加寬2.5mm的方式。
菱形交叉部分軌距加寬後的軌距過渡。可在單開道岔轍叉趾端之問過渡,單開道岔轍又及護軌、銳角轍叉及護軌軌距均為1440mm.也可以在銳角轍叉趾端過渡,銳角轍又及護軌軌距仍保持1435mm,因為前者軌距過渡形式引起交叉渡線總布置圖變化,不便於站場布置,目前軌距過渡形式均採用後者。

