簡介
中央軸空病(centralcoredisease)是常染色體顯性遺傳的一種非進展性肌病。1956年Shy和Magee首次報導一個家系3代共5位患者。自出生或出生後不久起病,有的在妊娠期間已察覺胎動少;尚有部分患者於成人時發病。早期表現活動能力差,一般到4~5歲才能行走,但仍有跑跳、登梯、坐位起立等困難。體檢時發現以肢體近端肌肉無力為主,肌張力低下,伴有Gower’s征。部分患者開始運動時乏力,運動一段時間後肌力好轉,無肌痛或肌痛不明顯,運動後可出現肌肉痙攣。有些患者可有輕度面肌受累,如出現雙眼瞼閉合不緊。患者尚可並發脊柱側凸等骨骼異常。血清CPK水平正常。肌電圖呈肌源性損害。
臨床特徵
中央軸空病 (2)CCD與惡性高熱(MalignantHyperthermia,MH)為等位基因病,CCD有很高的發生MH的可能性,相反亦然。最新的一份27例CCD研究中發現,無任何臨床症狀者6例(占22%),此6例均因懷疑為MH易患人群而行肌肉活檢,病理檢查特徵性的出現中央軸空結構而確診為CCD。
(3)骨關節的異常亦是CCD最常見的體徵之一,表現為脊柱側突、脊柱前彎、先天性髖關節脫位、關節攣縮、平底足及胸廓畸形。但是以上各種畸形的嚴重程度與肌無力的程度無相關性,部分患者無肌肉無力,僅以畸形為唯一的臨床體徵,在畸形的矯正手術中發生MH,後經肌肉病理證實為中央軸空病。
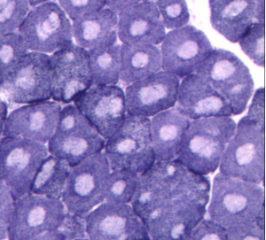
(4)典型CCD肌肉病理特徵為:肌纖維大小不均,沒有炎症細胞浸潤,在磷酸化酶及氧化酶染色下(NADH,SDH及COX),在1型肌纖維的中央位置,出現單個的周邊境界清晰的軸空結構,1型纖維占絕對優勢,無肌纖維的壞死及增生。
(5)自從1993年zhang報導RyR1為CCD的致病基因後,到目前為止,至少有44種RyR1突變報導與CCD相關,包括39個錯義突變和5個缺失突變。大多為常染色體顯性遺傳或散發病例,僅有4個家系經基因證實為常染色體隱性遺傳。
病因機理
肌肉活檢橫切面示肌纖維中央是由肌原纖維組成的緻密無結構區域,在改良Gomori三色(MGT)染色上呈藍色,外層邊緣區域呈略紅色。還原輔酶I-四唑氮還原酶(NADH-TR)染色顯示肌纖維中央呈無酶活性區域。縱切面示軸空結構貫穿肌纖維全長。軸空部位細胞色素C氧化酶(COX)、琥珀酸脫氫酶(SDH)、乳酸脫氫酶(LDH)染色均不著色。ATP酶染色示肌纖維分型不明顯,因肌原纖維對ATP酶反應顯色,故ATP染色無軸空現象。軸空現象不一定均位於肌纖維中央,部分肌纖維內有多個軸空,伴有軸空的肌纖維均為Ⅰ型纖維,軸空纖維直徑相對較小,無軸空肌纖維相對肥大。
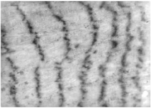
電鏡下見肌纖維內兩Z盤之間的肌節長短不一,無M線結構或M線結構不明顯,肌纖維中央區域Z盤連成一條線,有的區域Z盤關係紊亂,構成水波紋樣,肌原纖維束之間間隙明顯減小,分界不清楚,其間無線粒體結構(圖95-1)。糖原顆粒與肌管系統減少或消失,肌膜下可見線粒體堆積,線粒體結構尚正常。
本病的致病基因定位於19號染色體長臂(19q13.1),與鈣離子釋放通道的ryanodine受體基因(RYR1)突變有關。它與惡性高熱的致病基因是等位基因,但在部分家族中央軸空病與惡性高熱並不共存。

