並行傳輸的概念
並行傳輸指的是數據以成組的方式,在多條並行信道上同時進行傳輸。常用的是將構成一個字元的幾位二進制碼同時分別在幾個並行的信道上傳輸。另外加一條控制信號即“選通”脈衝,它在數據信號發出之後傳送,用以通知接收設備所有位已經傳送完畢,可對各條信道上的信號進行取樣了。
這類傳輸比較簡單,對8位微處理器來說,8位的數據一次同時傳送。微處理器本身處理的數據就是並行處理,所以這就不需要對數據進行格式的變化。因此實現這類傳輸的接口電路也比較簡單。
並行傳輸的基本原理
並行傳輸的編碼
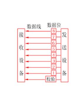
一個編了碼的字元通常是由若干位二進制數表示,如用ASCII碼編碼的符號是由8位二進制數表示的,則並行傳輸ASCII編碼符號就需要8個傳輸信道,使表示一個符號的所有數據位能同時沿著各自的信道並排的傳輸.並行傳輸時,一次可以傳一個字元,收發雙方不存在同步的問題。而且速度快、控制方式簡單。但是,並行傳輸需要多個物理通道。所以並行傳輸只適合於短距離、要求傳輸速度快的場合使用。
這類的接口電路必須具有緩衝暫存器,以便使數據在接口中停留足夠的時間以適應外部設備的動作時間,或者是供微處理器在適當的時候來去數。另外還應該有一些控制電路;地址解碼選擇電路;用於在MPU查詢時應答的狀態標誌電路和由關控制;暫存MPU發來的控制命令的暫存器以及中斷邏輯控制電路等等。
並行傳輸的實現
一個採用8單位二進制碼構成了一個字元進行並行傳輸,系統採用8個信道並行傳輸,一次傳送一個字元,因此收、發雙方不存在字元同步的問題,不需要額外的措施來實現收發雙方的字元同步,這是並行傳輸的主要優點。但是並行傳輸必須有多條並行信道,成本比較高,不易遠距離傳輸。
這類匯流排傳輸速度快,但適用於短距離傳送。典型的有S-100匯流排、MUI.TIBUS匯流排、標準匯流排、IEEE-488匯流排等。並行標準匯流排通常是用於外掛程式板之間的連線。只有IEEE-488是用於系統和系統之間的連線。

