典型結構與特點
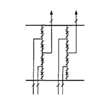
4/3斷路器接線中,每串有4台斷路器,接三回進出線迴路,故稱為一又三分之一台斷路器接線,又稱4/3接線.這種接線的特點與3/2接線類似,具有較高的供電可靠性和運行調度靈活性.與3/2接線相比,4/3接線的投資較省,但布置比較複雜,且要求在一個串的3個迴路中,電源與負荷容量應相匹配,以提高供電可靠性。
4/3斷路器接線有以下特點:
(1)節省投資,占地面積小;
(2)靈活性高,供電可靠性略低於3/2接線;
4/3典型接線(3)布置複雜,保護配置要求較高,並要求在1個串的3個迴路中,電源與負荷容量能匹配,提高供電可靠性
與3/2斷路器接線比較
4/3接線在充裕性和經濟性方面好於3/2接線,但在安全性方面較3/2接線稍差.如果需要在2種接線形式間抉擇一種作為某項目的終選方案,結論應視具體情況而定.2種接線形式各項指標差異並不明顯,所以如果需要優先考慮安全性可以選擇3/2接線,如果出於充裕性和經濟性方面的考慮則可以選擇4/3接線。
重合閘
電力系統的運行經驗表賜,架空線路的故障大都是瞬時性的,為減少因瞬時故障造成的線路停電,採用自動重合閘裝置;自動重合閘裝置也可以糾正斷路器本身由於機構不良或繼電保護誤動作引起的誤跳閘。4/3斷路器接線開關比較多,引出線也比較多,所以自動重合閘顯得更為重要。
4/3斷路器接線的自動重合閘啟動方式主要有2種,一是線路保護跳閘啟動重合閘;二是跳閘位置啟動重合閘。保護動作啟動重合閘主要是線路保護經出口壓板引入的分相跳閘接點,並且分相跳閘接點還兼做斷路器失靈的外部開入接點,線路保護也不再設定單獨的重合閘接口,而且發變組三跳和線路三跳不啟動重合閘,因此當線路停運,單串開關合環運行時,若線路有工作,為防止開關失靈誤開入,應將斷路器失靈保護和啟動重合閘的共用接點閉鎖掉;跳閘位置啟動重合閘主要是靠斷路器操作箱提供的跳閘位置接點來完成,並且附加跳閘相無電流條件啟動。在實際操作過程中,若採用分合繼電器接點來完成手動操作閉鎖重合閘功能(此處的分合繼電器設定在操作箱迴路中),只能實現遠方操作開關閉鎖重合閘,不能實現現地操作閉鎖重合閘功能。
採用4/3接線的系統,線上路故障時要斷開2台斷路器,在重合時,一般採用先後重合閘的方式進行重合。即預先設定一台斷路器以較小的時間延時重合,當故障已切除,單台重合閘成功後,經一定延時,另一台開關再重合,恢複線路運行。當先合斷路器重合於永久故障時,斷路器跳開,另一台斷路器不再重合。實際中考慮到系統“先並列再合環”的原則,規定母線側斷路器先重合。
4/3接線系統操作複雜,針對不同的運行方式要選擇相對應的開關操作順序,力求將事故發生幾率和範圍控制到最小,並應注意線路重合閘和短引線保護與其他接線不同的部分,以保證運行操作的正確性,確保主接線的安全可靠運行。

