產品說明
S49-A系列三元旋振篩 是一種高精度細粉篩分機械,其噪音低、效率高,快速換網需3-5分鐘,全封閉結構,適用於粒、粉、粘液等物料的篩分過濾。
結構原理
S49-A系列三元旋振篩 ,由直立式電機作激振源,電機上、下兩端安裝有偏心重錘,將電機的旋轉運動轉變為水平、垂直、傾斜的三次元運動,再把這個運動傳遞給篩面。調節上、下兩端的相位角,可以改變物料在篩面上的運動軌跡。
高效率精確篩分
全封閉結構,粉末不飛揚、液體不泄露、網孔不堵塞、自動排放、機內無存料、網架結構無死角、篩網使用面積增加。
S49-A三元旋振篩特點
☆ 效率高、設計精巧耐用,任何粉類、粘液均可篩分。
☆ 換網容易、操作簡單、清洗方便。
☆ 網孔不堵塞、粉末不飛揚、可篩至500目或0.028mm。
☆ 雜質、粗料自動排出,可以連續作業。
☆ 獨特網架設計,篩網使用時間長久,換網快只需3-5分鐘。
☆ 體積小,不占空間移動方便。
☆ 篩機最高可以達到五層,建議使用三層。
三元旋振篩適用行業
化工行業:樹脂、塗料、工業藥品、化妝品、油漆、中藥粉等。
食品行業:糖粉、澱粉、食鹽、米粉、奶粉、豆漿、蛋粉、醬油、果汁等。
金屬、冶金礦業:鋁粉、鉛粉、銅粉、礦石、合金粉、焊條粉末、二氧化錳、電解銅粉、電磁性材料、研磨粉、耐火材料、高嶺土、石灰、氧化鋁、重質碳酸鈣、石英砂等。
公害處理:廢油、廢水、染整廢水、助劑、活性碳等。
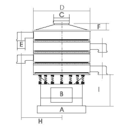
旋振篩詳細結構圖 :
旋振篩S49-A三元旋振篩主要技術參數:
| 型號 | S49-400 | S49-600 | S49-800 | S49-1000 | S49-1200 | S49-1500 | S49-1800 | S49-2000 | |
| 有效篩分直徑(mm) | φ340 | φ540 | φ730 | φ900 | φ1100 | φ1400 | φ1700 | φ1800 | |
| 有效篩分面積(�) | 0.0907 | 0.2289 | 0.4183 | 0.6359 | 0.9499 | 1.5386 | 2.2687 | 2.7922 | |
| 篩網規格 | 2~500目 | ||||||||
| 層數(S) | 1-5 | 1-5 | 1-5 | 1-5 | 1-5 | 1-5 | 1-3 | 1-3 | |
| 功率(kw) | 振動電機 | 0.18 | 0.25 | 0.55 | 1.1 | 1.1 | 1.5 | 2.2 | 2.2 |
| 普通電機 | - | 0.75 | 1.1 | 1.5 | 1.5 | 2.2 | 3.0 | 3.0 | |
三元旋振篩篩選:任何顆粒、粉末、粘液一定範圍內均可篩選。篩分最細至500目或0.028mm, 過濾最小可至5微米。分級篩選,可篩一至五層篩網,能同時進行二至六個等級的分選或過濾。
旋振篩角度:
上下角度:0度物料由中心向四周運動
上下角度:15度適用於一般篩分
上下角度:45度物料在篩面上運動軌跡最長
上下角度:90度物料由四周向中心運動
角度示意圖旋振篩日常保養:
1、啟動前:(1)檢查粗網及細網有無破損(2)每一組束環是否鎖緊2、啟動時:(1)注意有無異常雜音(2)電流是否穩定(3)振動有無異狀3、使用後:每次使用完畢即清理乾淨.定期保養定期的檢查粗網,細網和彈簧有無疲勞及破損,機身各部位是否因振動而產生損壞,需添加潤滑油的部位必須加油潤滑。
