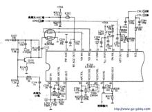
功能說明
引腳 電壓(V) 功能 說明
管腳圖1 2.3 音頻開關選擇,音頻信號(TV或AV)輸出端2 2.3 伴音鑒頻外接去加重電容
3 2.5 中頻AGC檢波濾波電容
4 1.6 射頻AGC電壓輸出
5 2.8 圖像中頻信號輸入1
6 2.8 圖像中頻信號輸入2
7 0 中頻電路地
8 5 中頻電路5V電壓
9 2 調頻檢波濾波電容
10 2.5 AFT控制電壓輸出
11 4.6 匯流排控制數據輸入/輸出端
12 4.6 匯流排控制時鐘輸入端
13 4.3 ABL檢測輸入端
14 .8 字元R輸入端
15 .8 字元G輸入端
16 .8 字元B輸入端
17 0 快速消隱脈衝輸入端, 閥值電壓為2V,當該腳電壓大於2V時,(19)~(21)腳輸出屏顯R、G、B信號;當該腳電壓小於2V時,(19)~(21)腳輸出圖像R、G、B信號
18 8 RGB輸出電路電源電壓輸入端
19 1.9 R信號輸出
20 1.9 G信號輸出
21 1.9 B信號輸出
22 .3 ID識別同步信號輸出端
23 2.3 場偏轉激勵鋸齒波電壓輸出端
24 2.7 場偏轉鋸齒波形成電容及平滑電容外接端
25 5 行掃描電路及匯流排接口電路電源輸入端
26 2.6 AFC1環路低通濾波器 RC時間常數影響行同步引入/保持範圍及同步穩定性
27 .6 行掃描激勵脈衝輸出端
28 1.1 AFC2環路比較行,逆程脈衝輸入端 改變R、C值可調畫面水平中心
29 1.6 參考電流產生端 需外接4.7K電阻接地
30 .9 4MHz時鐘信號輸出端 交流耦合(30P)送到SECAM解碼電路
31 5 1H基帶延遲線電路5V電源電壓輸入端
32 8.3 內藏1H基帶延遲線的升壓電路(泵電源)輸出端 外接自舉電容
33 0 1H延遲線及偏轉信號處理電路接地端
34 2.4 SECAM解碼B-Y信號輸入端 不用時經0.01uF接地
35 2.4 SECAM解碼R-Y信號輸入端 不用時經0.01uF接地
36 0 色副載波恢復VCO低通濾波電容外接端
37 2.3 SECAM電路接口端 此腳不用時,需經10K接地
38 2.8 4.43MHz晶振
39 3.5 色副載波VCO電路PLL環路低通濾波器外接端
40 2.2 內置視頻選擇開關選擇CVBS信號輸出端
41 0 視頻、色度、偏轉電路接地端
42 2.5 外視頻信號或Y信號輸入端
43 5 視頻、色度、偏轉電路電源
44 2.7 內視頻信號或外(AV)色度信號C輸入端
45 3.1 黑電平擴展濾波電容
46 2.4 TV視頻信號輸出端
47 3.6 圖像中頻載波(38MHz)VCO、PLL環路濾波器外接端
48 0 圖像中頻載波恢復VCO振盪電路外接端1
49 4.2 圖像中頻載波恢復VCO振盪電路外接端2
50 2.4 VCO濾波器外接端 推薦用0.1uF
51 2.2 外(AV)音頻信號輸入端
52 1.9 第二伴音中頻信號輸出端
53 2.1 伴音解調APC低通濾波器外接端
54 3.1 第二伴音中頻信號(4.5~6.5MHz)輸入端
調試步驟
1. 電源調整
(1) 數字電壓表接在 B1 電壓輸出端;
(2) 調節電位器 VR631 ,使 B1 輸出的直流電壓為 115V ± 0.2V 。
2. 中放調整
(1) 電平為 60dB 的 38MHZ 中頻電視信號由調諧器的中頻輸出端 (T/A 端 ) 輸入;
(2) 示波器測量探頭接在 C244 正端,輸入靈敏度設定在 1V/div ;輸入耦合設定在 DC 。
(3) 調節 L201 ,使 T/B 端的電壓為 3.6V ± 0.1V 。
3.AGC 調整
(1) 數字電壓表接到調諧器 AGC 控制端 C205 正端;
(2) 天線端輸入電平為 60dB 的 PAL 制射頻信號;
(3) 進入 MENU3 主選單,選擇 RF .AGC 項,調整數據使數字電壓表顯示在 3.6V ± 0.05V 範圍之內。
(4) 輸入信號衰減 3DB ,確認 AGC 電壓回到最大值。否則重複 (2) 、 (3) 步驟;
(5) 輸入信號強度增加到 70~90dB ,不出現信號阻塞。
4. 聚焦極、簾柵極與白平衡調整
(1) 調試前整機預熱 5 分鐘以上;
(2) 輸入黑白測試卡,信號強度為 70~80dB ,調節聚焦電位器,使圖象聚焦最佳。
(3) 進入 MENU2 ,選擇 V.KILL ,按住“ VOL+ ”鍵不放,使螢幕出現一條水平亮線;
(4) 調節簾柵電位器,使某種顏色的水平亮線剛剛出現,然後放開“ VOL+ ”鍵;
(5) 選擇 R.B 、 G.B 和 B.B 調整暗平衡,選擇 R.D 、 G.D 和 B.D 調整亮平衡。
5. 行中心調整
進入 MENU1 ,選擇 H. PHASE 項,調整數據使左右兩端重顯率相同 ( 圖象處於水平中心 ) 。
6. 場線性、場 S 校正、場中心及場幅度調整
(1) 選擇 V. LINE 項,調整數據使圖象上下線性相同;
(2) 選擇 V. SC 項,調整數據使圖象中部與上下兩端的線性一樣;
(3) 選擇 V. PDS 項,調整圖象上下的重顯率相同;
(4) 選擇 V. SIZE 項,將上下重顯率調得與左右重顯率相同。
用戶遙控器進入工廠模式方法:
1. 按一下 回看鍵,然後按住 本控板V- 鍵,再按“ 回看”鍵,進入 FACTORY 級選單
2. 按一下“回看”鍵,然後按住 V- 鍵不放,再按“回看”鍵,進入下一級選單 B/W BALANCE
3. 重複( 2 )中操作將依次進入 ADJUST 級選單, SET UP 級選單,然後按“ P+ ”、“ P- ”,進行數據項目調整,“ V+ ”、“ V- ”鍵進行數據數值調整。
調整完後,再按一下“回看”鍵,然後按住本控板 V- 鍵不放,再按“回看”鍵將退出工廠模式狀態。
| 序號 | 調試數據 | 初始值 | 釋 義 |
| B/W BANLANCE | |||
| 1 | C. B/W | 0 | 調試信號 |
| 2 | B-DRV | 63 | 藍驅動 |
| 3 | G-DRV | 7 | 綠驅動 |
| 4 | R-DRV | 63 | 紅驅動 |
| 5 | B-BIA | 100 | 藍截止 |
| 6 | G-BIA | 120 | 綠截止 |
| 7 | R-BIA | 100 | 紅截止 |
| 8 | S-BIA | 25 | 副亮度 |
| ADJUST | |||
| 1 | H.PHASE | 6 | 行相位(中心) |
| 2 | NT.H.PHASE | +04 | 60Hz 信號行相位 |
| 3 | H.BLK.LEFT | 6 | 行左消隱 |
| 4 | H.BLK.RIGHT | 3 | 行右消隱 |
| 5 | V.SIZE | 103 | 場幅度 |
| 6 | V.LINE | 16 | 場線形 |
| 7 | V.POSI | 40 | 場中心 |
| 8 | V. SC | 0 | 場 S 形校正 |
| 9 | NT.V.SIZE | -02 | 60Hz 場幅度 |
| 10 | NT.V.LINE | 00 | 60Hz 場線形 |
| 11 | NT.V.POSI | +18 | 60Hz 場中心 |
| 12 | NT.V. SC | 00 | 60Hz 場 S 形校正 |
| 13 | RF.AGC | 23 | 高頻 AGC |
| 14 | VOL.OUT | 105 | 音量輸出 |
| 15 | SUB.CONT | 30 | 副對比度 |
| 16 | SUB.COLOR | 35 | 副色度 |
| 17 | SUB.SHARP | 10 | 副銳度 |
| 18 | SUB.TINT | 32 | 副色調 |
| 19 | OSD.CONT | 63 | 屏顯對比度 |
| 20 | OSD H.POSI. | 0 | 屏顯行位置 |
| 21 | OSD V.POSI. | 19 | 屏顯場位置 |
| 22 | FLAG H-POSI. | 74 | 工廠標誌行位置 |
| 23 | FLASG V-POSI. | 31 | 工廠標誌場位置 |
| SETUP | |||
| 1 | BLK.STR.DEF | 0 | 黑電平延伸開關 |
| 2 | AFC GAIN | 1 | AFC 增益開關 |
| 3 | V.SEPUP | 1 | 場同步分離靈敏度 |
| 4 | CD.MODE | 0 | |
| 5 | DIGTAL OSD | 1 | 數字 OSD |
| 6 | GRAYMOD | 0 | |
| 7 | B.GAM.SEL | 3 | |
| 8 | RG.GAM.DEF | 1 | |
| 9 | BRGHT ABL. TH | 0 | |
| 10 | EMG.ABL.DEF | 0 | |
| 11 | BRT.ABL.DEF | 0 | |
| 12 | MID.STP.DEF | 0 | |
| 13 | R-Y/B-Y G. BL | 8 | |
| 14 | R-Y/B-Y ANG. | 8 | |
| 15 | SECAM B-Y DC | 8 | |
| 16 | SECAM R-Y DC | 8 | |
| 17 | C.KILL.OFF | 0 | |
| 18 | SND.TRAP | 4 | |
| 19 | VOL.FIL | 1 | |
| 20 | VIF.SYS.SW | 0 | 中頻制式開關 |
| 21 | VIDEO.LEVEL | 7 | 輸出視頻級別 |
| 22 | FM.LEVEL | 20 | |
| 23 | POWER OPTION | 1 | 冷開機狀態模式 |
| 24 | SCREEN OPTION | 3 | 拉幕模式 |
| 25 | SEARCH CHECK | 1 | 無信號開機自動搜台開關 |
| 26 | BAND OPTION | 0 | 波段特性 |
| 27 | CHANNEL MAX | 218 | 存儲頻道數 |
| 28 | AV OPTION | 3 | 共有 X 路 AV 輸入 |
| 29 | STEREO OPT | 1 | 立體聲模式 |
| 30 | STEREO IC | 0 | 是否帶有立體聲積體電路 |
| 31 | WOOF VOL.OPT | 0 | 重低音模式開關 |
| 32 | SIF M/N | 1 | M/N 制開關 |
| 33 | SIF B/G | 1 | B/G 制開關 |
| 34 | SIF I | 1 | I 制開關 |
| 35 | SIF D/K | 1 | D/K 制開關 |
| 36 | SECAM OPTION | 0 | SECAM 制開關 |
| 37 | LOGO OPTION | 1 | 工廠標誌開關 |
| 38 | OSD LANGUAGE | 2 | 屏顯語言開關 |
| 39 | LNA OPTION | 0 | 超強接收開關 |
| 40 | GAME OPTION | 2 | 遊戲模式開關 |
| 41 | V.MUTE OFF | 1 | 關機是否切斷視頻信號 |
| 42 | CALENDAR | 1 | 是否選用日曆功能 |
| 43 | BLUE/BLANK | 1 | 無信號藍屏 / 黑屏開關 |
| 44 | POWER ON LOGO | 1 | 開機有無工廠標誌開關 |

