相控觸發電路
觸發滯后角是上述變流器中晶閘管開始承受正向阻斷電壓到門極觸發脈衝間的電角度。改變觸發滯后角可以改變可控整流器和交流調壓器的輸出電壓,也可以改變有源逆變器的回饋功率。按一定的規律控制觸發滯后角,還可以調節直接降頻器的輸出頻率和電壓。相控觸發電路的脈衝輸出器一般由脈衝放大器和脈衝變壓器組成。放大器將移相器輸出的脈衝信號放大為功率足夠的門極觸發脈衝。脈衝變壓器完成主電路和控制電路之間的電位隔離。並將觸發脈衝傳送到晶閘管的門極。為了減小脈衝變壓器的體積,常將觸發脈衝調製為一列窄脈衝。基本要求與工作原理 對相控觸發電路的基本要求是:①觸發信號必須保持與主電路的電源頻率同步,並保持一定的相位關係;②觸發信號應能在一定的範圍內移相;③多相變流器中各路觸發信號的觸發滯后角要一致;④觸發器應有足夠的輸出功率使晶閘管快速導通。
圖1是相控式觸發電路。同步信號發生器產生一個與交流電源電壓之間有固定相位關係的同步信號,同步信號有方波脈衝、鋸齒波等。按照控制信號的要求,移相器相對於同步信號移相後產生觸發信號,觸發信號經脈衝輸出器放大和隔離後送到晶閘管門極觸發晶閘管。
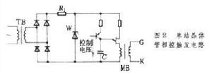
圖2是單結電晶體相控觸發電路。電源電壓經變壓器TB降壓後用二極體全波整流,經R1、W削波後形成梯形波同步信號。當電源電壓過零時,梯形波開始上升。梯形波上升後,電容C的電壓也從零開始上升,上升的斜率決定於控制電壓。當電容電壓達到單結電晶體的峰點電壓時,單結電晶體導通,經脈衝變壓器MB給晶閘管門極一個觸發脈衝。改變控制電壓即可改變觸發滯后角。 分類 相控式觸發電路的形式很多。按相數可分為單相、三相和多相觸發電路;按移相器的工作原理可分為水平控制、垂直控制和積分控制;按移相通道數可分為單通道、三通道和多通道;按觸發電路的實現方法可分為模擬和數字觸發電路。較常用的相控觸發電路有以下4種。
①多通道相控觸發電路:特點是多相變流器中各晶閘管觸發電路的移相電路彼此獨立,由同一控制信號進行相位控制。它的優點是電路簡單,通用性強,觸發角變化快速性好;缺點是各晶閘管的觸發脈衝對稱性較差。它的移相器可採用垂直控制、水平控制或積分控制進行移相。在垂直控制相控觸發電路中,同步信號發生器產生鋸齒波或正弦波同步移相電壓,移相器將同步移相電壓和控制電壓進行比較,在兩電壓的交點上產生觸發信號,改變控制電壓的大小即可改變觸發滯后角。與水平控制和積分控制相比,垂直控制的多通道相控式觸發電路的各個觸發脈衝的對稱性最好,常被用於大中型變流裝置中。垂直控制的移相器用RC移相的方法,控制正弦波門極觸發電壓過零的時間沿水平軸移動,從而改變觸發滯后角。水平控制的相控觸發器因門極觸發脈衝對稱性差,且觸發強度不高,一般僅用於小功率特別是單相小功率變流器中。積分控制的移相器包括一個積分器和一個比較器。當同步脈衝到來後,積分器開始積分,積分的斜率決定於控制電壓。當積分器輸出電壓等於一個恆定的比較電壓,比較器翻轉,輸出一個觸發脈衝。改變控制電壓即可改變觸發滯后角。
②單通道相控觸發電路:特點是多相變流器的觸發電路僅用同一個移相電路完成各相控制脈衝移相。因各相輸出脈衝的移相通道相同,消除了各通道特性上差異的影響。輸出脈衝的對稱度較高,某些單通道電路輸出脈衝的不對稱度只有0.2°。單通道相控觸發電路的控制電路較複雜,在移相器之後、脈衝輸出器之前要用脈衝分配器進行脈衝分配。單通道相控觸發電路不但可以用於可控整流器、有源逆變器、周波變流器和交流調壓器,而且可以用於無源逆變器。
③三通道相控觸發電路:特點是三相變流器中的每相的一對晶閘管觸發電路的移相電路公用。它的輸出脈衝對稱度較好,結構簡單,能確保每一相的兩隻晶閘管的觸發脈衝互差180°,從而可以消除平衡電抗器和整流變壓器的直流磁化。三通道電路的移相器之後也要有脈衝分配器, 但與單通道電路相比,它的脈衝分配器大為簡化。
④數字式移相觸發電路:由計數器和其他一些邏輯電路組成。當同步電壓過零時,開始用某一頻率的計數脈衝對計數器計數。當計入數與計數器的預置數相等時,觸發電路就輸出一個觸發脈衝。根據不同的控制電壓,改變計數脈衝的頻率或改變預置數,即可改變觸發滯后角。數字式移相觸發電路的優點是控制精度高,溫度特性好,輸出脈衝的不對稱度小。80年代末得到越來越廣泛的套用。特別是利用單板機或單片機構成的變流器的直接數字控制系統,充分發揮了微機的功能,不但具有同步認相、移相控制和向晶閘管門極輸出觸發信號的數字觸發器功能,還同時具有起動、停止、電流調節、保護等系統的功能。將相控觸發電路的重要基本單元集成在一塊單晶半導體上,可形成體積小、功耗低、調試方便、性能穩定可靠的集成式相控觸發器。如西門子公司生產的TCA785單片集成相位控制觸發器。中國也於1977年研製成功KC型單片集成移相觸發電路,並已形成了KC系列單片集成晶閘管觸發器,有10餘個品種。

