概述
人類Y染色體DNA單倍型類群(Human Y-chromosome DNA haplogroups),是利用Y染色體遺傳變異特性進行人類學研究的一門科學,主要用於研究人類的“非洲起源論”及以後的種群分布的遺傳學證據。人類基因組,又稱人類基因體,是智慧人種的基因組,由24條染色體組成,其中包括22條體染色體、1條X染色體和1條Y染色體。人類基因組含有約30億個DNA鹼基對,鹼基對是以氫鍵相結合的兩個含氮鹼基,以胸腺嘧啶(A)、腺嘌呤(T)、胞嘧啶(C)和鳥嘌呤(G)四種鹼基排列成鹼基序列,其中一部分的鹼基對組成了大約20000到25000個基因。
原理
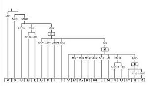
Y染色體譜系樹人類有23對46條染色體,其中22對44條為常染色體,另外一對為性染色體,XY組合的為男性,XX組合的為女性。Y染色體只能父子相傳,所以研究Y染色體,可以發現人群在父系關係上的遷徙和發展。
右邊的人類Y染色體譜系樹是根據Y染色體單倍型類群的不同把全部現代智人分為18個類型,用從A到R的十八個字母作為索引。譜系樹中的父節點代表的對應基因突變是所有子節點共有的,但反之不然。
說明
公元1500年世界人群分布的Y染色體單倍型類群圖按此譜系樹,現今所有人類的Y染色體單倍型類群的根都能在非洲找到。A=M91和B=M60也是非洲居民的特徵。而出走到非洲以外的居民後裔,包括棕色人種、蒙古人種(黃色人種)和高加索人種(白色人種),其Y染色體上都帶有M168的突變點。
此後在M168突變的基礎上,又分別產生了C=M130、DE=YAP和F=M89三個子類型,其中DE=YAP分為D=M174和E=M96兩種;DE=YAP又被稱為小黑矮人(pigmy Negroid)基因,和C=M130幾乎同時走出非洲。現在DE=YAP主要分布在印度安達曼群島的安達曼人(達100%)、藏族(58%)、土家族、彝族、瑤族、日本(34.7%)、朝鮮、滿族、緬甸人、克欽人。在漢族人中,D=YAP出現的頻率小於1%。F=M89則是所有其他人群共有的,現今大概全世界80%以上的人都有這個變異點。
在F=M89的基礎上,又產生G=M201、H=M52、I=M170、J=M304和K=M9=K*幾個子類型,其中K=M9是最重要的一個子類型,亞歐大陸上除西亞和西伯利亞地區,其絕大部分民族都共有這個變異點,現今中國漢族中,96%的人都是K=M9類型。
在K=M9的基礎上,又產生了K1=M177、K2=M70、K3=M147、K4=M230、L=M11、M=M4、NO=M214、P=M45=P*幾個子類型,其中NO=M214又分為N=M231和O=M175兩個子類,N=M231主要分布在烏拉爾山兩側、北歐北部、東歐北部和北極圈內的愛斯基摩人,而O=M175主要分布在東亞、東南亞、北亞東部、部分太平洋島嶼,現今中國漢族的主要類型就是O=M175。
在P=M45的基礎上,又產生了Q=P36和R=M207兩個子類,其中R=M207分為R1a=M17和R1b=M173兩個子類。Q=P36包括美洲土著印地安人;R1a=M17包括西亞的伊朗、南亞的印度;而整個R=M173類型被認為古雅利安人的基因,分布在歐洲大部和西亞、南亞。
走出非洲實例分析
推測C=M130的遷徙路線推測棕色人種C=M130的遷徙路線
C=M130的遷徙路線大致是沿著海岸走過阿拉伯半島—伊朗—印度—中南半島,此後一支C1=M8向北進入中國東北、朝鮮半島和日本列島;一支C2=M38向南進入印尼、澳大利亞以致太平洋諸島;第三支C3=M217向北進入西伯利亞直到北美地區。
今天C=M130主要分布在印度南部、北亞東部、日本、北美西部、澳大利亞、太平洋諸島。日本的阿伊努人90%以上是C1=M8,其他現代日本人中有6.5%的C1=M8,朝鮮人、滿族人和阿穆爾人中也有一定數量的C1=M8;C2=M38主要分布在澳大利亞和太平洋諸島嶼;C3=M217主要包括外蒙古地區,有58%,還有哈薩克人、吉爾吉斯人、布里亞特蒙古人比例都在60%以上;C=M130的其他類型還有C4、C5,主要分布在南印度地區,在當地人群中能達到20%。而在現代漢族人中,C=M130的比例小於3%。
推測棕色人種的分布變遷A圖:棕色人種大約10萬年前走出非洲,至少在5萬年之前已經來到東南亞;尚未分化的黃+白人群F=M89則是大約五萬年前的時候開始走出非洲向東遷徙;
B圖:大約4萬年前,棕色人種已散布於東北亞到澳洲的廣大地區,而黃+白人群F=M89則進入了東南亞,路徑最可能是中亞經過印度進入東南亞地區;
C圖:大約3萬年前,黃+白人群F=M89在東南亞、印度尼西亞次大陸和中國南方進一步擴張,而棕色人種此時沒有停頓下來,也在繼續相對緩慢擴散,可能有一部分已經到達美洲。F=M89人群擴散速度則相對較快,侵占了擴散較慢的棕色人種的分布地區;
D圖:大約2年前,黃+白人群F=M89擴散到了整個東亞和東南亞地區,使該地區的棕色人種,除了高山和高寒地區、海島地區外,都已經消失,北亞地區的棕色人種主體也被黃色人種大部分融合,成為黃種人;
E圖:大約1萬年前,黃種人進入美洲,並成為美洲的主宰;
F圖:在幾千年時間內,黃種人向中亞、北歐、印度洋和太平洋諸島擴張,東亞最偏遠地區(高山和海島隔絕地區)的棕色人種也漸漸與黃種人融合,但印度洋上的安達曼群島、馬來群島部分地區、澳大利亞還保存了棕色人種的基因。玻利尼西亞人都是黃棕混合的過渡類型,部分地區,黃色人種的成分略占優勢,如湯加(82%是O=M175,比現代日本人還高),毛利人。另一支黃色人種則越過烏拉爾山,進入了北歐和東歐,在烏拉爾語系和斯拉夫語族中廣泛分布他們的Y染色體(N=M214)。
