產品信息

SHR-650D水泥水化熱測定儀(溶解熱法) |
|---|
名 稱:水泥水化熱測定儀(溶解熱法) |
型 號:SHR-650D 型 |
出 廠 價:36800元 |
瀏 覽 量: 3118 次 |
相關資料產:產品符合GB/T 12959標準要求 |
- 分類標籤:水泥水化熱測定儀 水泥水化熱 水泥溶解儀
- 產品簡介:SHR-650D水泥水化熱測定儀(溶解熱法)主要用於測定水泥水化前後,在一定濃度的標準酸中的溶解熱以二者之差來確定水泥在任何齡期的水泥水化熱。
- 價格說明:SHR-650D水泥水化熱測定儀(溶解熱法) 市場價格:36800元
標準要求
- 產品符合GB/T 12959標準要求。
技術參數
真空瓶容積 | 650ml |
真空瓶內徑 | 75㎜ |
真空瓶深度 | 160㎜ |
貝克曼溫度計示差範圍 | 5~6℃ |
分格格 | 0.01℃ |
水槽溫度 | 20℃±0.1℃ |
電源、功率 | 2500W/ AC220V/50Hz |
淨重 | 130kg |
包裝尺寸 | 82×79×89cm |
毛重/淨重 | 130kg |
電壓功率 | 220V/500W |
用途及原理
SHR-650D水泥水化熱測定儀(溶解熱法)是根據國標GB/T12959-2008《水泥水化熱測定方法》中的有關規定設計的。適用於中熱矽酸鹽水泥、低熱礦渣矽酸鹽水泥、普通矽酸鹽水泥、礦渣矽酸鹽水泥、火山灰矽酸鹽水泥、粉煤灰矽酸鹽水泥等的任何水化齡期的水化熱測定。其他水泥品種當指定採用溶解熱法測定水化熱時也可使用本儀器。溶解熱法測定水化熱是依據熱化學的蓋斯定律,即化學反應的熱效應只與體系的初態和終態有關而與反應的途徑無關提出的。它是在熱量計周圍溫度一定的條件下,用未水化的水泥與水化一定齡期的水泥分別在一定濃度的標準酸中溶解,測得溶解熱之差,即為該水泥在規定齡期內所放出的水化熱。
結構
650D型產品是根據650Ⅱ型產品改進而成,增加了外置恆溫水槽、攪拌水泵等設施,比650Ⅱ型效率更高。它主要由以下部分構成:
恆溫水槽部分:
恆溫水槽是一隻深約30cm,容積大約為60升的容器,槽內裝有放置試驗內筒的筒座,附有一根控制水槽水面高度的溢流管和一根放水管,在放水管口裝有放水閥。
恆溫水槽安置在殼體內,與外置恆溫機通過水泵和管道連線,預先設定好工作溫度後,當恆溫水槽內的水溫高於20℃時,通過內外水的交換,使水槽內水溫達到恆溫。外置恆溫機同時也能對電機冷卻水套供水。當水溫低於20℃時,加熱管開始工作,以提升水溫。水槽底部有隔熱性能良好的隔熱層,上部裝有蓋板。
試驗內筒部分:
試驗內筒由筒體、筒蓋、泡沫塑膠隔熱套、真空瓶、貝克曼差示溫度計和加料漏斗等組成。試驗內筒可沿著筒座上的滑槽上下移動,移至最下面位置時將試驗內筒轉動一個角度,即可將其固定在該位置上。筒座上方有3個定位塊,可用來精確地調整試驗內筒的位置(儀器出廠時已調試好,一般不需改動)。筒體、筒蓋、筒座均用不鏽鋼材料製成。筒體內放置隔熱套和真空瓶,真空瓶內有耐酸內襯,內襯用於盛放試驗用酸液,內襯清洗後重複使用。真空瓶及內襯用固定在筒蓋下面的軟木瓶塞封閉隔熱。瓶塞上有3個孔,分別插入貝克曼溫度計、酸液攪拌棒和加料漏斗。筒體和筒蓋間用O形密封圈密封,擰緊筒蓋上的蝶形螺母后可保證水槽內的水不滲入筒內。
動力部分:
動力部分的每個攪拌頭內部都由電機、電機套、橫樑、大小皮帶輪、冷卻管、水槽攪拌棒、酸液攪拌棒、主軸、夾頭、同步皮帶等組成。
電機套固定在水槽部分蓋板上,電機裝在電機套內腔,上部裝有小皮帶輪,橫樑套在電機套外圈,可繞電機軸線轉動以調整攪拌棒位置。調整後,轉動橫樑上的鎖緊手柄可鎖定橫樑位置。橫樑的另一端的主軸孔內裝有軸承和主軸套,主軸套內有一根能上下移動的主軸,通過調節軸上的固定螺釘可上下移動主軸,即可調節攪拌棒在真空瓶內的高低位置。主軸下端裝有夾頭,酸液攪拌棒在真空瓶內穿過筒蓋的孔夾緊在夾頭上。主軸套上端裝有大皮帶輪,由同步帶帶動。電機周圍有冷卻管加以冷卻。
控制部分
控制部分由控制儀、溫度感測器和加熱管組成。加熱管安裝在恆溫水槽內,溫度感測器插在水槽蓋板上的插孔里。控制儀上有溫度顯示,出廠時已調整到20℃±0.1℃上,用戶一般不需調整。控制儀上有控制左右頭的水槽攪拌棒和酸液攪拌棒轉動的開關,可根據需要分別予以開關。
安裝和使用
儀器必須安放在溫度為20±1℃的恆溫室內並放置在水平的工作檯上,台上墊4~5mm橡膠板。用軟膠管或塑膠管將儀器後側的接管進出水口與外置恆溫機連線好。將溢流管、放水管接入下水道。關閉放水閥。檢查各管道是否暢通。向水槽內加水至溢流管出水為止。
在試驗開始時,應將試驗內筒從水槽內提升至水面以上位置固定好,打開試驗內筒筒蓋,將真空瓶、耐酸內襯、酸液攪拌棒放入內筒,將試驗筒蓋蓋好,並擰緊蝶形螺母,密封筒蓋,再將內筒慢慢沉入水中固定。
將溫度感測器插入水槽蓋板上的插孔內並聯接到控制儀,將其它各外掛程式聯接到控制儀相應插口。接通電源,檢查接地是否可靠,打開控制儀電源開關。
設定好恆溫機組工作溫度為20±0.1℃,啟動恆溫機組。打開水泵,當水槽內水溫高於20.1℃時,冷卻水泵會輸送冷水與水槽內的水交換,待溫度略底於20℃時即停止,系統會自動將水溫保持恆溫。
鬆開橫樑上的鎖緊手柄,將橫樑轉到使主軸與酸液攪拌棒在同一軸線上的位置,鬆開夾頭,將攪拌棒向上提升裝入夾頭內,調整好酸液攪拌棒的高度位置後擰緊夾頭,微調橫樑轉角,使酸液攪拌棒與筒蓋上的孔同心,鎖緊橫樑上的鎖緊手柄。裝好貝克曼差示溫度計和裝料漏斗。
試驗按國標GB/T12959-2008《水泥水化熱測定方法(溶解熱法)》中的有關規定步驟完成操作。
試驗完成後,首先逐一關閉各部動作,再關掉總電源開關。拔下電源插頭,再依次取出貝克曼差示溫度計、裝料漏斗、酸液攪拌棒、耐酸內襯等,清洗乾淨後妥善保存以備後用。試驗內筒蓋好後放置在筒座下面位置,蓋好水槽活動蓋板。關閉恆溫機組。
注意事項
禁止在水槽內沒有加水的情況下接通電源,進行操作,以防意外。向水槽內加水前應先將試驗內筒的筒蓋蓋好密封,並移至筒座底部的位置放好,防止加滿水後再放入試驗內筒時,溢流管來不及排水,大量的水從水槽上面外溢。
從主軸夾頭上裝卸酸液攪拌棒時應小心操作,防止酸液攪拌棒從高處跌落至真空瓶內,損壞真空瓶。
貝克曼溫度計插入酸液部分及軟木瓶塞表面應均勻塗覆石蠟等防酸塗料,試驗前應仔細檢查防酸塗層是否完好。
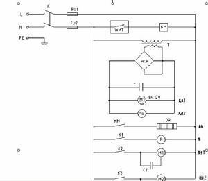
電氣原理圖


附錄一 貝克曼溫度計補充使用說明
此補充使用說明可用以幫助理解貝克曼溫度計生產廠編寫的使用說明書及國家標準中關於貝克曼溫度計調零點的敘述,供試驗人員參考使用。
貝克曼溫度計結構圖示

3、貝克曼溫度計副標度讀法:輕輕倒轉貝克曼溫度計(感溫泡向上),使備用泡內的水銀集中在左邊單側玻璃管內,使用10倍左右的放大鏡,可以讀至0.1℃精度的副標度溫度(每格示值2℃)。注意:1.倒轉貝克曼溫度計讀數時應確保毛細管內水銀不流入備用泡。2. 倒轉貝克曼溫度計動作要輕,避免備用泡內水銀落入毛細管。
4、水泥水化熱試驗前,應按國家標準GB/T12959規定對貝克曼溫度計進行調零。方法如下:
4.1、首先應控制試驗環境溫度,使其保持在20±1℃之內,在開始調零至試驗結束均應保持此溫度,並儘量減少溫度波動範圍。
4.2、所謂調零實際是指在試驗環境溫度下(如20.5℃),通過調整感溫泡和備用泡內的水銀量的分配比例(即水銀量的調整,詳見貝克曼溫度計生產廠的說明書),使貝克曼溫度計主標度值(即水銀柱讀數)保持在主標度上0℃附近的某一處,記下此微小讀數,(儘量精確,如0.015℃,以便使可測量溫度範圍擴大),同時記錄下副標度上的讀數(20.5℃試驗環境下讀數一般在14.5℃左右)。
4.3、國家標準GB/T12959中所指貝氏溫度計0℃時相應的攝氏溫度,及國家標準GB/T12959附錄表中所指貝氏溫度計等於普通溫度計的溫度P,即為以上4.2條目中主標度及副標度上兩個讀數之和。例如,0.015℃+14.5℃=14.515℃,記錄下此值,即P=14.515。以後在計算水化儀的熱容量C時會用到此值。(Ta=Qa+P)。

1. 恆溫水槽2. 進出水管3. 水槽外殼 4. 保溫內筒 5. 杜瓦瓶 6. 筒蓋 7. 貝克曼溫度計 8. 攪棒夾頭 9. 加料漏斗 10. 加熱管 11. 溫度感測器 12. 循環水泵 13. 循環水管接口 14. 循環水管 15. 酸液攪拌棒 16. 鎖緊手柄 17. 瓶村套 18. 電氣控制箱 19. 恆溫水
水化熱附圖
