概述
NFP-KC-3可控矽觸發器,是由常州雙誠熱工儀表廠採用獨特的同步技術設計,不需外接同步變壓器,接線簡便.適用於單相
公司簡介
雙誠儀表主要產品,常州雙誠熱工儀表廠(簡稱“雙誠儀表”)是以常州悠久的溫度
面板說明
1:POW-電源指示燈
2:MAN--手動狀態指示燈
3:AUTO—自動狀態指示燈
4:手/自動轉換開關(撥向左邊時,可控矽觸發器處於手動狀態:
撥右邊時,可控矽觸發器處於外來信號自動控制狀態)
5:輸出指示光柱
6:調節旋鈕(在自動狀態下用於限幅,如不需要限幅調至最大)
常州雙誠熱工儀表廠研發的產品NFP-KC-3可控矽觸發器質量穩定性能優越
接線方式
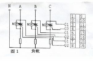
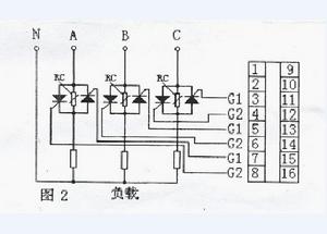
SC-NFP-KC-3型可觸發≤800A的雙向可控矽(圖1)或者六個兩兩反並聯的單向可控矽(圖2),適用於主迴路”Y”接法,中心點接線為零線的控制方式,觸發器的輸出沒有極性,沒有相序要求,觸發雙向可控矽時,接一陽極(A1)和觸發極(G);觸發兩個單向反向並聯可控矽時,接兩個觸發極(G1,G2),確認接線無誤後,可先試三個100W左右的同功率白熾燈為假負載進行調試,將觸發器的手/自動轉換開關置於手動位置,通電後調整電位器,觀察三個白熾燈的亮度變化情況。![]() | ![]() |
技術參數
反饋輸入規格 | 0~5V 0~8V 0~10V | 觸發容量 | ≦800A的可控矽(訂貨可加大) |
軟啟動時間: | 30S 60S | 電源電壓 | 85-260V AC\DC |
外形尺寸 | 96×96mm 48×96mm | 功耗 | ≦3瓦 |
開孔尺寸 | 92×92mm 45×92mm |


