D341W蝸輪通風蝶閥主要性能
適用介質:空氣,含塵煙氣
電源(電壓):三相380V、AC,氣源氣壓:0.4-0.6MPA
泄漏量:<1.5%
D341W蝸輪通風蝶閥主體材料
| 零件名稱 | 閥體 | 閥板 | 閥軸 |
| 材料 | 碳鋼 | 碳鋼 | 碳鋼,不鏽鋼 |
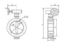
QD41W輕型通風蝶閥外形連線尺寸
D341W蝸輪通風蝶閥| DN | D | D1 | L | H | L2 | n-Фd | b |
| 300 | 405 | 370 | 120 | 716 | 220 | 8-12 | 10 |
| 350 | 455 | 420 | 140 | 786 | 240 | 8-14 | 10 |
| 400 | 505 | 470 | 140 | 924 | 270 | 12-18 | 10 |
| 450 | 570 | 530 | 160 | 999 | 295 | 12-18 | 10 |
| 500 | 620 | 580 | 160 | 1079 | 325 | 12-18 | 10 |
| 600 | 720 | 680 | 180 | 1140 | 380 | 16-18 | 12 |
| 700 | 820 | 780 | 180 | 1240 | 430 | 16-18 | 12 |
| 800 | 920 | 880 | 200 | 1350 | 490 | 16-18 | 12 |
| 900 | 1040 | 990 | 200 | 1450 | 540 | 16-18 | 14 |
| 1000 | 1140 | 1090 | 220 | 1550 | 590 | 20-18 | 14 |
| 1100 | 1240 | 1190 | 220 | 1800 | 640 | 20-18 | 14 |
| 1200 | 1340 | 1290 | 240 | 1900 | 690 | 20-18 | 14 |
| 1300 | 1440 | 1390 | 240 | 2020 | 760 | 20-18 | 16 |
| 1400 | 1540 | 1490 | 260 | 2120 | 810 | 24-18 | 16 |
| 1500 | 1640 | 1590 | 260 | 2220 | 860 | 24-18 | 16 |
| 1600 | 1740 | 1690 | 280 | 2390 | 980 | 24-18 | 16 |
| 1700 | 1840 | 1790 | 280 | 2590 | 1030 | 28-22 | 16 |
| 1800 | 1940 | 1890 | 300 | 2709 | 1096 | 28-22 | 16 |
| 1900 | 2040 | 1990 | 300 | 2826 | 1146 | 32-22 | 16 |
| 2000 | 2150 | 2090 | 320 | 2926 | 1196 | 32-26 | 16 |
| 2200 | 2360 | 2300 | 340 | 3126 | 1296 | 36-26 | 16 |
| 2400 | 2560 | 2500 | 360 | 3326 | 1396 | 36-26 | 18 |
| 2600 | 2760 | 2700 | 380 | 3526 | 1496 | 40-26 | 18 |
| 2800 | 2960 | 2900 | 400 | 3726 | 1596 | 40-26 | 18 |
| 3000 | 3190 | 3110 | 400 | 4098 | 1698 | 44-30 | 18 |
| 3200 | 3390 | 3310 | 440 | 4338 | 1798 | 44-30 | 20 |
| 3400 | 3590 | 3510 | 440 | 4578 | 1898 | 48-30 | 20 |
| 3600 | 3790 | 3710 | 480 | 4780 | 1998 | 48-30 | 20 |
| 3800 | 4000 | 3910 | 480 | 5000 | 2098 | 52-30 | 22 |
| 4000 | 4210 | 4120 | 520 | 5200 | 2210 | 52-30 | 22 |

