引腳組成及功能
組成
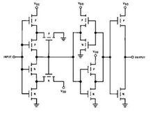
CD40106由六個施密特觸發器電路組成。每個電路均為在兩輸入端具有施密特觸發器功能的反相器。觸發器在信號的上升和下降沿的不同點開、關。上升電壓(V T+)和下降電壓(V T-)之差定義為滯後電壓。
引腳功能
2 4 6 8 10 12 數據輸出端
1 3 5 9 11 13 數據輸入端
14 電源正
7 接地
內部框圖
CD40106內部圖CD40106內部圖如右圖所示
性能參數及套用
絕對最大額定值
絕對最大額定值絕對最大額定值如右圖所示
建議操作條件
建議操作條件CD40106建議操作條件如右圖表格所示
直流電氣特性
直流電氣特性對於直流電氣特性右邊三張表格做了詳細介紹。
直流電氣特性
直流電氣特性套用
典型套用電路
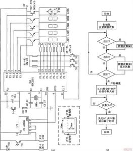
CD40106的套用電路如圖所示以及計算公式,另外還有切換時間波形。
典型套用電路切換時間波形
切換時間波形
