簡介
霍爾效應霍爾效應是磁電效應的一種,這一現象是霍爾於1879年在研究金屬的導電機構時發現的。後來發現半導體、導電流體等也有這種效應,而半導體的霍爾效應比金屬強得多,利用這現象製成的各種霍爾元件,廣泛地套用於工業自動化技術、檢測技術及信息處理等方面。
霍爾效應是研究半導體材料性能的基本方法。通過霍爾效應實驗測定的霍爾係數,能夠判斷半導體材料的導電類型、載流子濃度及載流子遷移率等重要參數。流體中的霍爾效應是研究“磁流體發電”的理論基礎解釋
發現
霍爾效應在1879年被物理學家霍爾發現,它定義了磁場和感應電壓之間的關係,這種效應和傳統的電磁感應完全不同。當電流通過一個位於磁場中的導體的時候,磁場會對導體中的電子產生一個垂直於電子運動方向上的的作用力,從而在垂直於導體與磁感線的兩個方向上產生電勢差。雖然這個效應多年前就已經被人們知道並理解,但基於霍爾效應的感測器在材料工藝獲得重大進展前並不實用,直到出現了高強度的恆定磁體和工作於小電壓輸出的信號調節電路。根據設計和配置的不同,霍爾效應感測器可以作為開/關感測器或者線性感測器,廣泛套用於電力系統中。原理
霍爾效應從本質上講是運動的帶電粒子在磁場中受洛侖茲力作用而引起的偏轉。當帶電粒子(電子或空穴)被約束在固體材料中,這種偏轉就導致在垂直電流和磁場方向上產生正負電荷的聚積,從而形成附加的橫向電場,即霍爾電場EH。電流IS通過N型或P型霍爾元件,磁場B方向與電流IS方向垂直,且磁場方向由內向外,對於N型半導體及P型半導體,分別產生的方向如左圖和右圖的霍爾電場EH(據此,可以判斷霍爾元件的屬性——N型或P型)。
霍爾效應原理解釋
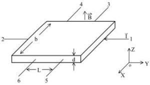
在半導體上外加與電流方向垂直的磁場,會使得半導體中的電子與空穴受到不同方向的洛倫茲力而在不同方向上聚集,在聚集起來的電子與空穴之間會產生電場,電場強度與洛倫茲力產生平衡之後,不再聚集,此時電場將會使後來的電子和空穴受到電場力的作用而平衡掉磁場對其產生的洛倫茲力,使得後來的電子和空穴能順利通過不會偏移,此稱為霍爾效應。而產生的內建電壓稱為霍爾電壓方便起見,假設導體為一個長方體,長寬高分別為a、b、d,磁場垂直ab平面。電流經過ad平面,電流I=nqv(ad),n為電荷密度。設霍爾電壓為VH,導體沿霍爾電壓方向的電場為VH/a。設磁場強度為B。
洛倫茲力
f=qE+qvB/c(Gauss單位制)
電荷在橫向受力為零時不在發生橫向偏轉,結果電流在磁場作用下在器件的兩個側面出現了穩定的異號電荷堆積從而形成橫向霍爾電場
E=-vB/c
由實驗可測出E=UH/W定義霍爾電阻為
RH=UH/I=EW/jW=E/j
j=qnv
RH=-vB/c/(qnv)=-B/(qnc)
UH=RHI=-BI/(qnc)
相關效應
量子霍爾效應熱霍爾效應:垂直磁場的導體會有溫度差。
Corbino效應:垂直磁場的薄圓碟會產生一個圓周方向的電流。
自鏇霍爾效應
量子反常霍爾效應
本質
電子-模型圖 固體材料中的載流子在外加磁場中運動時,因為受到洛侖茲力的作用而使軌跡發生偏移,並在材料兩側產生電荷積累,形成垂直於電流方向的電場,最終使載流子受到的洛侖茲力與電場斥力相平衡,從而在兩側建立起一個穩定的電勢差即霍爾電壓。正交電場和電流強度與磁場強度的乘積之比就是霍爾係數。平行電場和電流強度之比就是電阻率。大量的研究揭示:參加材料導電過程的不僅有帶負電的電子,還有帶正電的空穴。
副效應
在磁場中的霍爾元件(圖一)在產生霍爾電壓Vh的同時,還伴生有四種副效應,副效應產生的電壓疊加在霍爾電壓上,造成系統誤差。如圖一所示。
1、厄廷豪森(Etinghausen)效應引起的電勢差Ve。
由於電子實際上並非以同一速度v 沿X軸負向運動,速度大的電子迴轉半徑大,能較快地到達接點3的側面,從而導致3側面較4側面集中較多能量高的電子,結果3、4側面出現溫差,產生溫差電動勢Ve。容易理解Ve的正負與I和B的方向有關。
2、能斯特(Nernst)效應引起的電勢差Vn。
焊點1、2間接觸電阻可能不同,通電發熱程度不同,故1、2兩點間溫度可能不同,於是引起熱擴散電流。與霍爾效應類似,該熱流也會在3、4點間形成電勢差Vn。若只考慮接觸電阻的差異,則的方向僅與B的方向有關。
3、里紀——勒杜克(Righi—Leduc)效應產生的電勢差Ve。
在能斯特效應的熱擴散電流的載流子由於速度不同,一樣具有厄廷豪森效應,又會在3、4點間形成溫差電動勢Ve。Ve的正負僅與B的方向有關,而與I的方向無關。
4、不等電勢效應引起的電勢差Vo。
由於製造上困難及材料的不均勻性,3、4兩點實際上不可能在同一條等勢線上。因此,即使未加磁場,當I流過時,3、4兩點也會出現電勢差Vo。Vo的正負只與電流方向I有關,而與B的方向無關。
套用
霍爾效應根據霍爾電壓產生的公式,以及在外加磁場中測量的霍爾電壓可以判斷傳導載流子的極性與濃度,這種方式被廣泛的利用於半導體中摻雜載體的性質與濃度的測量上。
2、霍爾效應還能夠測量磁場在工業、國防和科學研究中,例如在粒子迴旋器、受控熱核反應、同位素分離、地球資源探測、地震預報和磁性材料研究等方面,經常要對磁場進行測量,測量磁場的方法主要有核磁共振法、霍爾效應法和感應法等。具體採用什麼方法,要由被測磁場的類型和強弱來確定。霍爾效應法具有結構簡單、探頭體積小、測量快和直接連續讀數等優點,特別適合於測量只有幾個毫米的磁極間的磁場,缺點是測量結果受溫度的影響較大。
3、磁流體發電從20世紀50年代末開始進行研究的磁流體發電技術,可能是今後取代火力發電的一個方向。其基本原理就是利用電漿的霍爾效應,即在橫向磁場作用下使通過磁場的電漿正、負帶電粒子分離後積聚於兩個極板形成電源電動勢。這種新型的高效發電方式,通過燃料燃燒發出的熱能使氣體變成電漿流而轉換成電能,無須像火力發電一樣,先將燃料燃燒釋放的熱能轉換成機械能以推動發電機輪轉動,再把機械能轉換成電能,這樣在提高了熱能利用效率的同時,也滿足了環保的要求。
4、電磁無損探傷霍爾效應無損探傷方法安全、可靠、實用,並能實現無速度影響檢測,因此,被套用在設備故障診斷、材料缺陷檢測之中。其探傷原理是建立在鐵磁性材料的高磁導率特性之上。採用霍爾元件檢測該泄漏磁場B的信號變化,可以有效地檢測出缺陷存在。鋼絲繩作為起重、運輸、提升及承載設備中的重要構件,被套用於礦山、運輸、建築、旅遊等行業,但由於使用環境惡劣,在它表面會產生斷絲、磨損等各種缺陷,所以,及時對鋼絲繩探傷檢測顯得尤為重要。目前,國內外公認的最可靠、最實用的方法就是漏磁檢測方法,根據這一檢測方法設計的斷絲探傷檢測裝置,如EMTC系列鋼絲繩無損檢測儀,其金屬截面積測量精度為±0.2%,一個捻距內斷絲有一根誤判時準確率>90%,性能良好,在生產中有著廣泛的用途。
發展狀況
霍爾效應被發現100多年以來,它的套用發展經歷了三個階段:第一階段:從霍爾效應的發現到20世紀40年代前期。最初由於金屬材料中的電子濃度很大而霍爾效應十分微弱所以沒有引起人們的重視。這段時期也有人利用霍爾效應製成磁場感測器,但實用價值不大,到了1910年有人用金屬鉍製成霍爾元件,作為磁場感測器。但是,由於當時未找到更合適的材料,研究處於停頓狀態。
第二階段:從20世紀40年代中期半導體技術出現之後,隨著半導體材料、製造工藝和技術的套用,出現了各種半導體霍爾元件,特別是鍺的採用推動了霍爾元件的發展,相繼出現了採用分立霍爾元件製造的各種磁場感測器。
第三階段;自20世紀60年代開始,,隨著積體電路技術的發展,出現了將霍爾半導體元件和相關的信號調節電路集成在一起的霍爾感測器。進入20世紀80年代,隨著大規模超大規模積體電路和微機械加工技術的進展,霍爾元件從平面向三維方向發展,出現了三連線埠或四連線埠固態霍爾感測器,實現了產品的系列化、加工的批量化、體積的微型化。霍爾積體電路出現以後,很快便得到了廣泛套用。
霍爾簡介
霍爾(1855~1938)美國著名物理學家,在美國霍普金斯大學念二年級研究生時,在研究了載流導體在磁場中受力的性質時發現了霍爾效應,它是電磁基本現象之一。突破
由清華大學薛其坤院士領銜,清華大學、中科院物理所和史丹福大學研究人員聯合組成的團隊在量子反常霍爾效應研究中取得重大突破,他們從實驗中首次觀測到量子反常霍爾效應,這是中國科學家從實驗中獨立觀測到的一個重要物理現象,也是物理學領域基礎研究的一項重要科學發現。
重要意義
整數量子霍爾效應:量子化電導e2/h被觀測到,為彈道輸運(ballistictransport)這一重要概念提供了實驗支持。分數量子霍爾效應:勞赫林與J·K·珍解釋了它的起源。兩人的工作揭示了渦鏇(vortex)和準粒子(quasi-particle)在凝聚態物理學中的重要性。
研究前景
整數量子霍爾效應的機制已經基本清楚,而仍有一些科學家,如馮·克利青和紐約州立大學石溪分校的V·J·Goldman,還在做一些分數量子效應的研究。一些理論學家指出分數量子霍爾效應中的某些平台可以構成非阿貝爾態(Non-AbelianStates),這可以成為搭建拓撲量子計算機的基礎。石墨烯中的量子霍爾效應與一般的量子霍爾行為大不相同,稱為異常量子霍爾效應(AnomalousQuantumHallEffect)。
此外,Hirsh、張守晟等提出自鏇量子霍爾效應的概念,與之相關的實驗正在吸引越來越多的關注。
中國科學家發現量子反常霍爾效應
《科學》雜誌線上發文,宣布中國科學家領銜的團隊首次在實驗上發現量子反常霍爾效應。這一發現或將對信息技術進步產生重大影響。
這一發現由清華大學教授、中國科學院院士薛其坤領銜,清華大學、中國科學院物理所和史丹福大學的研究人員聯合組成的團隊歷時4年完成。在美國物理學家霍爾1880年發現反常霍爾效應133年後,終於實現了反常霍爾效應的量子化,這一發現是相關領域的重大突破,也是世界基礎研究領域的一項重要科學發現。
美國科學家霍爾分別於1879年和1880年發現霍爾效應和反常霍爾效應。1980年,德國科學家馮·克利青發現整數量子霍爾效應,1982年,美國科學家崔琦和施特默發現分數量子霍爾效應,這兩項成果分別於1985年和1998年獲得諾貝爾物理學獎。
由中國科學院物理研究所和清華大學物理系的科研人員組成的聯合攻關團隊,經過數年不懈探索和艱苦攻關,成功實現了“量子反常霍爾效應”。這是國際上該領域的一項重要科學突破,該物理效應從理論研究到實驗觀測的全過程,都是由我國科學家獨立完成。
量子霍爾效應是整個凝聚態物理領域最重要、最基本的量子效應之一。它是一種典型的巨觀量子效應,是微觀電子世界的量子行為在巨觀尺度上的一個完美體現。1980年,德國科學家馮·克利青(KlausvonKlitzing)發現了“整數量子霍爾效應”,於1985年獲得諾貝爾物理學獎。1982年,美籍華裔物理學家崔琦(DanielCheeTsui)、美國物理學家施特默(HorstL.Stormer)等發現“分數量子霍爾效應”,不久由美國物理學家勞弗林(RoberB.Laughlin)給出理論解釋,三人共同獲得1998年諾貝爾物理學獎。在量子霍爾效應家族裡,至此仍未被發現的效應是“量子反常霍爾效應”——不需要外加磁場的量子霍爾效應。
“量子反常霍爾效應”是多年來該領域的一個非常困難的重大挑戰,它與已知的量子霍爾效應具有完全不同的物理本質,是一種全新的量子效應;同時它的實現也更加困難,需要精準的材料設計、製備與調控。1988年,美國物理學家霍爾丹(F.DuncanM.Haldane)提出可能存在不需要外磁場的量子霍爾效應,但是多年來一直未能找到能實現這一特殊量子效應的材料體系和具體物理途徑。2010年,中科院物理所方忠、戴希帶領的團隊與張首晟教授等合作,從理論與材料設計上取得了突破,他們提出Cr或Fe磁性離子摻雜的Bi2Te3、Bi2Se3、Sb2Te3族拓撲絕緣體中存在著特殊的V.Vleck鐵磁交換機制,能形成穩定的鐵磁絕緣體,是實現量子反常霍爾效應的最佳體系[Science,329,61(2010)]。他們的計算表明,這種磁性拓撲絕緣體多層膜在一定的厚度和磁交換強度下,即處在“量子反常霍爾效應”態。該理論與材料設計的突破引起了國際上的廣泛興趣,許多世界頂級實驗室都爭相投入到這場競爭中來,沿著這個思路尋找量子反常霍爾效應。
在磁性摻雜的拓撲絕緣體材料中實現“量子反常霍爾效應”,對材料生長和輸運測量都提出了極高的要求:材料必須具有鐵磁長程有序;鐵磁交換作用必須足夠強以引起能帶反轉,從而導致拓撲非平庸的帶結構;同時體內的載流子濃度必須儘可能地低。中科院物理所何珂、呂力、馬旭村、王立莉、方忠、戴希等組成的團隊和清華大學物理系薛其坤、張首晟、王亞愚、陳曦、賈金鋒等組成的團隊合作攻關,在這場國際競爭中顯示了雄厚的實力。他們克服了薄膜生長、磁性摻雜、門電壓控制、低溫輸運測量等多道難關,一步一步實現了對拓撲絕緣體的電子結構、長程鐵磁序以及能帶拓撲結構的精密調控,利用分子束外延方法生長出了高質量的Cr摻雜(Bi,Sb)2Te3拓撲絕緣體磁性薄膜,並在極低溫輸運測量裝置上成功地觀測到了“量子反常霍爾效應”。該結果於2013年3月14日在Science上線上發表,清華大學和中科院物理所為共同第一作者單位。
該成果的獲得是我國科學家長期積累、協同創新、集體攻關的一個成功典範。前期,團隊成員已在拓撲絕緣體研究中取得過一系列的進展,研究成果曾入選2010年中國科學十大進展和中國高校十大科技進展,團隊成員還獲得了2011年“求是傑出科學家獎”、“求是傑出科技成就集體獎”和“中國科學院傑出科技成就獎”,以及2012年“全球華人物理學會亞洲成就獎”、“陳嘉庚科學獎”等榮譽。該工作得到了中國科學院、科技部、國家自然科學基金委員會和教育部等部門的資助。
量子反常霍爾效應 將為我們帶來什麼
與量子霍爾效應相關的發現之所以屢獲學術大獎,是因為霍爾效應在套用技術中特別重要。人類日常生活中常用的很多電子器件都來自霍爾效應,僅汽車上廣泛套用的霍爾器件就包括:信號感測器、ABS系統中的速度感測器、汽車速度表和里程表、液體物理量檢測器、各種用電負載的電流檢測及工作狀態診斷、發動機轉速及曲軸角度感測器等。
例如用在汽車開關電路上的功率霍爾電路,具有抑制電磁干擾的作用。因為汽車的自動化程度越高,微電子電路越多,就越怕電磁干擾。而汽車上有許多燈具和電器件在開關時會產生浪涌電流,使機械式開關觸點產生電弧,產生較大的電磁干擾信號。採用功率霍爾開關電路就可以減小這些現象。
此次中國科學家發現的量子反常霍爾效應也具有極高的套用前景。量子霍爾效應的產生需要用到非常強的磁場,因此至今沒有廣泛套用於個人電腦和攜帶型計算機上——因為要產生所需的磁場不但價格昂貴,而且體積大概要有衣櫃那么大。而反常霍爾效應與普通的霍爾效應在本質上完全不同,因為這裡不存在外磁場對電子的洛倫茲力而產生的運動軌道偏轉,反常霍爾電導是由於材料本身的自發磁化而產生的。
如今中國科學家在實驗上實現了零磁場中的量子霍爾效應,就有可能利用其無耗散的邊緣態發展新一代的低能耗電晶體和電子學器件,從而解決電腦發熱問題和摩爾定律的瓶頸問題。這些效應可能在未來電子器件中發揮特殊作用:無需高強磁場,就可以製備低能耗的高速電子器件,例如極低能耗的晶片,進而可能促成高容錯的全拓撲量子計算機的誕生——這意味著個人電腦未來可能得以更新換代。

