定義
電液推桿已廣泛套用於冶金、礦山、電力、煤炭、機械、交通、糧食、化工、水泥、水利、建材、運輸等部門,是一種通用的動力源。
工作原理
電液推桿是一種機、電、液一體化的新型柔性傳動機構,它以執行機構(油缸)、控制機構(液壓控制閥組)和動力源(油泵電機等到)組成。根據現場安裝空間及用戶使用情況電液推桿可有多種結構形式(具體見電液推桿外形尺寸圖,也可根據用戶要求定製樣式)。電動機通過正反轉驅動雙向液壓泵正反輸出壓力油,經液壓控制閥送至油缸,也實現活塞桿的往復運動。
結構性能
液壓控制閥組主要由溢流閥,吸油單向閥,調速閥(用戶要求),液控單向閥(液壓鎖)等組成
也可根據電液推桿的工作特性,設計不同功能的油路組合閥,滿足其工作要求。一般有推出自鎖,拉
回自鎖和推拉均自鎖;運行速度有可調速型,不可調速型;電液推桿工作角度有水平推,向上推(包
括斜向上),向下推(包括斜向下)等幾種。電液推桿主要有以下優點:
(1)結構緊湊、安裝方便、占據空間小、維護簡單。
(2)可帶負荷起動,具有過載保護功能。
(3)迴路設雙向液壓鎖,可停在規定行程範圍內的任意位置並自鎖,且保持輸出力不變。
(4)推拉力,速度(用戶要求)無級可調,驅動力範圍極廣。
(5)因故斷電,推桿自鎖,避免發生事故。
(6)採用全液壓傳動,動作靈敏,運行平穩,能有效緩衝外來衝擊力,行程控制精確(≥0.5mm)
(7)機電液一體化全封閉結構,工作油路循環於無壓的封閉鋼筒里,體積小,不滲油,在惡劣的
電液推桿工作環境下,不吸塵,不進水,內部不鏽蝕,使用壽命長。
電液推桿圖示
型號表示方法
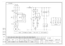
電液推桿電氣線路圖
電液推桿電動推桿
定義
推桿式電動升降柱是為了實現各種工作平台的升降而開發的一種產品,產品伸縮範圍大;運行平穩;配合控制器;可以實現兩個推桿同時升降;同步運行。
參數
主要技術參數及外形尺寸
| 型號 | 推力 (kg) | 速度(mm/s) | 行程 S(mm) | 配用電機(Kw) | L 最小 | Lc 最小 | ¢A | B | C | ¢E | ¢F | G | H | J | M | O | P | Y | Z | 重量約 kg) |
| Ⅰ | Ⅱ | |
| DT25△△ | 25 | 42 | 100-400 | 0.04 | 342+S | 155+S | 24 | 13 | 8 | 6 | 20 | 0 | 85 | 80 | 145 | 175 | 50 | 80 | 4-¢9 |
| 84 | 0.06 | |
| DT60△△ | 60 | 34 | 100-400 | 0.06 | 362+S | 140+S | 24 | 20 | 8 | 8 | 20 | 39 | 85 | 100 | 145 | 195 | 70 | 100 | 4-¢13 |
| 68 | 0.12 | |
| DT100△△ | 100 | 42 | 100-600 | 0.12 | 460+S | 240+S | 34 | 20 | 16 | 12 | 25 | 36 | 112 | 130 | 198 | 238 | 75 | 134 | 4-¢14 |
| 84 | 0.18 | |
| DT300△△ | 300 | 42 | 100-800 | 0.37 | 510+S | 245+S | 42 | 20 | 20 | 12 | 25 | 48 | 130 | 152 | 216 | 256 | 75 | 134 | 4-¢14 |
| 84 | 0.55 | |
| DT500△△ | 500 | 50 | 200-800 | 0.75 | 593+S | 276+S | 44 | 20 | 20 | 14 | 35 | 60 | 140 | 170 | 226 | 266 | 75 | 134 | 4-¢14 |
| 100 | 1.1 | |
| DT700△△△ | 700 | 50 | 200-1000 | 0.75 | 585+S | 267+S | 52 | 25 | 20 | 14 | 35 | 67 | 150 | 190 | 236 | 276 | 93 | 163 | 4-¢14 |
| 100 | 1.1 | |
| DT1000△△△ | 1000 | 50 | 200-1000 | 1.5 | 636+S | 283+S | 52 | 25 | 20 | 14 | 35 | 90 | 154 | 190 | 260 | 300 | 93 | 163 | 4-¢14 |
| 100 | 2.2 | |
| DT1600△△△ | 1600 | 50 | 200-1000 | 2.2 | 722+S | 261+S | 64 | 35 | 35 | 25 | 25 | 99 | 240 | 200 | 346 | 526 | 120 | 160 | 8-¢17 |
| 100 | 3.0 | |
| DT2500 | 2500 | 50 | 300-1600 | 4 | 12+S | 317+S | 8 | 35 | 5 | 25 | 0 | 123 | 300 | 30 | 436 | 66 | 140 | 90 | 8-¢23 | 30 |
| DT3200 | · | 50 | 300-1600 | 5.5 |
| DT4000 | 4000 | 50 | 300-1600 | 5.5 |
| DT5000 | 5000 | 6.6 | 300-1600 | 1.5 |
註:DT5000根據速度配備擺線針輪減速機

