原理簡介
特點原理
電子驅鼠器注意事項
1、使用時請插在離地面較高的位置。
2、使用時請不要正向門窗位置,若在封閉的環境下使用效果更佳。
3、使用時請避免有物體直接阻擋,以免降低驅鼠效果。
4、需長期使用,以確保效果持續
製作方法
方法一
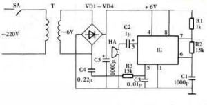
方法一電路圖該電子驅鼠器電路由電源、振盪器和壓電蜂鳴器HA等部分電路組成,接通電源開關SA,交流220V電壓先經T降壓、VDI一VD4整流及C5濾波後,產生直流6V電壓,加至IC的4腳和8腳,使振盪器工作。T二次側的50Hz交流信號經電容器C4、電阻器R3加至IC的5腳,控制振盪器的工作狀態,使IC的3腳輸出20一40kHz不斷變化的掃頻信號,該信號經禍合電容器C2加至蜂鳴器HA上,通過HA在某範圍內產生一定強度的聲壓,從而達到驅鼠的目的。
元器件選擇
IC選用NE555、p.A555、SL555等時基積體電路。
VD1-VD4選用I N4001或1N4007型矽整流二極體。
R1-R3均選用RTX-1/8W碳膜電阻器。
C1選用CT1高頻瓷介電容器;C2和C5選用CDI I-16V型的電解電容器;C3和C4選用CLl l-63V型滌綸電容器或CT4D型獨石電容器。
HA選用壓電蜂鳴器。SA選用小型按鍵自鎖式開關。
T用220V/6V、5W優質電源變壓器,要求長時間運行不過熱。
製作與調試將所有電子元器件安裝在一塊自製的印製電路板上,並將其裝人大小合適的塑膠或木製盒內,在盒面上開孔固定好電源開關SA,並在盒側面為HA開出釋音孔。本例電路簡單,只要元器件良好、接線無誤,通電即能正常工作。
方法二
方法二電路圖電路工作原理
由電子仿聲裝置,貓叫聲可大可小,可快可慢,間隔時間可長可短,且電路結構簡單、成本低廉,適合電子愛好者自製用於家庭。由時間控制電路、貓叫聲發生電路、功率放大電路等組成。時間控制電路是由時基電路IC1 NE555及其外圍阻容元件、二極體等組成。它是一個占空比可調的脈衝振盪器,其占空比由R2和R3控制。貓叫聲發生電路由一塊CMOS積體電路IC2 KD-5605擔任,利用存貯技術將貓叫聲固化在電路內部。功率放大器採用價廉物美的通用小功率音頻放大積體電路IC3 LM386,它的特點是外圍元件極少,電壓範圍寬,失真度小,裝配簡單。合上電源開關S,IC1便通電工作,在IC1的輸出端③腳上不斷有脈衝輸出。有脈衝時,繼電器J勵磁吸合,其常開觸點J1接通,使後級電路獲得電源而工作,發生貓叫聲,每觸發一次IC2,就有一聲貓叫輸出,經IC3功率放大後,推動揚聲器BL發出宏亮逼真的聲音。使老鼠們聞聲喪膽,達到驅鼠的目的。
元器件選擇
R1 電阻 10K ,R2 微調電阻 130K ,R3 微調電阻 1M ,R4 電阻 200Ω ,R5 微調電阻 510K 。
C1 電解電容 330u/16V ,C2、C3 滌綸電容 0.01u ,C4 瓷片電容 680P ,C5 電解電容 1u/16V ,C6、C7 電解電容 10u/16V ,C8 電解電容 220u/16V 。
VD1、VD2 開關二極體 IN4148 , VD3 整流二極體 IN4001 , IC1 時基IC NE555、uA555、LM555、5G1555 。
IC2 貓叫聲語音IC KD-5605 ,IC3 音頻放大IC LM386 ,J 電磁繼電器 JRX-13F ,S 開關, BL 揚聲器.
製作與調試
電路焊接完畢,檢查無誤,便可通電調試。主要是調整間隔貓叫時間,調節R2,使間隔時間為1-3分鐘為宜。調節IC2①腳上的可調電阻R5,還可以使貓叫聲變調,使其發生恐怖的叫聲。其它電路只要焊接無誤,幾乎不用調試即可正常工作。電路調好後,晚上將其置於老鼠經常出入的地方,可明顯減少鼠害。
使用注意事項
電子驅鼠器2.離地至少三十公分 就像所有電器產品一樣,請勿將本產品直接置放於地上,避免濕氣侵入 切勿任意放置於地面上,以免濕氣入侵或濺潑到水滴。以避免地氣滲透機器內部使零件鏽蝕致影響使用壽命。
3.大約一星期左右產品驅鼠逐漸顯現,您將可能看到小動物似乎增加了,這是正常現象,代表它們因受不了超音波干擾,正在逐步搬離您的家園。
4.由於老鼠等哺乳類動物有宿居性,遭受超音波干擾有可能不會馬上搬離,而是暫時跑到聽不到超音波噪音的別處躲藏,再於肚子餓時跑出覓食;所以根絕之道在長期持續開啟著本產品,並杜絕它逃到別的房間暫時躲藏的機會(在其它房間亦都裝設本產品或平時即將各房門關閉);約莫於4-6星期內老鼠等哺乳動物將全數被迫搬離。老鼠等害蟲在遭到驅離後,有可能留下蛋及幼蟲;隨著時間流逝,原來幼蟲被超音波干擾其聽覺神經系統致無法覓食而一一餓死,新的幼蟲破殼而出,也逐漸被超音波侵蝕其神經系統,最後一樣難逃一死。驅離害蟲告一段落後,外界害蟲時刻伺機要進來,切勿輕易拔除本產品電源,以免害蟲又進來。
5.避免太陽照射:長期曝曬在太陽光或強烈光線下,會縮減電子零件的使用壽命避免雨淋 雨水濺到產品外殼,會使面板、背板生出鋁銹,上下蓋脫漆鏽蝕;若是噴到電路板,輕則使電子零件使用壽命縮短,重則使電路燒壞。
6.避免震動或摔落 劇烈震動或摔落地面,除了產品美觀受損,還可能使內部接線脫落甚至造成電路短路,所以應將產品固定在牆壁或樑柱上。總之,產品應儘量安置固定於陰涼乾燥之場所,以維持其正常使用年限;在長期不使用情況下,應收拾好裝入紙箱內並放置於陰涼乾燥處。
7.由於毛毯、衣物或其它柔軟物品會吸收超音波,請勿在超音波電子驅鼠器喇叭前置放上述物品。
適用場合
住宅區、住宅樓、家庭。餐飲業(餐廳 / 咖啡廳 / 飲食店 / 自助餐廳 / 小吃店)。
食品加工處理廠(飲料工廠 / 牲畜屠宰場 / 魚市場 / 糖廠)。
飼料工廠、飼料倉庫。計算機室、檔案室、實驗室。農場、雞舍、豬舍、牛場。輪船船艙、飛機機艙、火車車箱。
食品流通業(超級市場 / 麵包店 / 雜貨店 / 食品倉庫 / 軍公糧倉)。製藥業及醫藥流通場所(醫院/藥房)。
製藥廠、食品廠、飲料廠、飼料廠、皮革廠、超市、餐飲、酒店、冷庫、醫療衛生、銀行、電力局、電信電腦機房、辦公室等。

